GM Service Manual Online
For 1990-2009 cars only
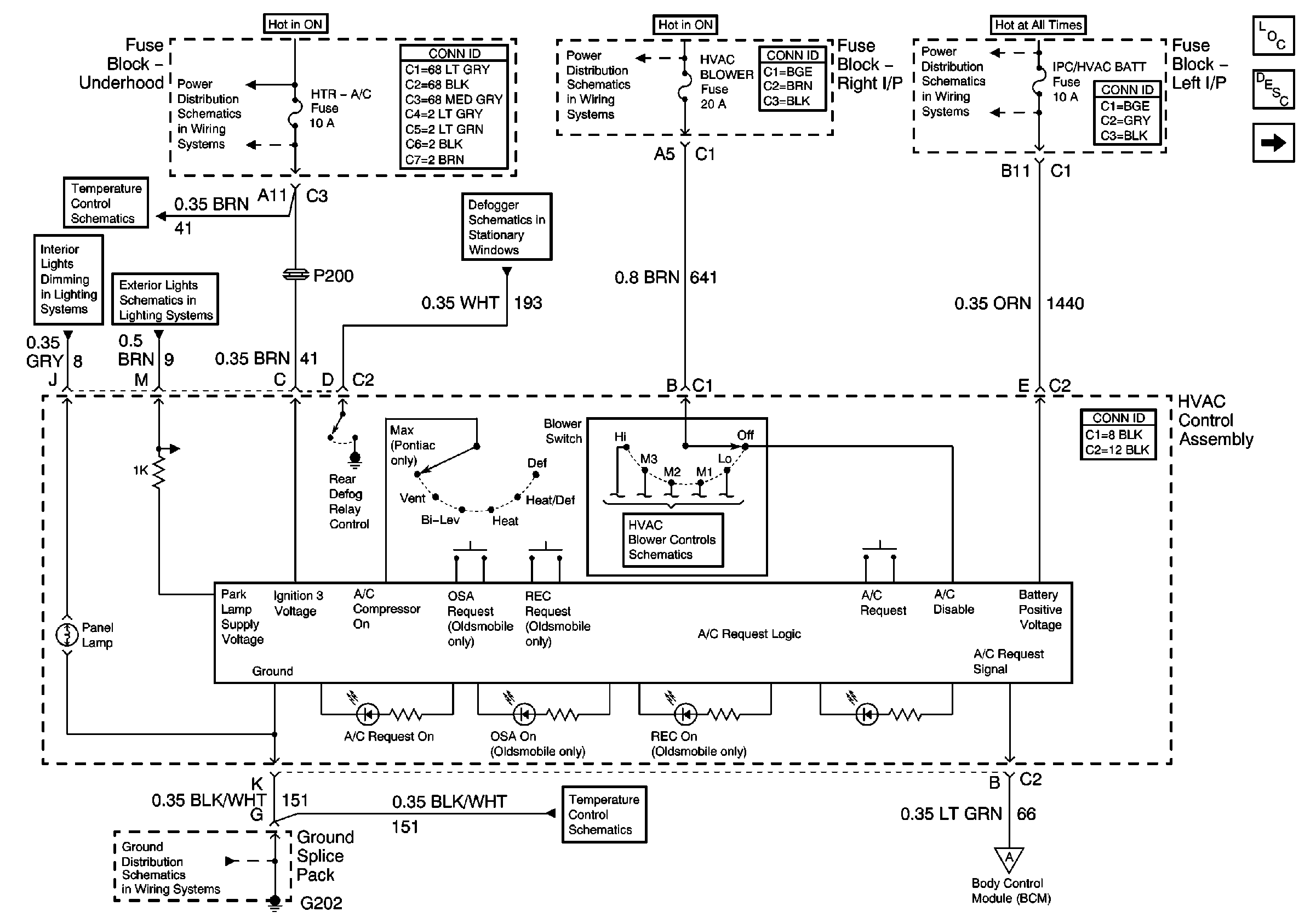
Figure 1:

Power and Ground


Object Number: 669112  Size: FS
Master Electrical Component List
RH HDLP, LH HDLP, GEN BATT, LH BEC BATT 2, STOP LPS, HAZARD LPS, IPC/HVACBATT, BFC BATT Fuses
Blower Motor Controls
Compressor Controls
PWR WNDWS Circuit Breaker, CRUISE SW, Cruise, SUNROOF, HVAC BLOWERFuses
Temperature Controls
Defogger Schematics
IGN SW-BATT 1, HTR A/C IGN, ERLS, PCM, ACC, IPC/BFC Fuses
Temperature Controls
License Lamps
Instrument Panel Lamps
G202
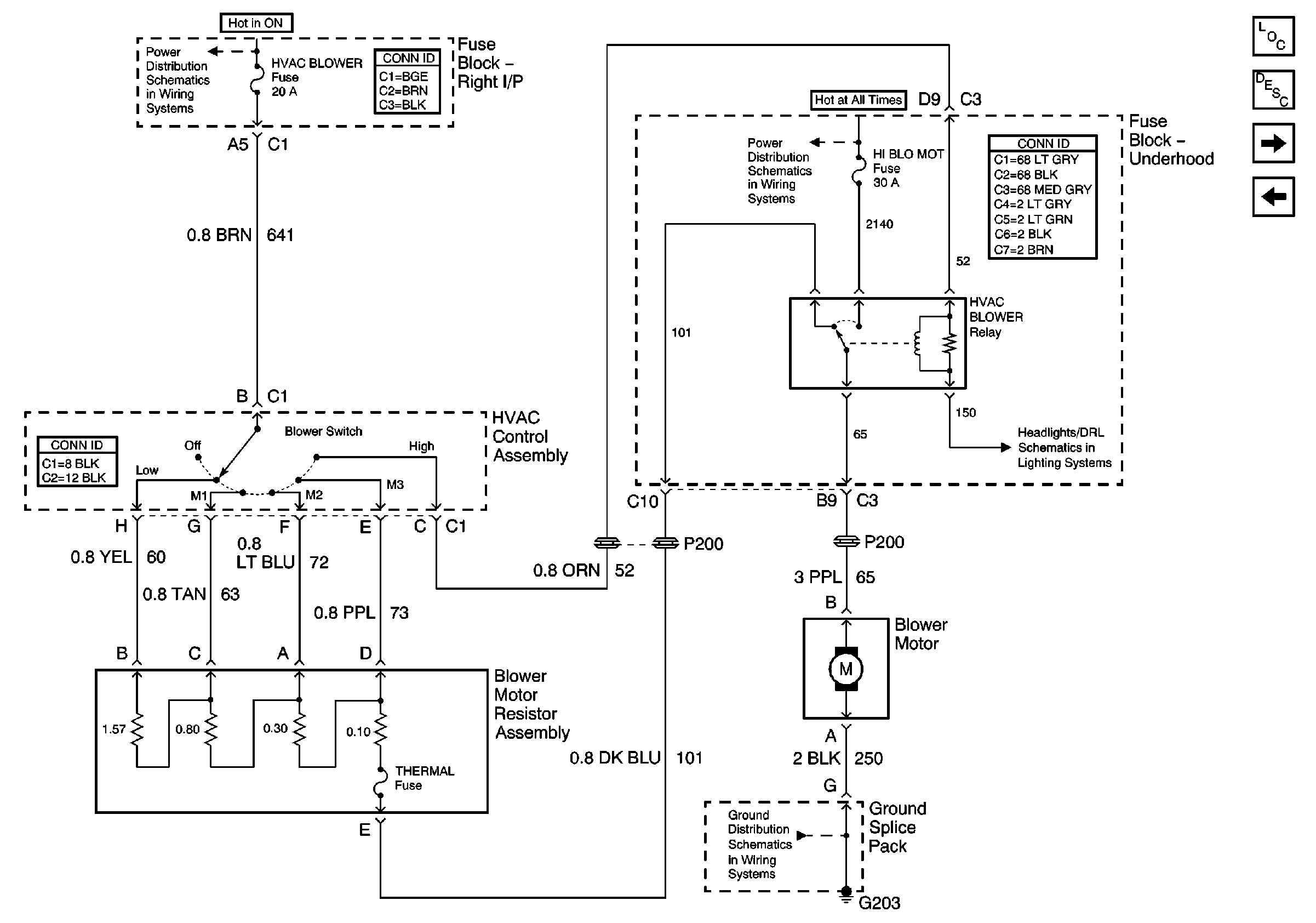
Figure 2:

Blower Motor Controls


Object Number: 669105  Size: FS
Master Electrical Component List
Air Delivery Description and Operation
Compressor Controls
Power and Ground
LF Headlamps
B+ Bus Bar and COOL FAN 2 GROUND (V6) Fuse
PWR WNDWS Circuit Breaker, CRUISE SW, Cruise, SUNROOF, HVAC BLOWERFuses
G203
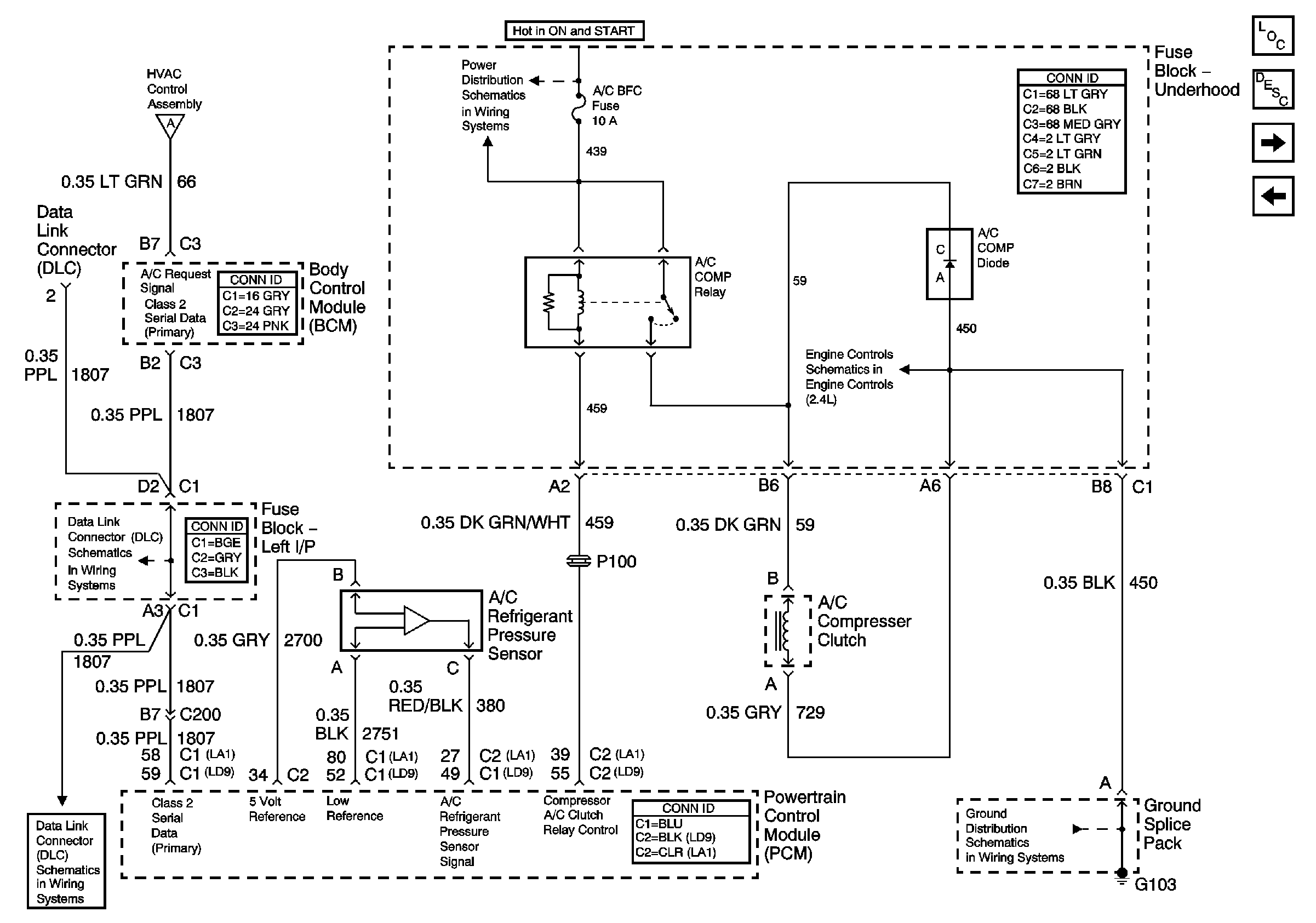
Figure 3:

Compressor Controls


Object Number: 669115  Size: FS
Master Electrical Component List
Temperature Controls
Blower Motor Controls
G103 and G105
Power, Ground, and Injectors
IGN SW-BATT2, WIPER, AIR BAG, TURN LPS, IGN MOD, BU LMP, PCM IGN, F/PINJR, A/C BFC, AUTO TRANS, ABS, IGN Fuses
Power and Ground
Data Link Connector Schematics
Data Link Connector Schematics
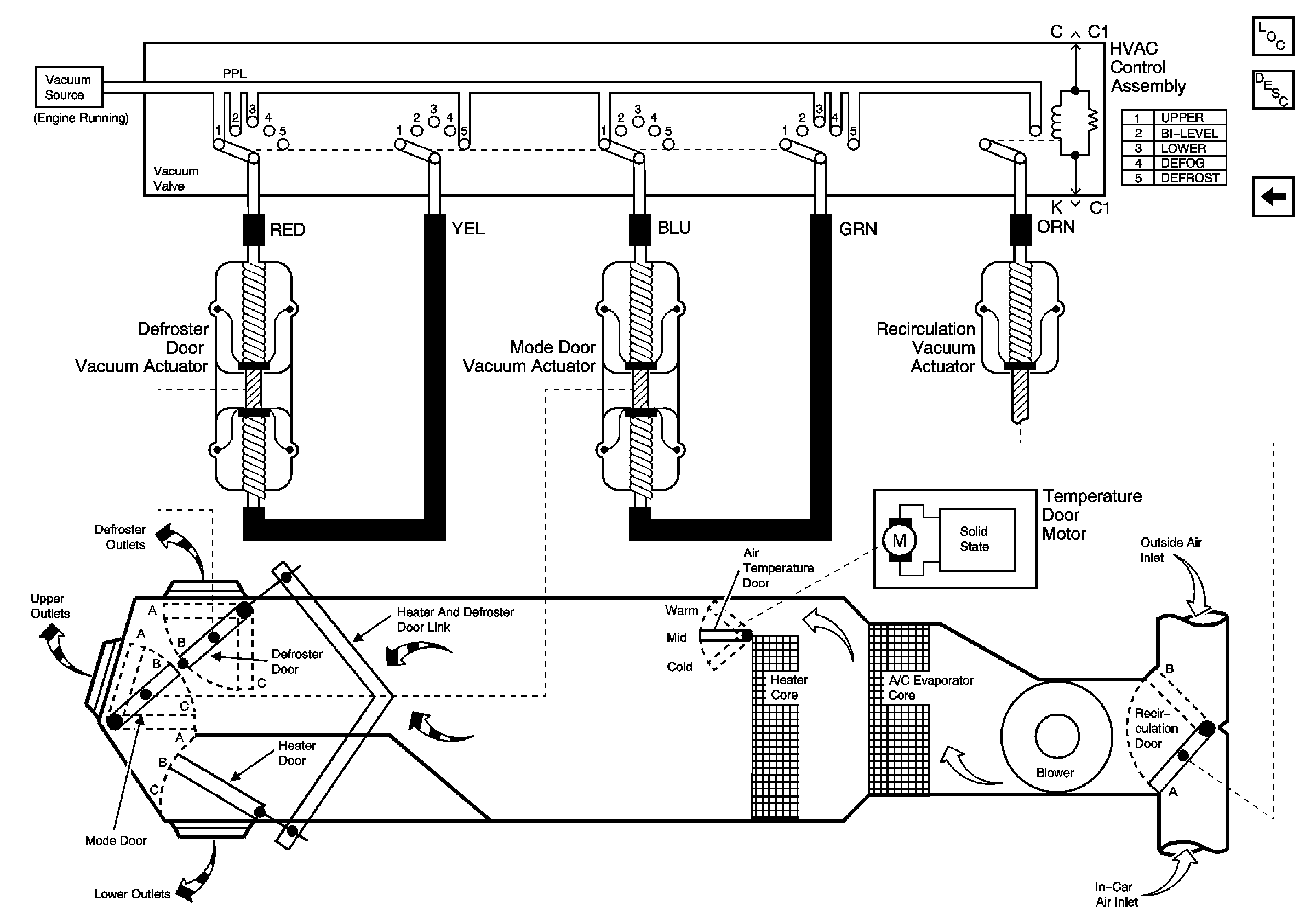
Figure 4:

Temperature Controls


Object Number: 669120  Size: FS
Master Electrical Component List
Air Temperature Description and Operation
Compressor Controls
G202
IGN SW-BATT 1, HTR A/C IGN, ERLS, PCM, ACC, IPC/BFC Fuses
Figure 5:

Air Delivery Schematics (Vacuum Controls)


Object Number: 739801  Size: FS