GM Service Manual Online
For 1990-2009 cars only

Removal Procedure


    Object Number: 276436  Size: SH
  1. Remove the front door trim panel. Refer to Front Side Door Trim Panel Replacement in Doors.
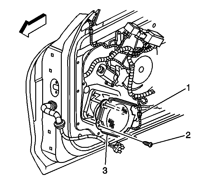
  2. Remove the screws (2) from the speaker.
  3. Remove the speaker (3) from the door.
  4. Disconnect the electrical connector (1) from the speaker.
  5. Remove the speaker base from the door.

Installation Procedure


    Object Number: 276436  Size: SH
  1. Install the speaker base to the door.
  2. Connect the electrical connector (1) to the speaker.
  3. Install the speaker (3) to the speaker base.
  4. Notice: Use the correct fastener in the correct location. Replacement fasteners must be the correct part number for that application. Fasteners requiring replacement or fasteners requiring the use of thread locking compound or sealant are identified in the service procedure. Do not use paints, lubricants, or corrosion inhibitors on fasteners or fastener joint surfaces unless specified. These coatings affect fastener torque and joint clamping force and may damage the fastener. Use the correct tightening sequence and specifications when installing fasteners in order to avoid damage to parts and systems.

  5. Install the speaker screws (2).
  6. Tighten
    Tighten the screws to 6 N·m (53 lb in).

  7. Install the door trim panel. Refer to Front Side Door Trim Panel Replacement in Doors.