GM Service Manual Online
For 1990-2009 cars only
Makes
🢒
Chevrolet
🢒
2001
🢒
Alero Export
🢒
Body and Accessories
🢒
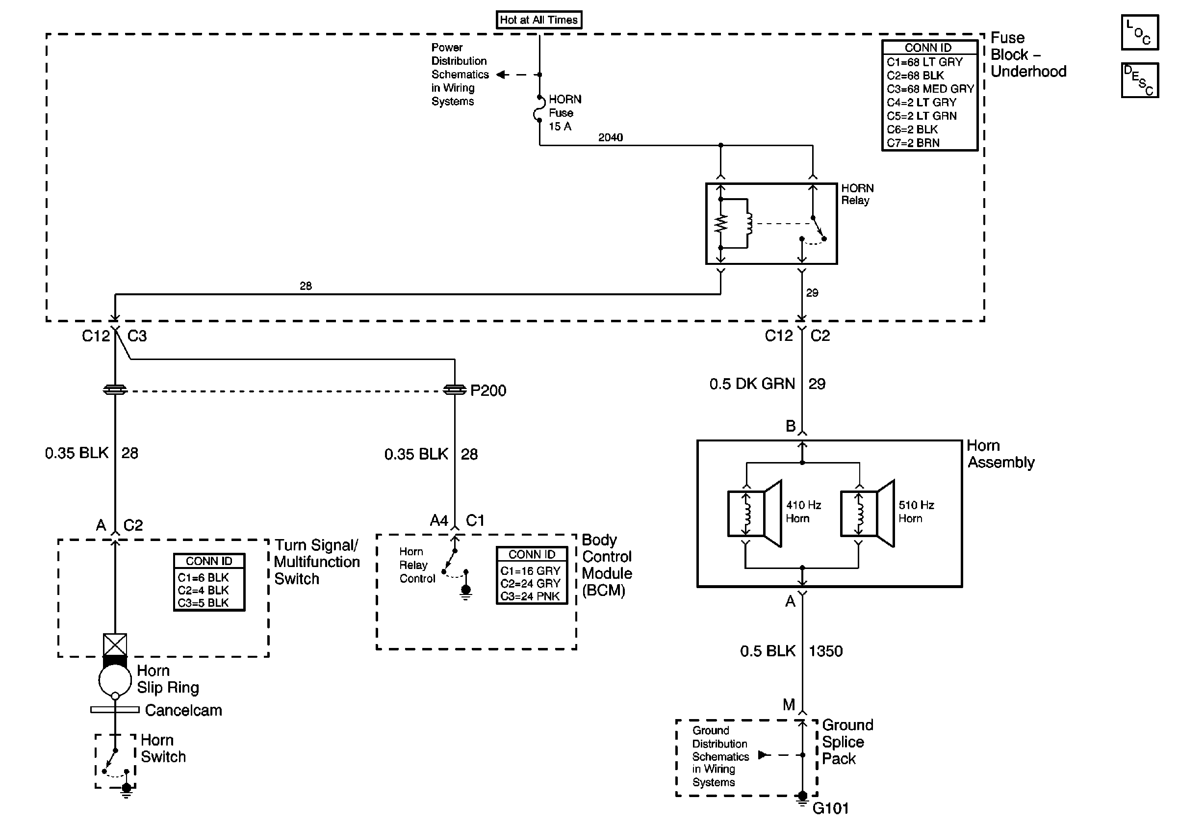
Horns
🢒 Horn Schematics
Master Electrical Component List
Horns System Description and Operation
G101
B+ Bus Bar and COOL FAN 2 GROUND (V6) Fuse