GM Service Manual Online
For 1990-2009 cars only

Removal Procedure

  1. Remove the front seat. Refer to Front Seat Replacement - Bucket .
  2. Disconnect the electrical connectors from the motor.
  3. Disconnect the drive cables. Refer to Seat Horizontal and Vertical Drive Cable Replacement .
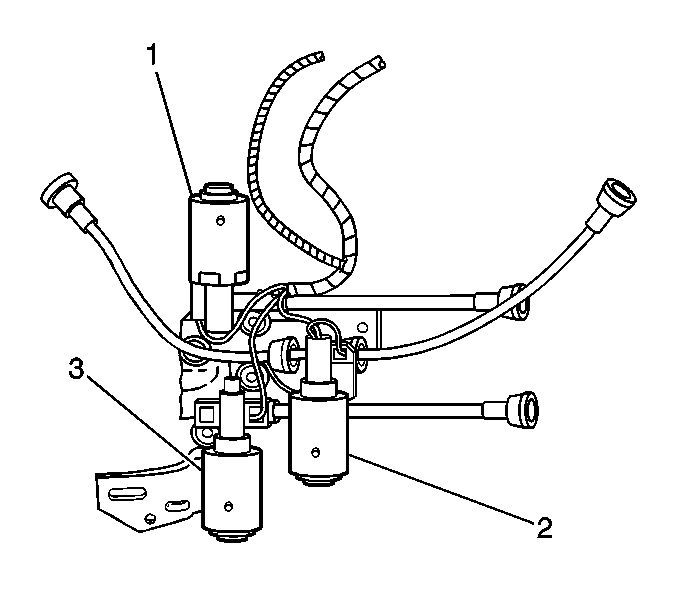
  4. Drill out the rivets.

  5. Object Number: 608967  Size: SH
  6. Remove the motors  (1, 2,  or 3) from the mounting bracket.

Installation Procedure

  1. Install the grommet to the motor support bracket. Secure the motor to the grommet using appropriate rivets.
  2. Connect the drive cables. Seat Horizontal and Vertical Drive Cable Replacement .

  3. Object Number: 608967  Size: SH
  4. Connect the electrical connectors to the motors  (1, 2, or 3).
  5. Install the front seat. Refer to Front Seat Replacement - Bucket .