GM Service Manual Online
For 1990-2009 cars only
Makes
🢒
Chevrolet
🢒
2001
🢒
Alero Export
🢒
Body and Accessories
🢒
Wiring Systems
🢒 Headlights/Daytime Running Lights (DRL) Schematics
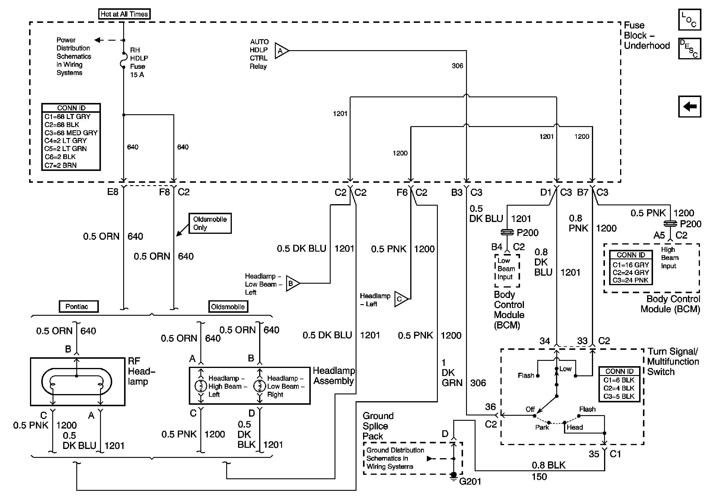
Figure
1:
LF Headlamps
Master Electrical Component List
Exterior Lighting Systems Description and Operation
RF Headlamps
RF Headlamps
Blower Motor Controls
RF Headlamps
RF Headlamps
G201
RH HDLP, LH HDLP, GEN BATT, LH BEC BATT 2, STOP LPS, HAZARD LPS, IPC/HVACBATT, BFC BATT Fuses
IGN SW-BATT 1, HTR A/C IGN, ERLS, PCM, ACC, IPC/BFC Fuses
Figure
2:
RF Headlamps
Master Electrical Component List
Exterior Lighting Systems Description and Operation
LF Headlamps
G201
LF Headlamps
LF Headlamps
LF Headlamps
RH HDLP, LH HDLP, GEN BATT, LH BEC BATT 2, STOP LPS, HAZARD LPS, IPC/HVACBATT, BFC BATT Fuses