GM Service Manual Online
For 1990-2009 cars only
Makes
🢒
Chevrolet
🢒
2001
🢒
Alero Export
🢒
Body and Accessories
🢒
Wiring Systems
🢒 Body Rear End Schematics
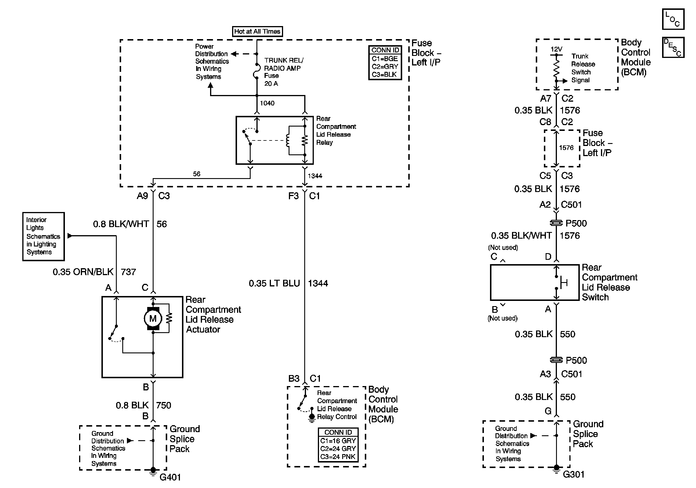
Master Electrical Component List
Luggage Compartment Description and Operation
G301
LH BEC BATT1, AUX PWR/CIGAR, PARK LPS, PCM BATT, PWR MIRROR, DR LOCK, TRUNK REL/RFA/Radio Amp Fuses, and RWR SEAT Circuit Breaker
Compartment Lamps
G401