GM Service Manual Online
For 1990-2009 cars only
Makes
🢒
Chevrolet
🢒
2001
🢒
Alero Export
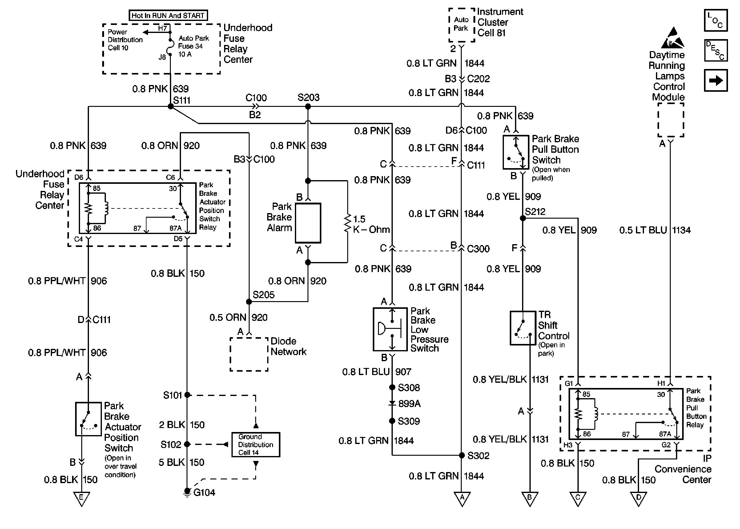
🢒 Cell 46a: Park Brake Schematic
Cell 46a: Park Brake Schematic
Cell 46a: Park Brake System Schematic
Cell 10: Hot in Run and Start Fuses
Instrument Cluster: Analog Schematics
Handling Electrostatic Discharge Sensitive Parts Notice
Cell 46b: Park Brake Schematic
Cell 14: G104
Cell 46b: Park Brake Schematic
Cell 46b: Park Brake Schematic
Cell 46b: Park Brake Schematic
Cell 46b: Park Brake Schematic
Headlights/Daytime Running Lights (DRL) Schematics