GM Service Manual Online
For 1990-2009 cars only
Makes
🢒
Chevrolet
🢒
2001
🢒
Alero Export
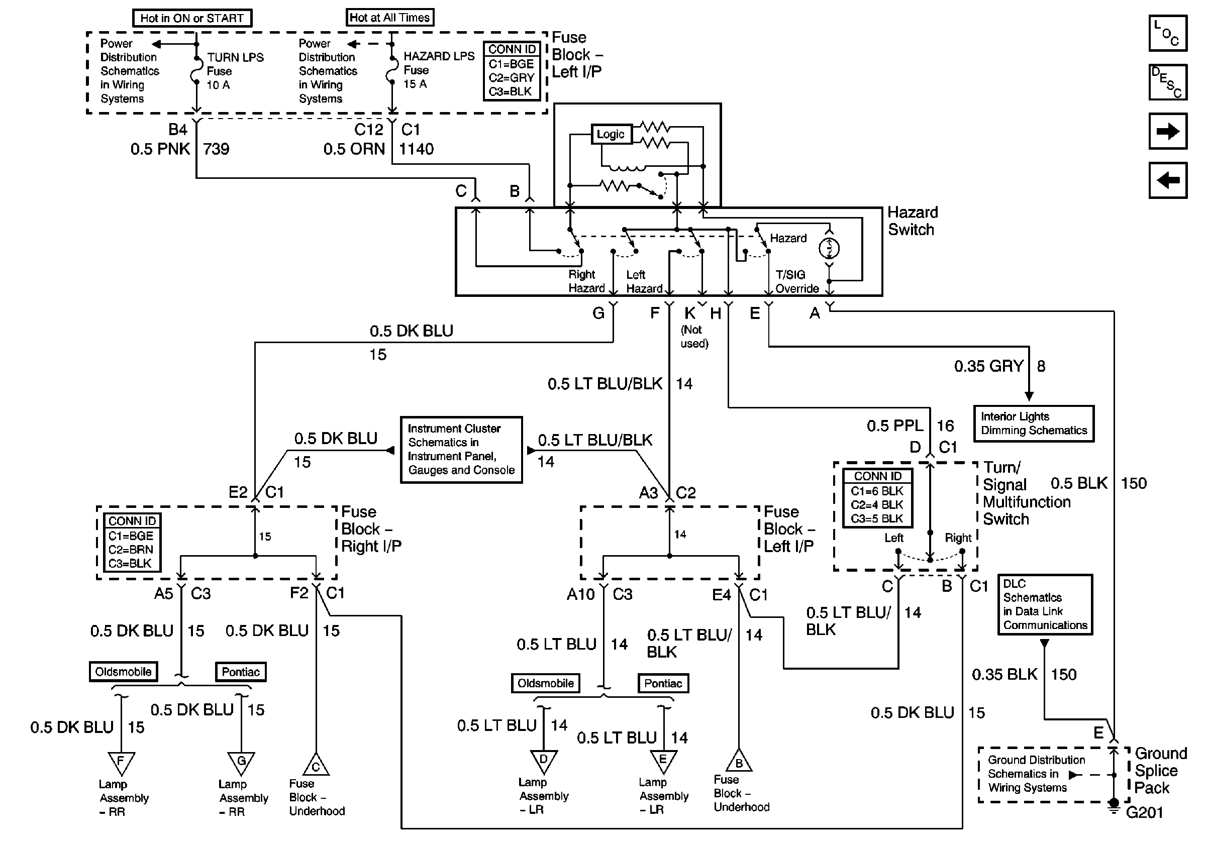
🢒 Hazard Switch
Hazard Switch
Hazard Switch
Master Electrical Component List
Exterior Lighting Systems Description and Operation
High Mounted Stop Lamp Assembly
Marker Lamps, Park Lamps, and Turn Lamps
Instrument Panel Lamps
Data Link Connector Schematics
G201
Marker Lamps, Park Lamps, and Turn Lamps
Rear Lamps (Pontiac)
Rear Backup Lamps
Fault Indicators
Marker Lamps, Park Lamps, and Turn Lamps
Rear Lamps (Pontiac)
Rear Lamps (Oldsmobile)
RH HDLP, LH HDLP, GEN BATT, LH BEC BATT 2, STOP LPS, HAZARD LPS, IPC/HVACBATT, BFC BATT Fuses
IGN SW-BATT2, WIPER, AIR BAG, TURN LPS, IGN MOD, BU LMP, PCM IGN, F/PINJR, A/C BFC, AUTO TRANS, ABS, IGN Fuses