GM Service Manual Online
For 1990-2009 cars only
Makes
🢒
Chevrolet
🢒
2001
🢒
Alero Export
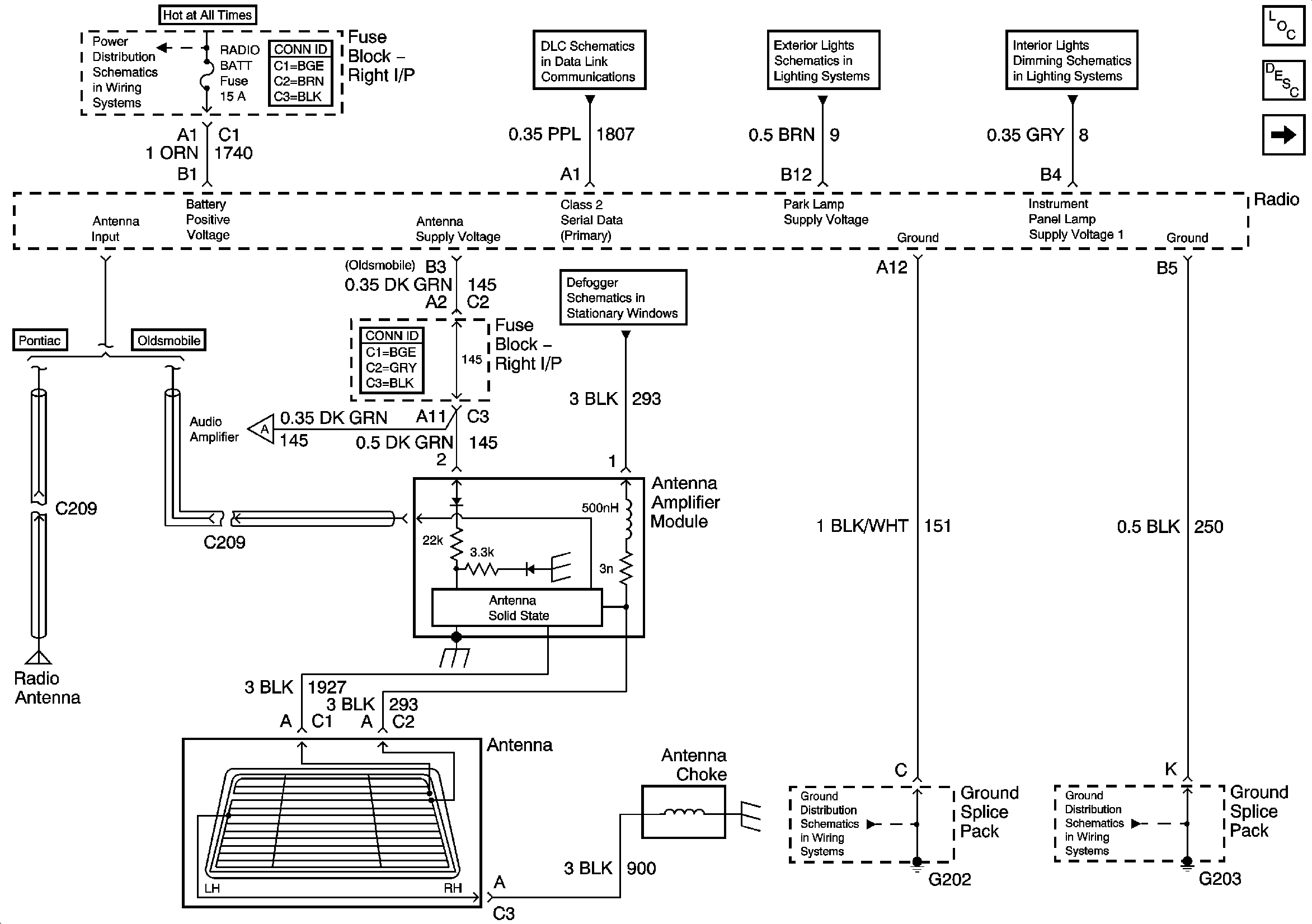
🢒 Power, Ground, and Antenna
Power, Ground, and Antenna
Power, Ground, and Antenna
Master Electrical Component List
Radio/Audio System Description and Operation
Front Speakers; UQ2 and UQ8
Amplifier; U85