GM Service Manual Online
For 1990-2009 cars only
Makes
🢒
Chevrolet
🢒
2001
🢒
Alero Export
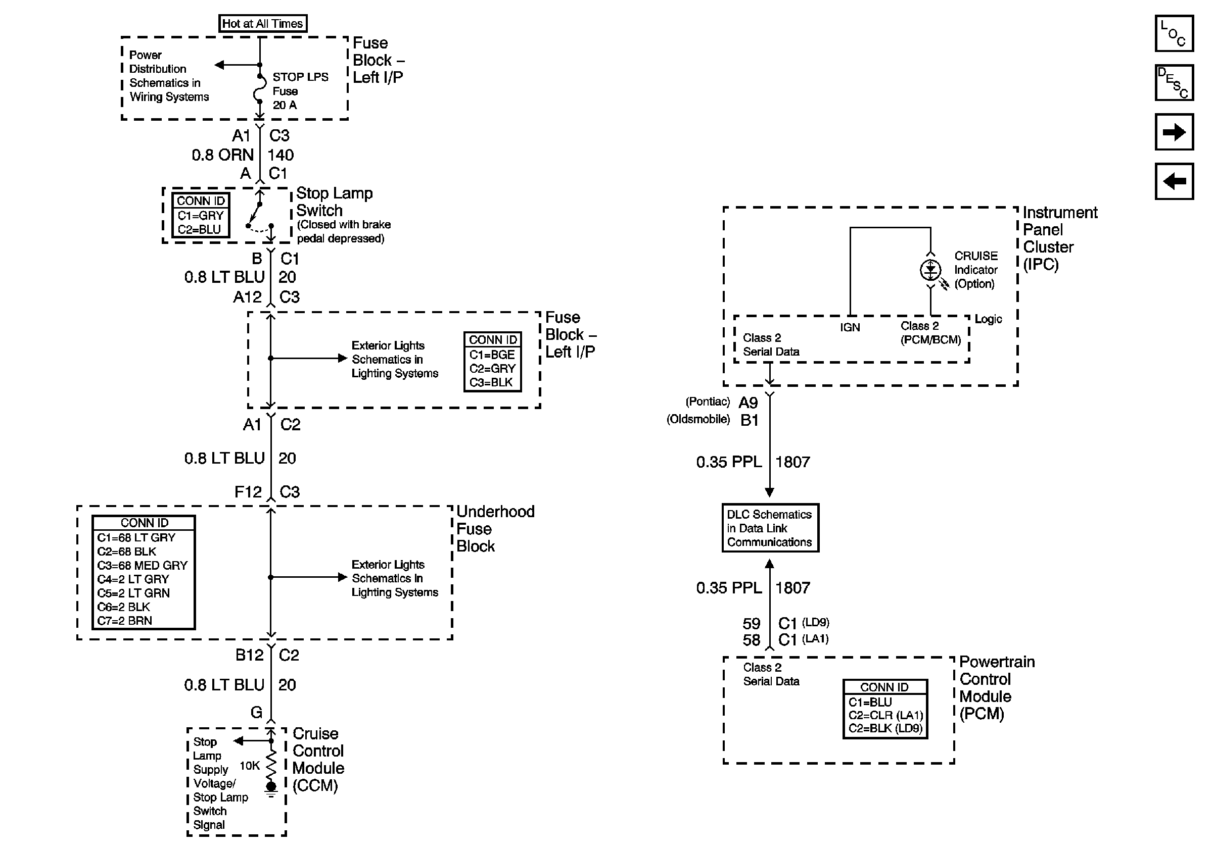
🢒 Stop Lamp Switch
Stop Lamp Switch
Stop Lamp Switch
Master Electrical Component List
Cruise Control Description and Operation
Cruise Control Switch
Cruise Control Module
RH HDLP, LH HDLP, GEN BATT, LH BEC BATT 2, STOP LPS, HAZARD LPS, IPC/HVACBATT, BFC BATT Fuses
High Mounted Stop Lamp Assembly
Data Link Connector (DLC) Schematics