GM Service Manual Online
For 1990-2009 cars only

POWER DOOR LOCK SYSTEM DIAGNOSING AND SERVICING

VEHICLES AFFECTED: 1985-87 M VANS

This bulletin will clarify the servicing of the power door lock system.

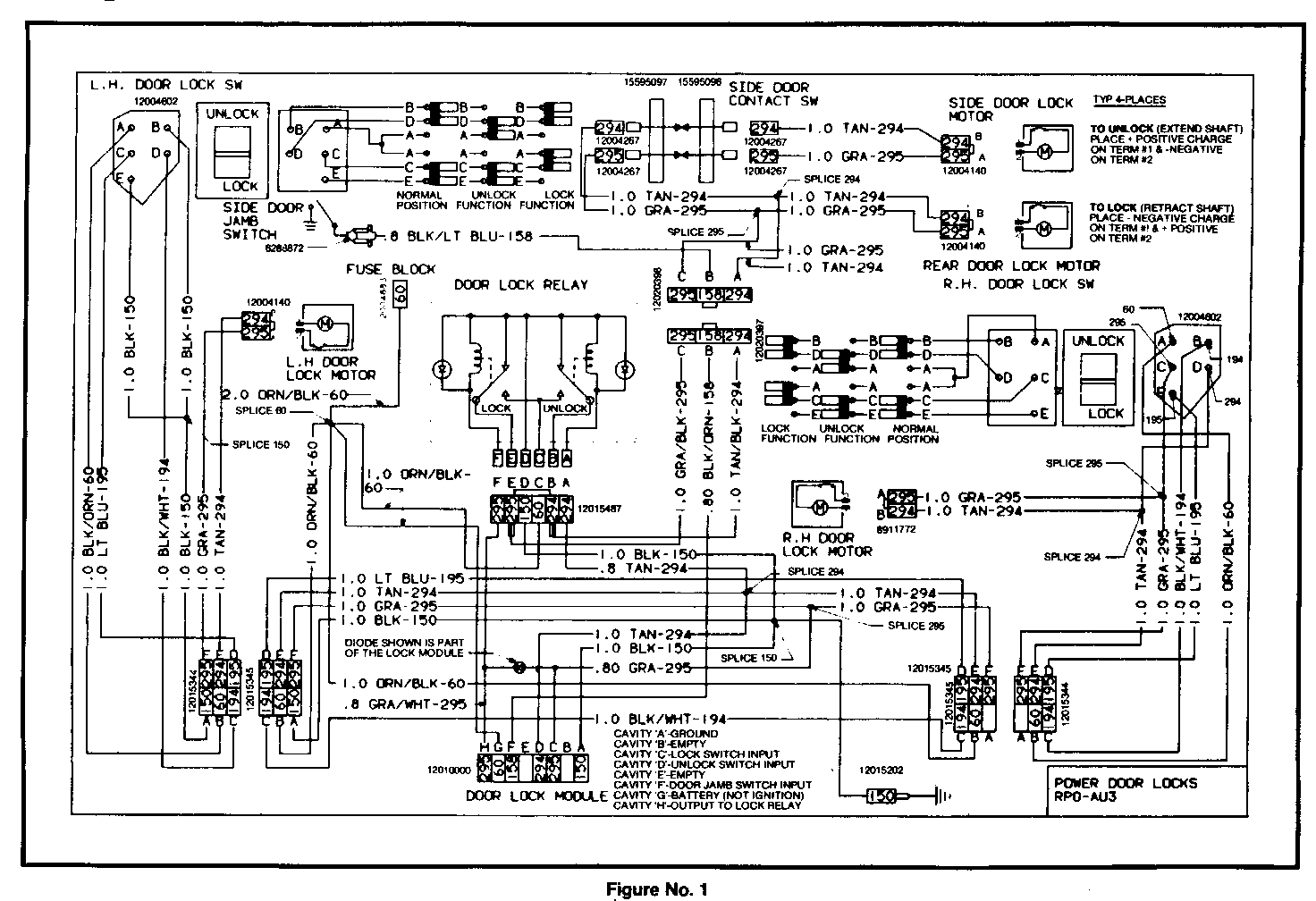
Power Door Lock System Operation

Electrical power to the sliding door lock motor is transmitted through a set of contacts in the lock pillar and the front edge of the door. If the sliding door is closed when the power door locks are actuated, all doors lock immediately. If the sliding door is open when the power door locks are actuated, the front doors and the rear doors lock immediately, and approximately five seconds after the sliding door is closed another pulse is provided to the door lock relay to lock the sliding door.

A more detailed description of the system operation follows. The system circuit diagram is shown in Figure 1. When either door lock switch is placed in the "lock" position, battery voltage is applied to both front door lock motors directly through the door lock switches. Battery voltage is also applied to the lock coil of the door lock relay, which pulls in and applies battery voltage to the circuit containing the rear door and sliding door lock motors. If the sliding door is open when the door lock switch is operated, terminal F of the door lock delay module is grounded through the sliding door jamb switch and terminal C is at battery voltage through the door lock switch. This combination of inputs sets a logic circuit in the door lock delay module. Upon closing the sliding door, the jamb switch opens removing the ground connection from terminal F. This initiates a timing cycle in the door lock delay module and after approximately five seconds, terminal H of the module turns on, energizing the lock coil of the door lock relay and resetting the logic circuit in the module. Battery voltage is then applied through the door lock relay to the door lock motors in the sliding door and rear door.

When either door lock switch is placed in the "unlock" position, battery voltage is applied to both front door lock motors directly through the door lock switches. Battery voltage is also applied to terminal D of the door lock delay module to reset the logic circuit and to the unlock coil of the door lock relay, which pulls in and applies battery voltage to the circuit containing the rear door and sliding door lock motors.

Power Door Lock System Fault Diagnosis

The following diagnosis procedures address the problems of no power door lock operation at all doors, failure of the sliding door to lock after closing, failure to lock at one door, and incomplete travel of the lock mechanism at one or more doors.

No Operation At All Doors

This complaint indicates a problem with the electrical supply or a problem with the power door lock switches. The following procedure will help to isolate the problem.

1. Using a test light or probe, check for voltage at the power door lock connection at the fuse panel. The power door lock wire is orange with a black stripe and plugs into the fuse panel near the right-hand side. If there is no voltage on this connection, check the Power Accessory circuit breaker for continuity and replace if necessary. If the circuit breaker has continuity, check the fusible links in the engine compartment in the area behind the battery.If a problem is found in either of the above areas, check for a short circuit in the system and correct as necessary.

2. The power door lock switches are electrically interlocked to prevent a short circuit in the event that one switch is placed in the "lock" position while the other switch is in the "unlock" position. Some switches have been found to stick slightly off the "neutral" position, leaving the normally closed contacts open. This problem would normally result in a complaint that the power door locks operate from one switch but will not operate from the other switch. Due to the electrical interlock described above, the problem lies in the switch thatis at rest while the other switch is being actuated.

3. Some instances of broken wires at the power door lock switch connectors have been reported. Verify that these wires are all intact.

4. Check for electrical continuity between the ground circuit of the power door lock wiring harness and the body. This can be done by connecting a test light between terminal B or terminal E of the left hand door lock switch connector and the nut of the door jamb switch. If there is no continuity, check the power door lock wiring harness connection to the ground bus in the electrical convenience center under the instrument panel to the left of the steering column.

Sliding Door Does Not Lock After Closing

This complaint indicates a problem with the door lock relay, the door lock delay module, the sliding door jamb switch, or the door lock switches.

1. With the sliding door closed, operate the door lock switch and check the sliding door and rear door for lock operation. If neither door locks, a defective door lock relay is indicated. The door lock relay is located under the right side of the instrument panel. If the rear door locks but the sliding door does not lock, check the wiring connections to the contacts in the lock pillar and the front of the sliding door.

2. To check for proper operation of the sliding door jamb switch, use test probes to connect a 12-volt lamp between terminals F and G of the door lock delay module. The module is located under the instrument panel adjacent to the door lock relay. DO NOT open the module case, use test probes at the wire entry end of the case. The lamp should turn on when the sliding door is opened and should turn off when the sliding door is closed. Fallure of the lamp to turn on indicates a defective switch or an open circuit to the switch. Failure of the lamp to turn off indicates a misadjusted switch or a short circuit to ground in the wire to the switch. If the switch is misadjusted, it can be corrected by backing it out of the lock pillar one or two turns.

3. Some door lock switches have been found to momentarily open the normally closed contacts as the switch rocker moves from the "lock" position to the "neutral" position. When this happens it can result in battery voltage being applied to the unlock input of the door delay lock module, causing the logic circuit to reset. To check for this condition, use a test lead to connect between terminals B and D of the switch. With the sliding door open, operate the switch momentarily to the "lock" position. DO NOT operate the switch to the "unlock" position while the test lead is connected between terminals B and D, as a short circuit from battery to ground would result.

Close the sliding door which should lock after approximately five seconds. If the system works properly with the test lead connected but does not with the test lead removed, the switch should be replaced.

4. If the above tests have not uncovered the cause of the problem, check the inputs and outputs of the door lock delay module. A probe should be used at the wire entry end of the module case. DO NOT open the case.Terminal A should be at ground, and should be checked for continuity to the vehicle ground. No continuity indicates an open circuit in the wiring harness. There is no connection to cavity B of the case. Use a test probe to check for battery voltage at terminal C when the lock switch is in the "lock" position, and at terminal D when the lock switch is in the "unlock" positions. Absence of voltage at these inputs indicates an open circuit in the wiring harness or a defective switch. There is no connection to cavity E of the case. Proper operation at terminals F and G was checked in step 2 above, with terminal F being connected to the door jamb switch and terminal G to battery. Use test probes to connect a small lamp (two candlepower, such as trade no. 194, GM P/N 9421330)between terminals H and A. Open the sliding door, operate the door lock switch and close the sliding door. The lamp should turn on momentarily (0.2 to 1.0 second) approximately five seconds after the sliding door closes. If the lamp does not turn on, the module should be replaced.

NOTE: The module circuit board contains components that are sensitive to electrostatic discharge, and should be handled as follows to prevent damage:

(a) Do not open the package of the replacement circuit board until it is time to install it in the module case.

(b) Handle the circuit board only by the edges and avoid touching the terminals of the circuit board or any circuit board component terminals.

(c)before removing the circuit board from the package, ground the package to the vehicle chassis.

(d) Technicians should periodically ground themselves during the replacement operation, always before touching the circuit board and always after sliding on the seat, sitting from standing position, or walking.

No Operation At Only One Door

Failure of the power door lock system to operate at only one door indicates an open circuit in the wiring to the door lock motor, a defective door lock motor, door lock linkage binding, or door lock linkage not connected.

1. Remove the door trim panel, operate the door lock switch, and observe the door lock motor and linkage. If the door lock motor will not operate in either direction, disconnect the wiring harness from the motor and check for voltage at the wiring harness connector while operating the door lock switch. No voltage indicates an open circuit in the wiring. Voltage at the connector indicates a defective door lock motor. The procedure for replacing the door lock motor is covered in the Service Manual.

2. If the problem appears to be caused by system binding, review the following system components, locate point of binding or excessive friction and repair as necessary.

. Door Lock Knob/Escutcheon Interference . Bell Crank and Remote Assemblies . Linkage Rods Unconnected . Linkage Rods Bent or Deformed . Linkage Rod/Clip Incorrectly Installed . Linkage Rod Guide Friction . Latch Assembly Locking Effort

Incomplete Travel of Lock at One or More Doors

This problem indicates binding or excessive friction in the door lock linkage. Review the components listed in Step 2, "No operation at only one door", locate point of binding and repair as necessary.


Object Number: 75236  Size: FS

General Motors bulletins are intended for use by professional technicians, not a "do-it-yourselfer". They are written to inform those technicians of conditions that may occur on some vehicles, or to provide information that could assist in the proper service of a vehicle. Properly trained technicians have the equipment, tools, safety instructions and know-how to do a job properly and safely. If a condition is described, do not assume that the bulletin applies to your vehicle, or that your vehicle will have that condition. See a General Motors dealer servicing your brand of General Motors vehicle for information on whether your vehicle may benefit from the information.