GM Service Manual Online
For 1990-2009 cars only

CAMPAIGN: TRANSMISSION CONTROL LINKAGE RETAINER

Model and Year: 1989 M-VAN WITH AUTOMATIC TRANSMISSION RPO MD8

To: All Chevrolet Dealers

The National Traffic and Motor Vehicle Safety Act, as amended, provides that each vehicle which is subject to a recall campaign of this type must be adequately repaired within a reasonable time after the owner has tendered it for repair. A failure to repair within sixty (60) days after tender of a vehicle is prima facie evidence of failure to repair within a reasonable time.

If the condition is not adequately repaired within a reasonable time, the owner may be entitled to an identical or reasonably equivalent vehicle at no charge or to a refund of the purchase price less a reasonable allowance for depreciation.

To avoid having to provide these burdensome solutions, every effort must be made to promptly schedule an appointment with each owner and to repair their vehicle as soon as possible. As you will see in reading the attached copy of the letter that is being sent to owners, the owners are being instructed to contact the Chevrolet Customer Assistance Center if their dealer does not remedy the condition within five (5) days of the mutually agreed upon service date. If the condition is not remedied within a reasonable time, they are instructed on how to contact the National Highway Traffic Safety Administration.

DEFECT INVOLVED

General Motors has determined that a defect which relates to motor vehicle safety exists in certain 1989 M-Vans. These vehicles may have a loose retainer securing the automatic transmission control rod linkage to the steering column lower shift lever. This looseness may allow the retainer to disengage, resulting in a separation of the control rod from the lower shift lever.

When this occurs, the shift indicator may not reflect the gear the transmission is in. In this situation, the driver could believe the transmission is in a forward gear when actually it is in reverse, or vise versa. Additionally, the engine could be started with the transmission in gear. Either of these conditions could lead to a vehicle crash without prior warning. To prevent this condition from occurring, it will be necessary to install a new transmission linkage retainer on all involved vehicles.

VEHICLES INVOLVED

Involved are certain 1989 M-Vans with automatic transmission (MD8) built within the following VIN breakpoints:

MODEL/YEAR PLANT FROM THROUGH ---------- ----- ----- ------- 1989 M-VAN Baltimore KB182662 KB183534

Involved vehicles have been identified by Vehicle Identification Number Computer Listings. Computer listings contain the complete Vehicle Identification Number, owner name and address data, and are furnished to involved dealers with the campaign bulletin. Owner name and address data furnished will enable dealers to follow-up with owners involved in this campaign.

These listings may contain owner names and addresses obtained from State Motor Vehicle Registration Records. The use of such motor vehicle registration data for any other purpose is a violation of law in several states. Accordingly, you are urged to limit the use of this listing to the follow-up necessary to complete this campaign. Any dealer not receiving a computer listing with the campaign bulletin has no involved vehicles currently assigned.

OWNER NOTIFICATION

Owners will be notified of this campaign on their vehicles by Chevrolet Motor Division (see copy of owner letter included with this bulletin).

DEALER CAMPAIGN RESPONSIBILITY

Dealers are to service all vehicles subject to this campaign at no charge to owners, regardless of mileage, age of vehicle, or ownership, from this time forward.

Whenever a vehicle subject to this campaign is taken into your new or used vehicle inventory, or it is in your dealership for service in the future, you should take the steps necessary to be sure the campaign correction has been made before reselling or releasing the vehicle.

Owners of vehicles recently sold from your new vehicle inventory are to be contacted by the dealer, and arrangements made to make the required correction according to instructions contained in this bulletin.

PARTS INFORMATION

A sufficient quantity of retainers will be shipped directly to involved dealers to cover the number of vehicles on their initiation lists. The parts will be supplied at no charge to the dealers.

If additional parts are required, they may be obtained by contacting Adistra Corporation, (313) 455-9072. Quantity/ Part Number Description Vehicle ----------- ------------ ------- 15553615 Retainer 1 Per Vehicle

Do not order this part from General Motors Service Parts Operation (GMSPO).

SERVICE PROCEDURE

1. Apply parking brake.

2. With engine off, place the gear selector in the Drive 1 position.

3. Open hood.

4. Disconnect negative battery cable.

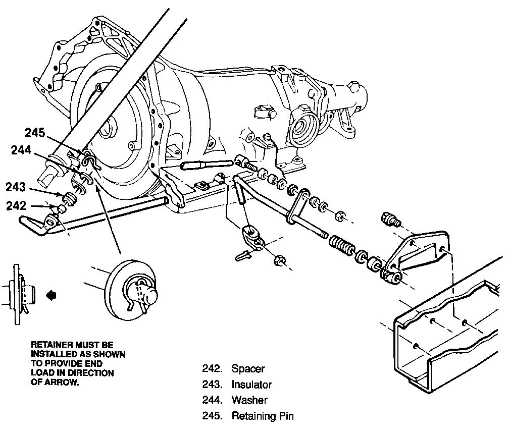
5. Remove retainer clip item (#245) with a small screwdriver or needle nose pliers and discard clip.

6. Replace with new retainer clip, P/N 15553615, making sure that the washer and retaining clip (#245) are installed as shown in the illustration.

7. Place the gear selector in the Park position.

8. Reconnect negative battery cable.

9. Install Campaign Identification Label.

CAMPAIGN IDENTIFICATION LABEL

Each vehicle corrected in accordance with the instructions outlined in this PrQduct Campaign Bulletin will require a "Campaign Identification Label." Each label provides a space to include the five (5) digit dealer code of the dealer performing the campaign service. This information may be inserted with a typewriter or a ball point pen.

Each "Campaign Identification Label" is to be located on the radiator core support in an area which will be visible when the vehicle is brought in for periodic servicing by the owner. Apply "Campaign Identification Label" only on a clean dry surface.

CLAIM INFORMATION

Submit a Product Campaign Claim with the information indicated below:

* Failed Parts Labor Lab Oth Repair Performed PC Part No. Allow FC Op Hrs Hrs ---------------- -- --------- ----- -- -- --- ---

Install Retainer 1 15553615 ** 00 V5330 0.2 0.1

* Campaign Administrative Allowance

** The "Parts Allowance" should be the sum total of the current GMSPO Dealer Net price plus 30% of all parts required for the repair.

Dealers will automatically receive the correct labor and material allowance based on the labor operation performed. Refer to the Chevrolet Claims Processing Manual for details on Product Campaign Claim submission.

Dear Chevrolet Owner:

This notice is sent to you in accordance with the requirements of the National Traffic and Motor Vehicle Safety Act.

REASON FOR THIS RECALL

General Motors has determined that a defect which relates to motor vehicle safety exists in certain 1989 M-Vans. These vehicles may have a loose retainer securing the automatic transmission control rod linkage to the steering column lower shift lever. This looseness may allow the retainer to disengage, resulting in a separation of the control rod from the lower shift lever. When this occurs, the shift indicator may not reflect the gear the transmission is in. In this situation, the driver could believe the transmission is in a forward gear when actually it is in reverse, or vise versa. Additionally, the engine could be started with the transmission in gear. Either of these conditions could lead to a vehicle crash without prior warning. WHAT WE WILL DO

To prevent the possibility of this condition occurring, we will install a new transmission linkage retainer on all involved vehicles. This service will be performed for you at no charge.

WHAT YOU SHOULD DO

Please contact your Chevrolet dealer as soon as possible to arrange a service date. Instructions for making this correction have been sent to your dealer. It is estimated that parts will be available on or about April 18, 1989. The labor time necessary to perform this service correction is approximately fifteen (15) minutes. Please ask your dealer if you wish to know how much additional time will be needed to schedule and process your vehicle.

Your Chevrolet dealer is best equipped to obtain parts and provide service to insure that your vehicle is corrected as promptly as possible. If, however, you take your vehicle to your dealer on the agreed service date, and they do not remedy this condition on that date or within five (5) days, we recommend you contact the Chevrolet Customer Assistance Center by calling 1-800-222-1020.

After contacting your dealer and the Customer Assistance Center, if you are still not satisfied that we have done our best to remedy this condition without charge and within a reasonable time, you may wish to write the Administrator, National Highway Traffic Safety Administration, 400 Seventh Street, S.W., Washington, D.C. 20590 or call 1-800-424-9393 (Washington D.C. residents use 366-0123).

The enclosed owner reply card identifies your vehicle. Presentation of this card to your dealer will assist in making the necessary correction in the shortest possible time. If you have sold or traded your vehicle, please let us know by completing the postage paid reply card and returning it to us.

We are sorry to cause you this inconvenience; however, we have taken this action in the interest of your safety and continued satisfaction with our products.


Object Number: 86884  Size: LF

General Motors bulletins are intended for use by professional technicians, not a "do-it-yourselfer". They are written to inform those technicians of conditions that may occur on some vehicles, or to provide information that could assist in the proper service of a vehicle. Properly trained technicians have the equipment, tools, safety instructions and know-how to do a job properly and safely. If a condition is described, do not assume that the bulletin applies to your vehicle, or that your vehicle will have that condition. See a General Motors dealer servicing your brand of General Motors vehicle for information on whether your vehicle may benefit from the information.