GM Service Manual Online
For 1990-2009 cars only

SMU - SEC. 8A-20 - ENGINE CONTROLS - OMITTED FROM

SUBJECT: SERVICE MANUAL UPDATE - SECTION 8A-20 - ENGINE CONTROLS - SECTION 8A-20 OMITTED FROM SERVICE MANUAL

MODELS: 1996 CHEVROLET AND GMC M/L MODELS

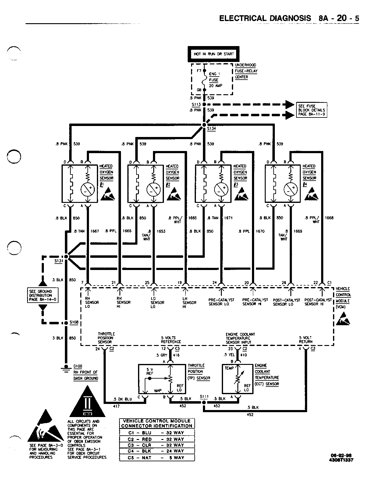
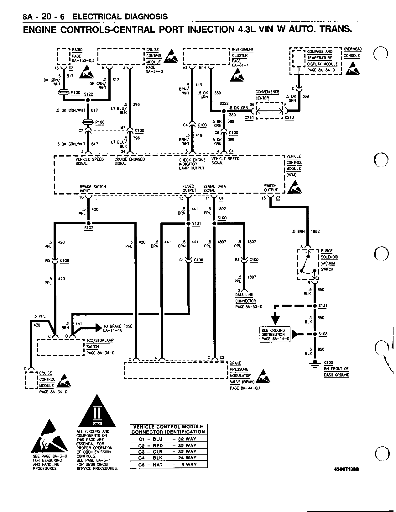
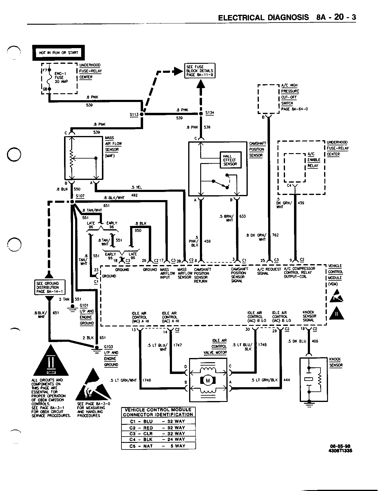
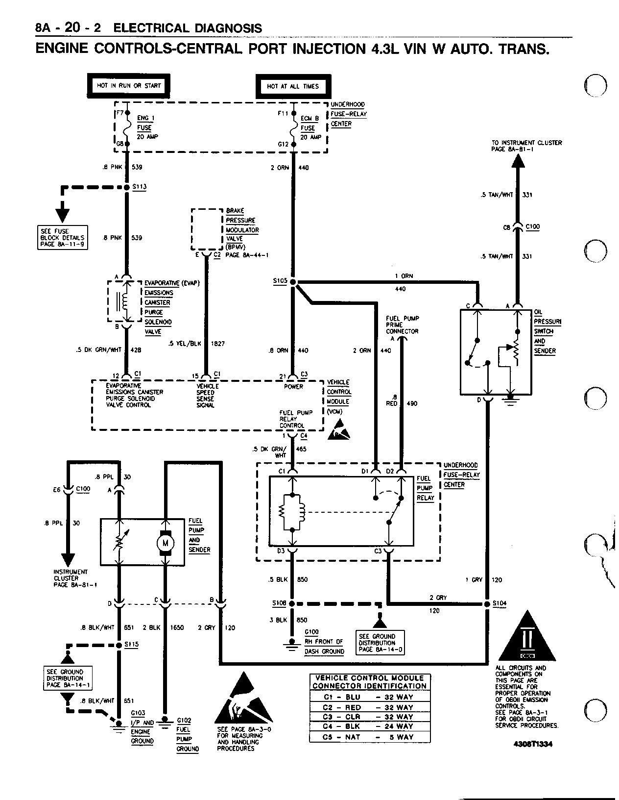
THIS BULLETIN IS BEING ISSUED TO INCLUDE SECTION 8A-20 (CENTRAL PORT INJECTION 4.3L VIN W W/AUTOMATIC TRANSMISSION) WHICH WAS OMITTED FROM THE 1996 M/L SERVICE MANUAL.

FIGURES: 00 ATTACHMENTS: 15


Object Number: 484351  Size: FS


Object Number: 484353  Size: FS


Object Number: 484355  Size: FS


Object Number: 484357  Size: FS


Object Number: 484359  Size: FS


Object Number: 484361  Size: FS


Object Number: 484363  Size: FS


Object Number: 484365  Size: FS


Object Number: 484367  Size: FS


Object Number: 484369  Size: FS


Object Number: 484371  Size: FS


Object Number: 484373  Size: FS


Object Number: 484375  Size: FS


Object Number: 484377  Size: FS


Object Number: 484379  Size: FS

GENERAL MOTORS BULLETINS ARE INTENDED FOR USE BY PROFESSIONAL TECHNICIANS, NOT A "DO-IT-YOURSELFER". THEY ARE WRITTEN TO INFORM THOSE TECHNICIANS OF CONDITIONS THAT MAY OCCUR ON SOME VEHICLES, OR TO PROVIDE INFORMATION THAT COULD ASSIST IN THE PROPER SERVICE OF A VEHICLE. PROPERLY TRAINED TECHNICIANS HAVE THE EQUIPMENT, TOOLS, SAFETY INSTRUCTIONS AND KNOW-HOW TO DO A JOB PROPERLY AND SAFELY. IF A CONDITION IS DESCRIBED, DO NOT ASSUME THAT THE BULLETIN APPLIES TO YOUR VEHICLE, OR THAT YOUR VEHICLE WILL HAVE THAT CONDITION. SEE A GENERAL MOTORS DEALER SERVICING YOUR BRAND OF GENERAL MOTORS VEHICLE FOR INFORMATION ON WHETHER YOUR VEHICLE MAY BENEFIT FROM THE INFORMATION.

COPYRIGHT 1998 GENERAL MOTORS CORPORATION. ALL RIGHTS RESERVED.