GM Service Manual Online
For 1990-2009 cars only
Makes
🢒
Chevrolet
🢒
1998
🢒
Astro - 2WD
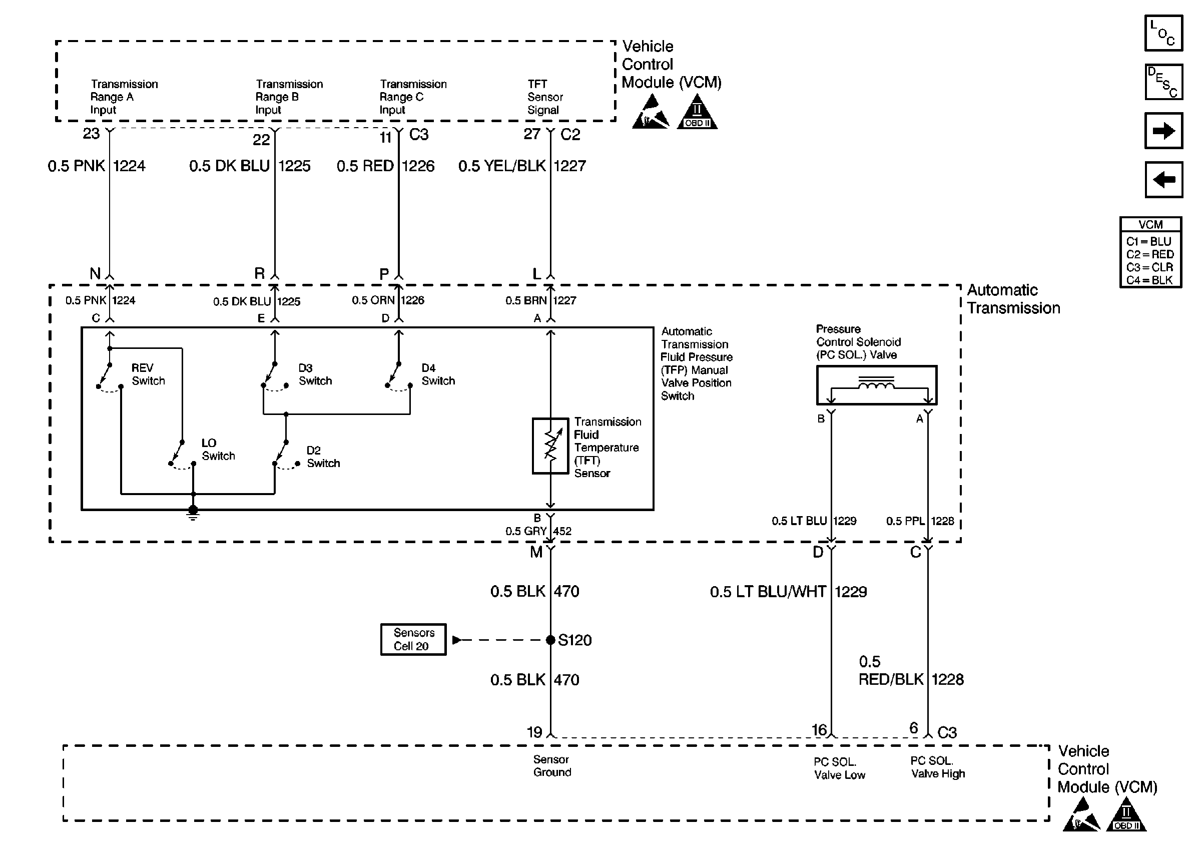
🢒 Transmission SwitchInput Controls
Transmission SwitchInput Controls
Transmission Switch Input Controls
Engine Controls Components
Electronic Component Description
A/C Compressor Controls
Transmission Shift Controls
Engine Controls Schematic Icons
Engine Controls Schematic Icons
Engine Controls Schematics