GM Service Manual Online
For 1990-2009 cars only
Makes
🢒
Chevrolet
🢒
1998
🢒
Astro - 2WD
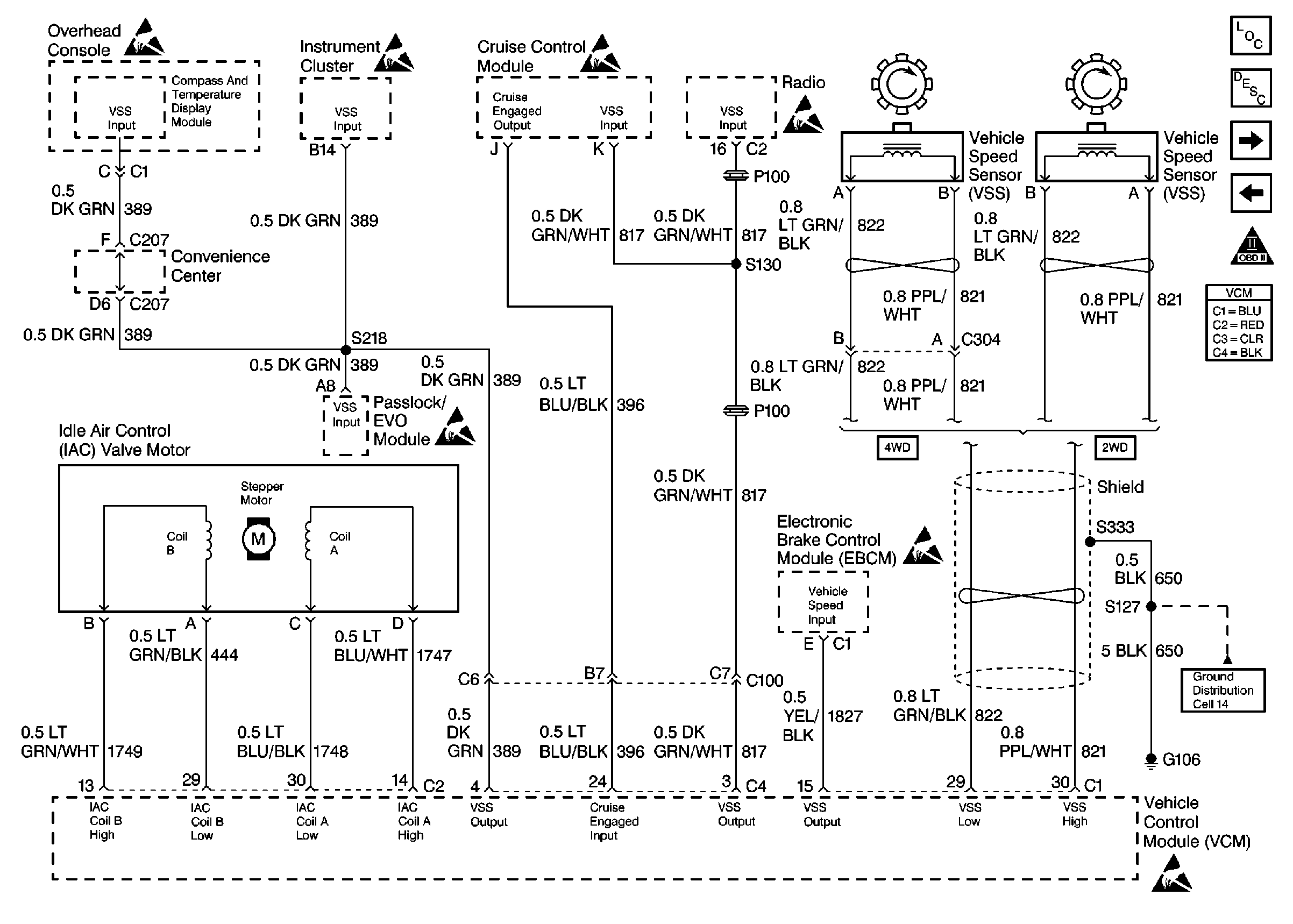
🢒 Speed and Cruise Controls
Speed and Cruise Controls
Speed & Cruise Controls
Engine Controls Components
Fuel Metering System Component Description
Transmission Shift Controls
Oxygen Sensor
Engine Controls Schematic Icons
Engine Controls Schematic Icons
Engine Controls Schematic Icons
Engine Controls Schematic Icons
Engine Controls Schematic Icons
Engine Controls Schematic Icons