GM Service Manual Online
For 1990-2009 cars only
Makes
🢒
Chevrolet
🢒
1999
🢒
Astro - 2WD
🢒
Engine
🢒
Engine Electrical
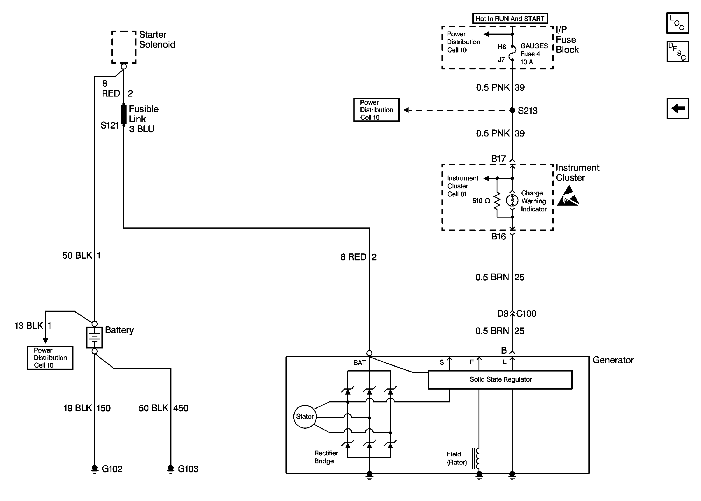
🢒 Starting and Charging Schematics
Figure
1:
Engine Electrical Starter
Engine Electrical Charging
Engine Electrical Components
Starting System Description
Ground Distribution Schematics
Power Distribution Schematics
Power Distribution Schematics
Power Distribution Schematics
Figure
2:
Engine Electrical Charging
Engine Electrical Components
Starting System Circuit Description
Engine Electrical Starter
Engine Controls Schematic Icons
Cell 81 (IP Fuse Block, Daytime Running Lamp Module, Park Brake Warning Switch, Convenience Center)
GAUGES, AIR BAG Fuses
GAUGES, AIR BAG Fuses
B+ Bus