GM Service Manual Online
For 1990-2009 cars only
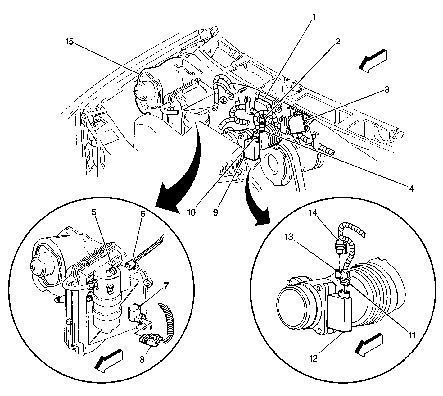
Figure 1:

Engine/Center of Front Dash Wiring (Electrical)


Object Number: 374536  Size: LF
(1)Cruise Control Module
(2)Intake Manifold Air Temperature Sensor Connector
(3)Wiper Motor Module Front
(4)Intake Manifold Air Temperature Sensor
(5)A/C Low Pressure Cut-Off Switch
(6)A/C Low Pressure Cut-Off Switch Connector
(7)Heater and A/C Control Valve Solenoid
(8)Heater and A/C Control Valve Solenoid Connector
(9)Mass Air Flow Sensor
(10)Mass Air Flow Sensor Connector
(11)Mass Air Flow Sensor Connector
(12)Mass Air Flow Sensor
(13)Intake Manifold Air Temperature Sensor
(14)Intake Manifold Air Temperature Sensor Connector
(15)Blower Motor Front
Figure 2:

IP Wiring, RH Side (Electrical)


Object Number: 374537  Size: LF
(1)S232
(2)S231
(3)S230
(4)S241
(5)S229
(6)S223
(7)S224
(8)S227
(9)S228
(10)Temperature Control Motor Connector
(11)Temperature Control Motor
Figure 3:

HVAC Panel Wiring (Component)


Object Number: 281316  Size: SF
(1)Temperature Control Switch (Part of HVAC Control Module)
(2)Mode Switch (Part of HVAC Control Module)
(3)HVAC Control Module (with A/C)/Heater Control Module (without A/C)
(4)Rear Heater Switch Connector
(5)Rear Heater Switch
(6)Rear A/C Switch
(7)Rear A/C Switch Connector
(8)Rear Window Wiper/Washer Switch
(9)Radio
(10)Instrument Cluster
(11)Rear Defogger Switch
(12)Fan Switch (Part of HVAC Control Module)
Figure 4:

A/C Wiring Rear


Object Number: 374534  Size: LF
(1)A/C Resistor Pack Rear Connector
(2)A/C Resistor Pack Rear
(3)G404
(4)A/C Blower Motor Rear
(5)A/C Blower Motor Rear Ground Connector
(6)A/C Blower Motor Rear Power Connector