GM Service Manual Online
For 1990-2009 cars only

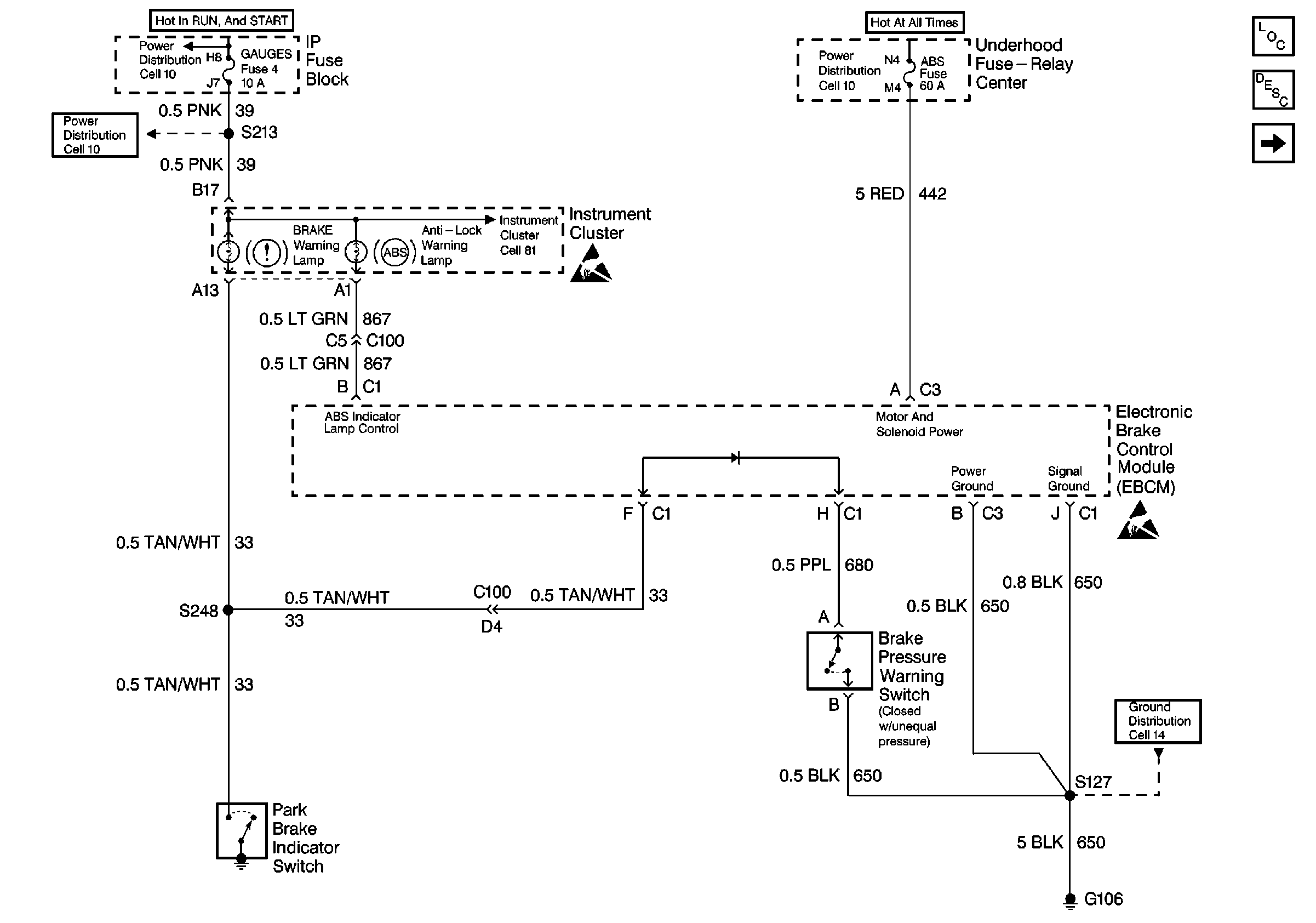
Antilock Brake System Schematics Non VE1

Figure 1:

EBCM Ground Supply and Controls


Object Number: 363733  Size: FS
ABS Components
ABS Description
EBCM Power Supply and Communication
Antilock Brake System Schematic Icons
Antilock Brake System Schematic Icons
Antilock Brake System Schematic Icons
GAUGES, AIR BAG Fuses
GAUGES, AIR BAG Fuses
Cell 14 (G108, G106, G101)
Cell 14 (G110)
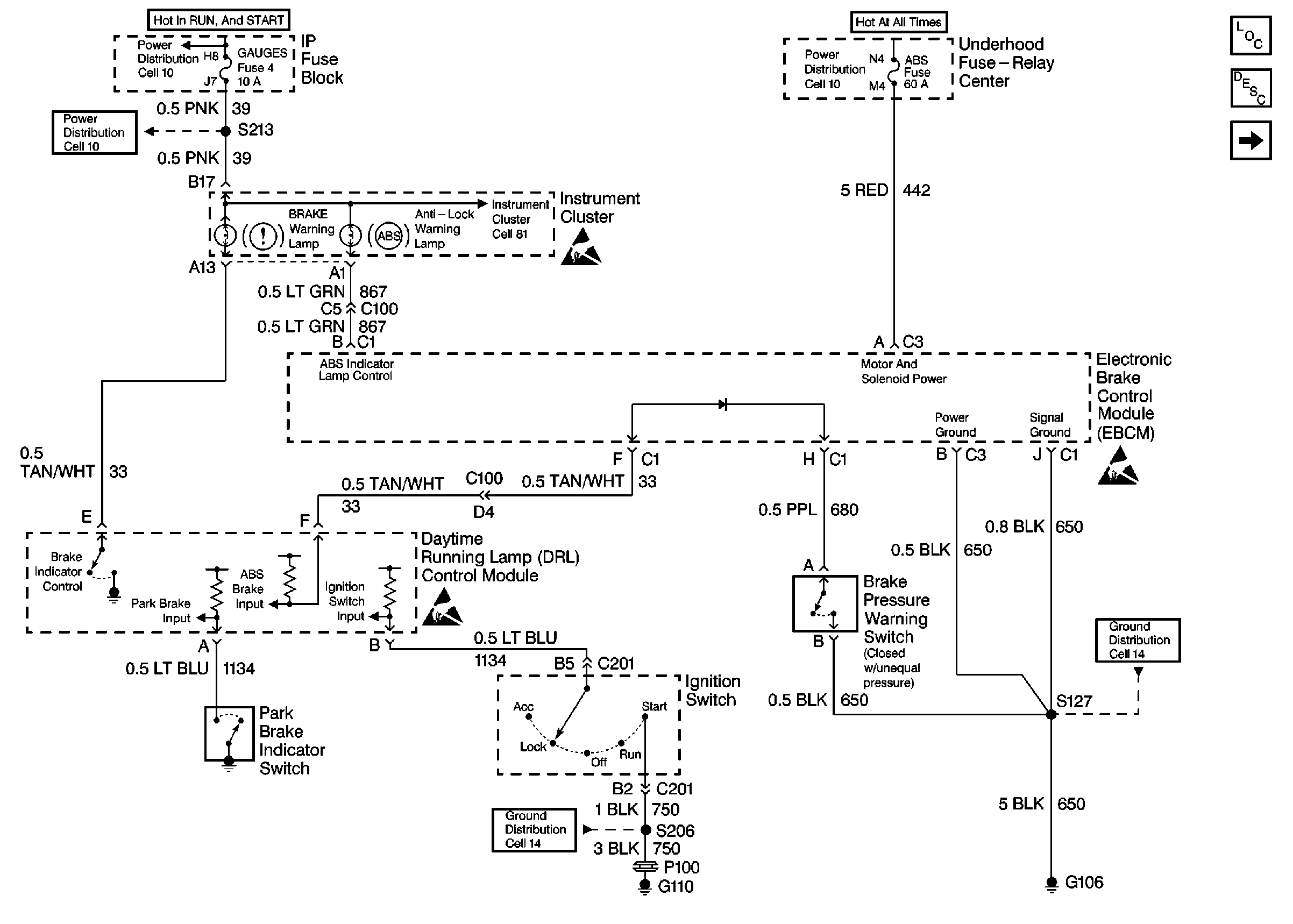
Figure 2:

EBCM Power Supply and Communication


Object Number: 363738  Size: FS
ABS Components
ABS Description
EBCM Ground Supply and Controls
Cell 34 Cruise Control
Transmission Shift Controls
Cell 14 (G108, G106, G101)
Handling ESD Sensitive Parts Notice
Handling ESD Sensitive Parts Notice
Handling ESD Sensitive Parts Notice

Antilock Brake System Schematics VE1

Figure 1:

EBCM Ground Supply and Controls (Japan)


Object Number: 511104  Size: FS
ABS Components
ABS Description
EBCM Power Supply and Communication
GAUGES, AIR BAG Fuses
GAUGES, AIR BAG Fuses
B+ Bus, Ignition Switch, Run Bus
Cell 81 (IP Fuse Block, Daytime Running Lamp Module, Park Brake Warning Switch, Convenience Center)
Handling ESD Sensitive Parts Notice
Handling ESD Sensitive Parts Notice
Cell 14 (G108, G106, G101)
Figure 2:

EBCM Power Supply and Communication


Object Number: 363738  Size: FS
ABS Components
ABS Description
EBCM Ground Supply and Controls (Japan)
Cell 34 Cruise Control
Transmission Shift Controls
Cell 14 (G108, G106, G101)
Handling ESD Sensitive Parts Notice
Handling ESD Sensitive Parts Notice
Handling ESD Sensitive Parts Notice