GM Service Manual Online
For 1990-2009 cars only
Makes
🢒
Chevrolet
🢒
1999
🢒
Astro - 2WD
🢒
Body and Accessories
🢒
Lighting Systems
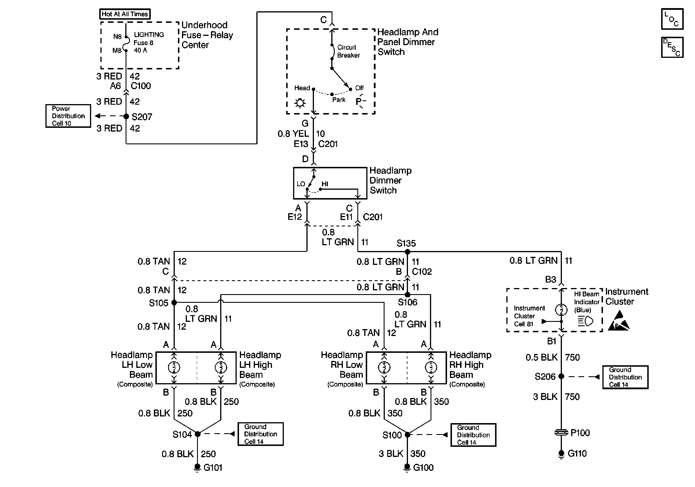
🢒 Headlights Schematics
Lighting Systems Components
Headlights Circuit Description VE1
B+ Bus
Cell 14 (G108, G106, G101)
Cell 14 (G102, G103, G100)
Cell 81 (IP Fuse Block, Park/Neutral Position and Backup Lamp Switch, Headlamp and Panel Dimmer Switch)
Cell 14 (G110)