GM Service Manual Online
For 1990-2009 cars only
Makes
🢒
Chevrolet
🢒
1999
🢒
Astro - 2WD
🢒
Body and Accessories
🢒
Horns
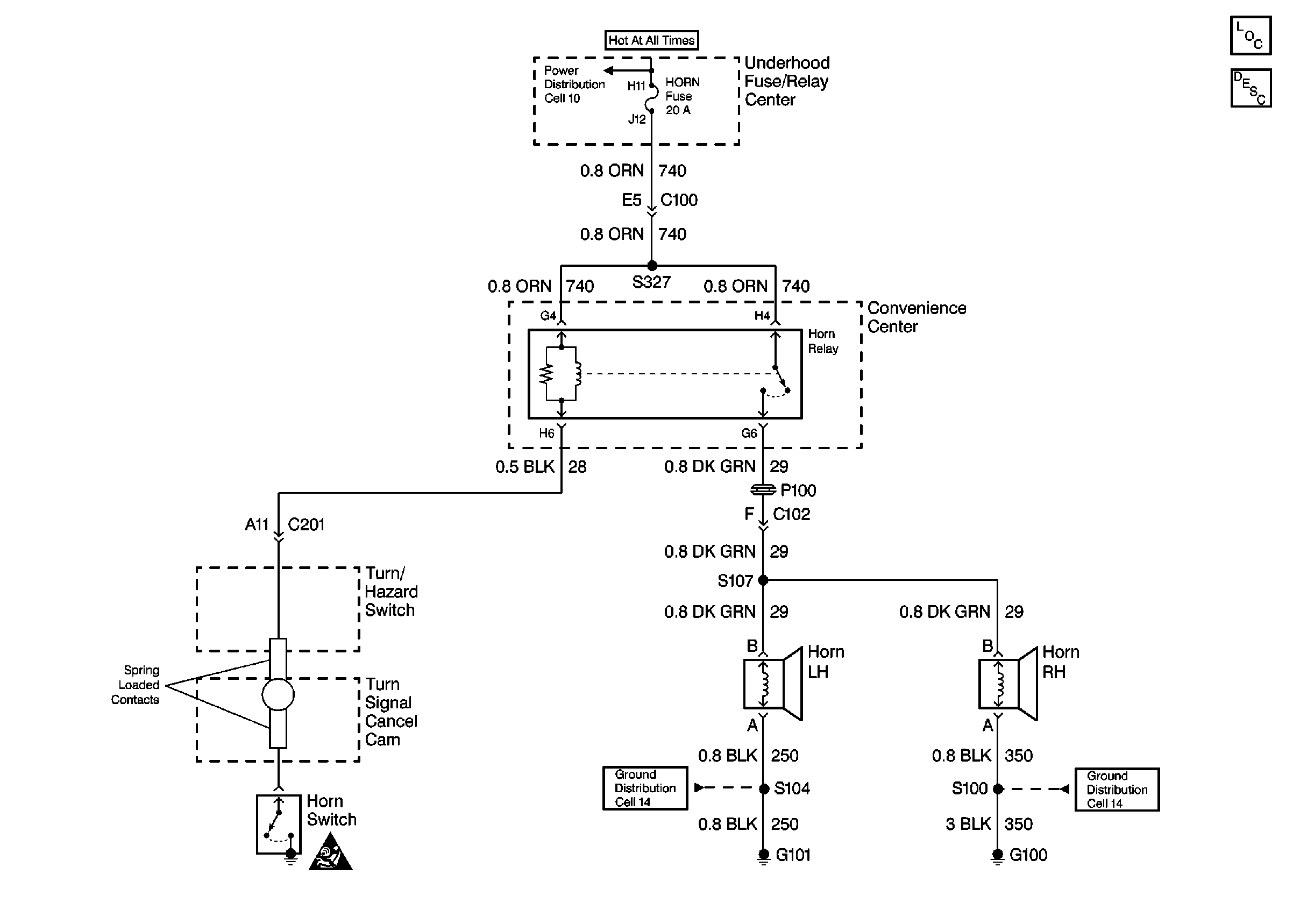
🢒 Horn Schematics
Cell 140 Horns
Horns Components
Horns Circuit Description
B+ Bus
Cell 14 (G102, G103, G100)
Cell 14 (G108, G106, G101)
Horn Schematic Icons