GM Service Manual Online
For 1990-2009 cars only
Makes
🢒
Chevrolet
🢒
1999
🢒
Astro - 2WD
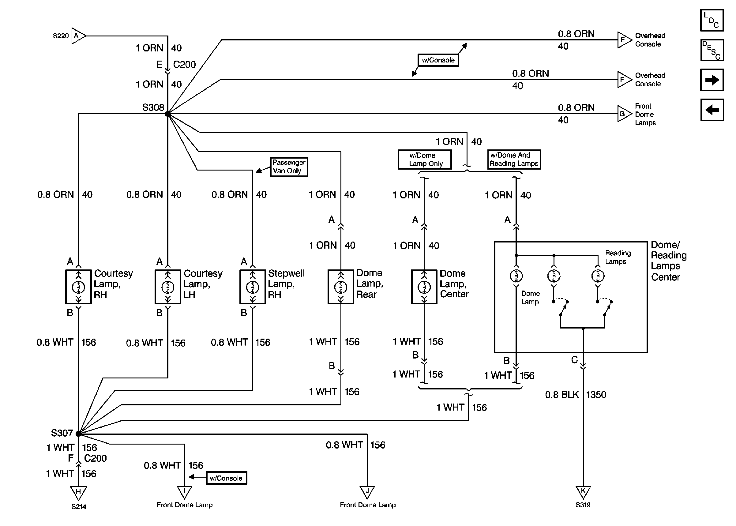
🢒 Cell 114 (Center Dome/Reading Lamps, RH Courtesy Lamp, Rear Dome Lamp)
Cell 114 (Center Dome/Reading Lamps, RH Courtesy Lamp, Rear Dome Lamp)
Cell 114 (Center Dome/Reading Lamps, RH Courtesy Lamp, Rear Dome Lamp)
Lighting Systems Components
Interior Lights Circuit Description
Cell 114 Front Dome/Reading Lamps, Front Dome Lamp, Overhead Console)
Cell 114 (Interior Lamp Control Module, Remote Control Door Lock Receiver, Rear Door Jamb)
Cell 114 (Compartment Lamp, Interior Lamp Control Module, Outside Rearview Mirror Control Switch)
Cell 114 Front Dome/Reading Lamps, Front Dome Lamp, Overhead Console)
Cell 114 Front Dome/Reading Lamps, Front Dome Lamp, Overhead Console)
Cell 114 Front Dome/Reading Lamps, Front Dome Lamp, Overhead Console)
Cell 114 (Interior Lamp Control Module, Remote Control Door Lock Receiver, Rear Door Jamb)
Cell 114 Front Dome/Reading Lamps, Front Dome Lamp, Overhead Console)
Cell 114 Front Dome/Reading Lamps, Front Dome Lamp, Overhead Console)
Cell 114 Front Dome/Reading Lamps, Front Dome Lamp, Overhead Console)