GM Service Manual Online
For 1990-2009 cars only
Makes
🢒
Chevrolet
🢒
2000
🢒
Astro - 2WD
🢒
HVAC
🢒
HVAC Systems - Manual
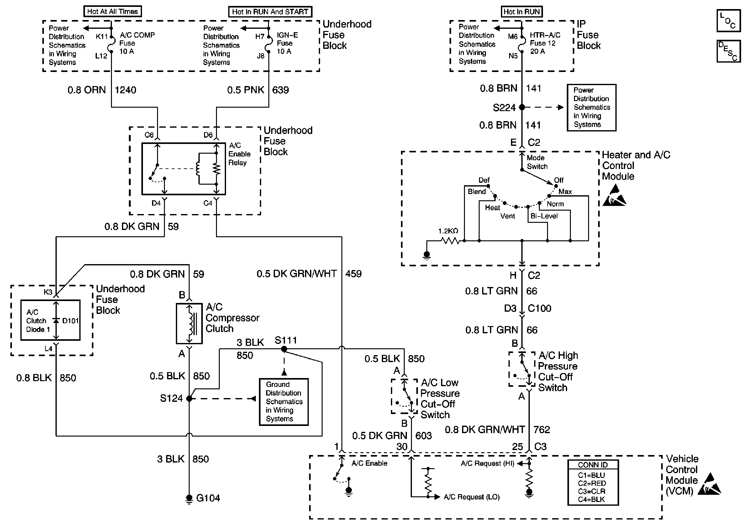
🢒 HVAC Compressor Control Schematics
HVAC Components
HVAC Compressor Controls Circuit Description
HTD MIR/RR DEFOG, A/C COMP, HORN, ECM-B Fuse
IGN-A Fuse and Ignition Switch
HTR-A/C Fuse 12, BRAKE Fuse 18 and CRUISE Fuse 6
HTR-A/C Fuse 12, BRAKE Fuse 18 and CRUISE Fuse 6
Handling ESD Sensitive Parts Notice
Handling ESD Sensitive Parts Notice
G104