GM Service Manual Online
For 1990-2009 cars only
Makes
🢒
Chevrolet
🢒
2000
🢒
Astro - 2WD
🢒
Body and Accessories
🢒
Lighting Systems
🢒 Headlights Schematics
Figure
1:
Headlamp and Panel Dimmer Switch, Ambient Light Sensor (VE1)
Lighting Systems Components
Headlights Circuit Description
Composite Headlamps (VE1)
BATT and LIGHTING Fuse
CTSY Fuse 3, PK LPS Fuse 9, TBC Fuse 15, and PWR MIR Fuse 21
CTSY Fuse 3, PK LPS Fuse 9, TBC Fuse 15, and PWR MIR Fuse 21
Composite Headlamps (VE1)
G101, G106 and G302
Lighting Systems Schematic Icons
G110 (1 of 2)
Turn/Hazard Switch and Flasher Module
Headlamp and Panel Dimmer Switch
Lighting Systems Schematic Icons
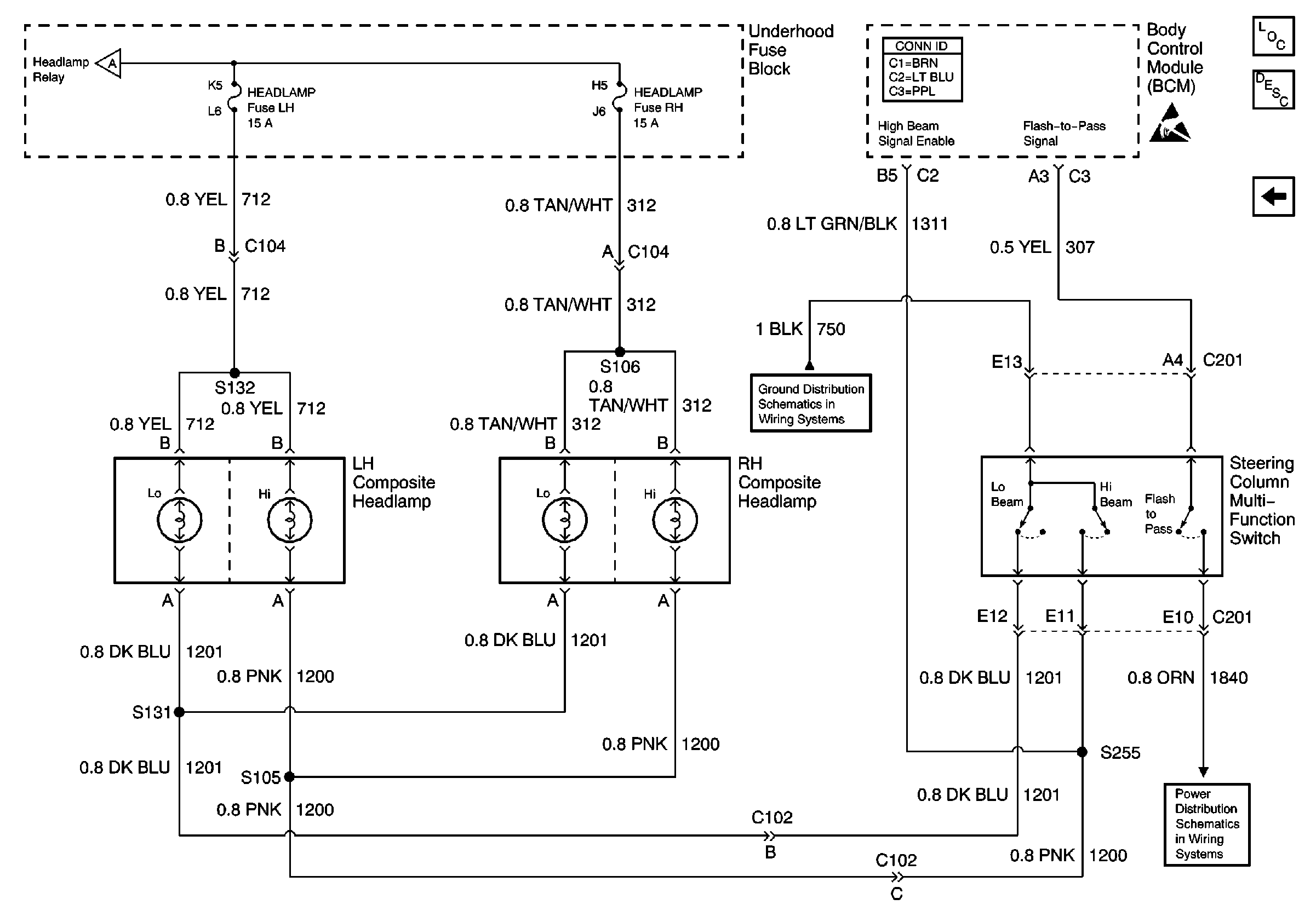
Figure
2:
Composite Headlamps (VE1)
Lighting Systems Components
Headlights Circuit Description
Headlamp and Panel Dimmer Switch, Ambient Light Sensor (VE1)
Headlamp and Panel Dimmer Switch, Ambient Light Sensor (VE1)
G110 (1 of 2)
CTSY Fuse 3, PK LPS Fuse 9, TBC Fuse 15, and PWR MIR Fuse 21
Lighting Systems Schematic Icons