GM Service Manual Online
For 1990-2009 cars only
Makes
🢒
Chevrolet
🢒
2000
🢒
Astro - 2WD
🢒
Body and Accessories
🢒
Wiring Systems
🢒 Data Link Connector Schematics
Figure
1:
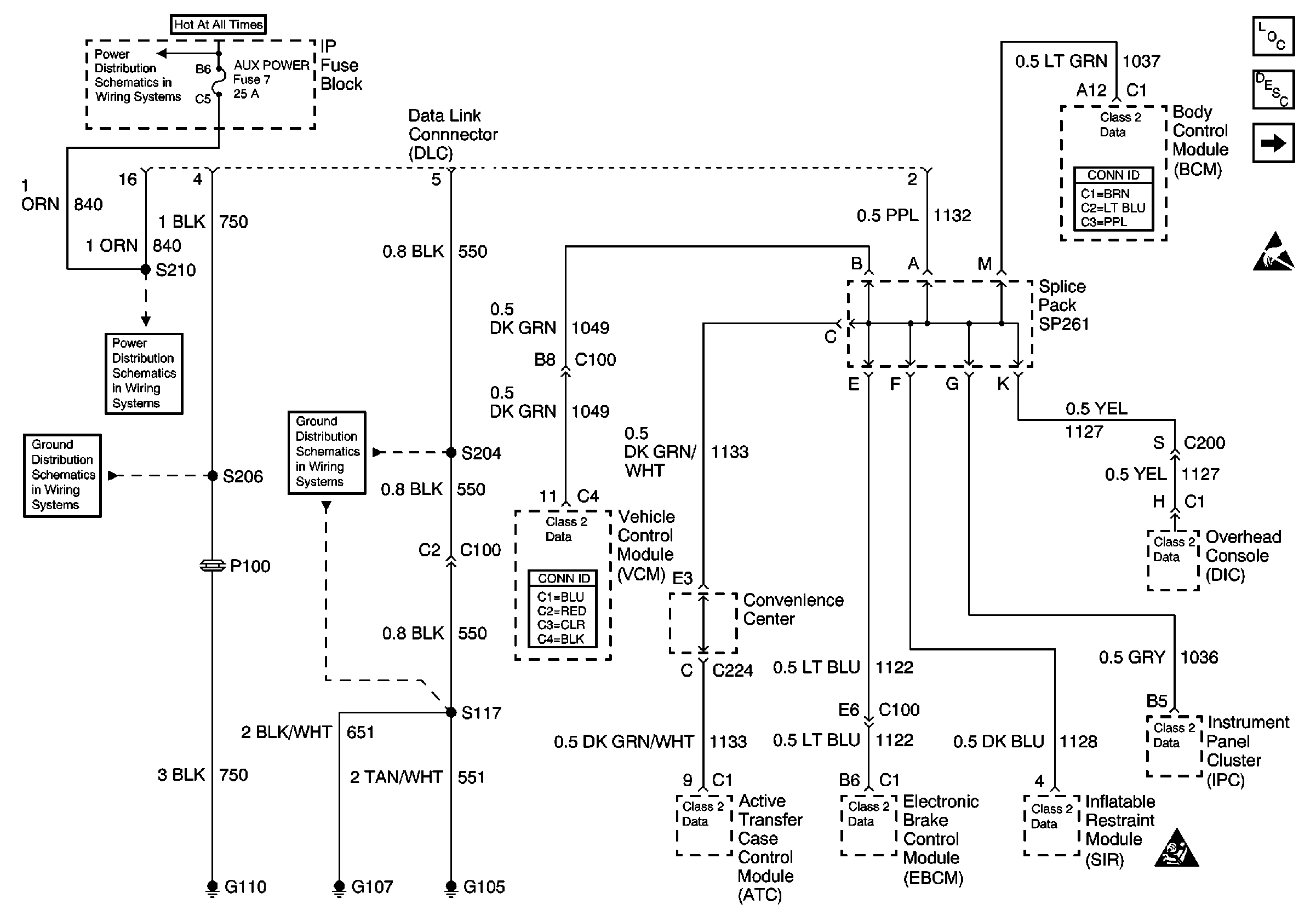
Data Link Schematics (1 of 2)
Data Link Communications Components
Data Link Communications Circuit Description
Data Link Schematics (2 of 2)
BATT and LIGHTING Fuse
STOP/HAZ Fuse 1 and AUX PWR Fuse 7
G110 (1 of 2)
G105 and G107
Data Link Communications Schematic Icons
Data Link Communications Schematic Icons
Figure
2:
Data Link Schematics (2 of 2)
Data Link Communications Components
Data Link Communications Circuit Description
Data Link Schematics (1 of 2)
Data Link Communications Schematic Icons