GM Service Manual Online
For 1990-2009 cars only
Figure 1:

Power Door Lock Schematics (1 of 4)


Object Number: 508781  Size: FS
Power Door Systems Components
Power Door Locks Circuit Description
Power Door Lock Schematics (2 of 4)
BATT and LIGHTING Fuse
CIG LTR Fuse 13, RADIO BATT Fuse 19 and CRANK Fuse 8
BATT and LIGHTING Fuse
G200 (1 of 2)
G200 (1 of 2)
Power Door Systems Schematic Icons
Power Door Lock Schematics (2 of 4)
Power Door Lock Schematics (2 of 4)
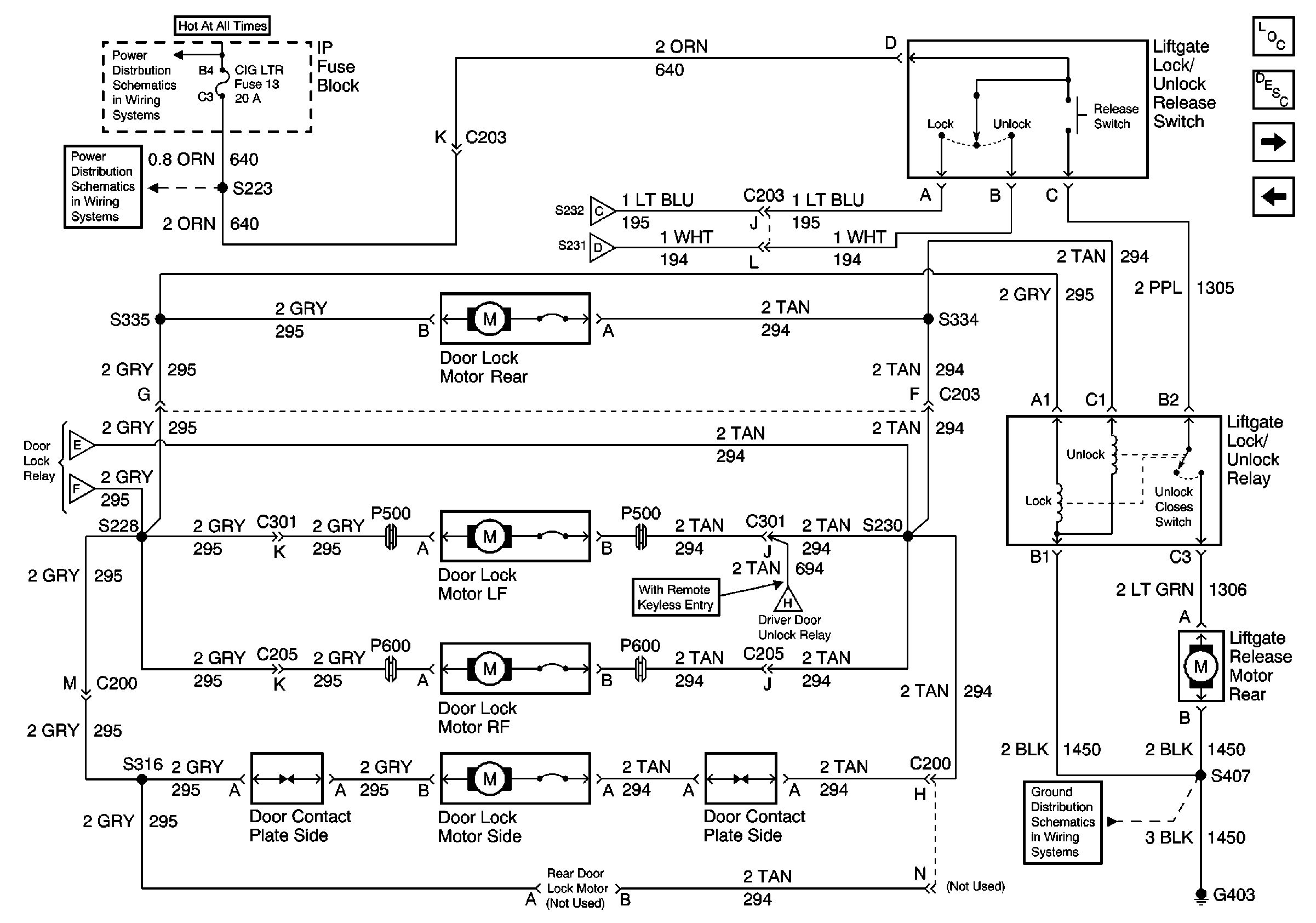
Power Door Lock Schematics (3 of 4)
Power Door Lock Schematics (3 of 4)
Power Door Lock Schematics (3 of 4)
Power Door Lock Schematics (3 of 4)
Figure 2:

Power Door Lock Schematics (2 of 4)


Object Number: 508786  Size: FS
Power Door Systems Components
Power Door Locks Circuit Description
Power Door Lock Schematics (3 of 4)
Power Door Lock Schematics (1 of 4)
Power Door Lock Schematics (1 of 4)
Power Door Lock Schematics (1 of 4)
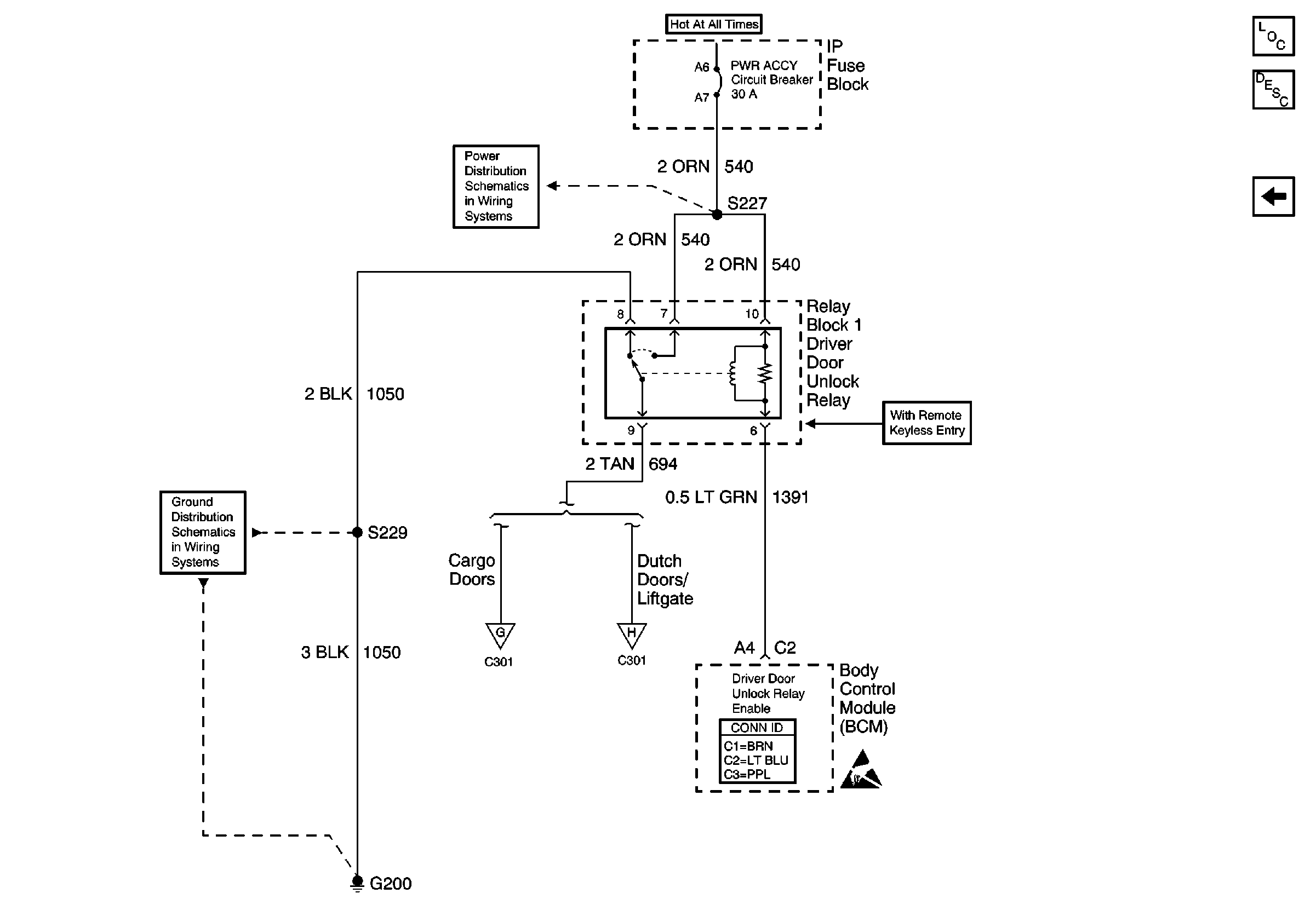
Power Door Lock Schematics (4 of 4)
Figure 3:

Power Door Lock Schematics (3 of 4)


Object Number: 508791  Size: FS
Power Door Systems Components
Power Door Locks Circuit Description
Power Door Lock Schematics (4 of 4)
Power Door Lock Schematics (2 of 4)
BATT and LIGHTING Fuse
CIG LTR Fuse 13, RADIO BATT Fuse 19 and CRANK Fuse 8
Power Door Lock Schematics (1 of 4)
Power Door Lock Schematics (1 of 4)
Power Door Lock Schematics (1 of 4)
Power Door Lock Schematics (1 of 4)
G300 and G403
Power Door Lock Schematics (4 of 4)
Figure 4:

Power Door Lock Schematics (4 of 4)


Object Number: 595275  Size: FS
Power Door Systems Components
Power Door Locks Circuit Description
Power Door Lock Schematics (3 of 4)
Power Door Systems Schematic Icons
PWR ACCY Circuit Breaker
G200 (1 of 2)
Power Door Lock Schematics (2 of 4)
Power Door Lock Schematics (3 of 4)