GM Service Manual Online
For 1990-2009 cars only
Makes
🢒
Chevrolet
🢒
2000
🢒
Astro - 2WD
🢒 Emission Controls
Emission Controls
Emission Controls
Engine Controls Components
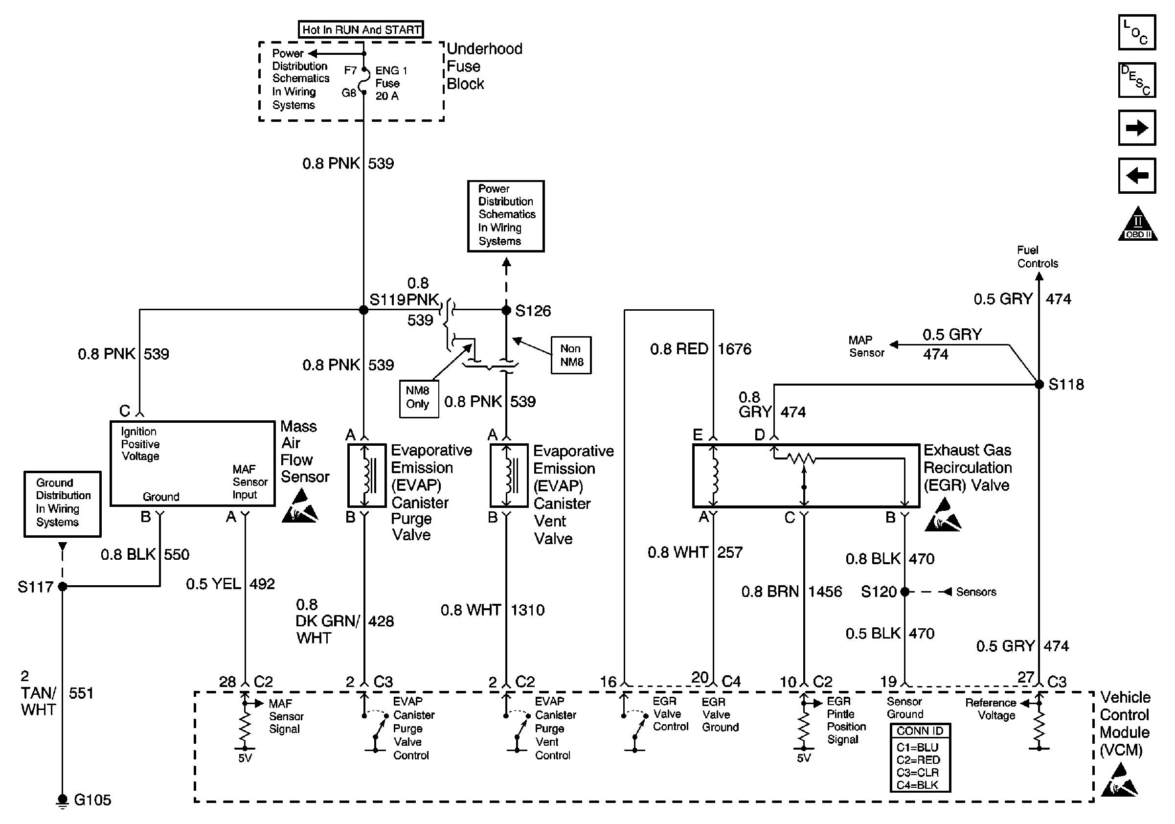
Exhaust Gas Recirculation (EGR) System Description
Oxygen Sensors
Fuel Mixture Input Controls
OBD II Symbol Description Notice
IGN-A Fuse and Ignition Switch
IGN-E and ENG-1 Fuse
Fuel Controls
Fuel Mixture Input Controls
G105 and G107
Handling ESD Sensitive Parts Notice
Handling ESD Sensitive Parts Notice
Fuel Mixture Input Controls
Handling ESD Sensitive Parts Notice