GM Service Manual Online
For 1990-2009 cars only
Figure 1:

Blower Controls w/o A/C Front


Object Number: 653863  Size: FS
Master Electrical Component List
Air Delivery Description and Operation
Blower Controls w/o A/C Rear
ING-B Fuse and Ignition Switch
HTR-A/C Fuse 12, BRAKE Fuse 18, and CRUISE Fuse 6
Battery and Underhood Fuse Block
G200
G100, G102 and G103
Figure 2:

Blower Controls w/o A/C Rear


Object Number: 654376  Size: FS
Master Electrical Component List
Air Delivery Description and Operation
Blower Controls w/ A/C Front
Blower Controls w/o A/C Front
ING-B Fuse and Ignition Switch
HTR-A/C Fuse 12, BRAKE Fuse 18, and CRUISE Fuse 6
Battery and Underhood Fuse Block
G104
Figure 3:

Blower Controls w/ A/C Front


Object Number: 653857  Size: FS
Master Electrical Component List
Air Delivery Description and Operation
Blower Controls w/ A/C Rear
Blower Controls w/o A/C Rear
ING-B Fuse and Ignition Switch
HTR-A/C Fuse 12, BRAKE Fuse 18, and CRUISE Fuse 6
Battery and Underhood Fuse Block
G200
G100, G102 and G103
Figure 4:

Blower Controls w/ A/C Rear


Object Number: 653859  Size: FS
Master Electrical Component List
Air Delivery Description and Operation
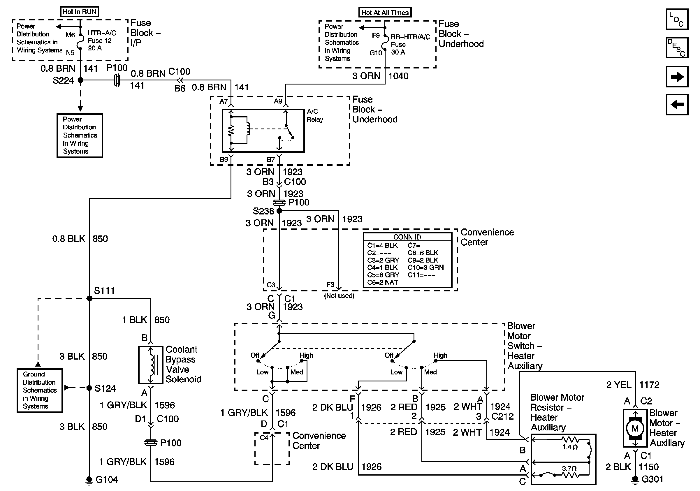
HVAC Blower Controls w/ A/C Rear
Blower Controls w/ A/C Front
ING-B Fuse and Ignition Switch
HTR-A/C Fuse 12, BRAKE Fuse 18, and CRUISE Fuse 6
Battery and Underhood Fuse Block
HVAC Blower Controls w/ A/C Rear
G104
Figure 5:

HVAC Blower Controls w/ A/C Rear


Object Number: 653860  Size: FS
Master Electrical Component List
Air Delivery Description and Operation
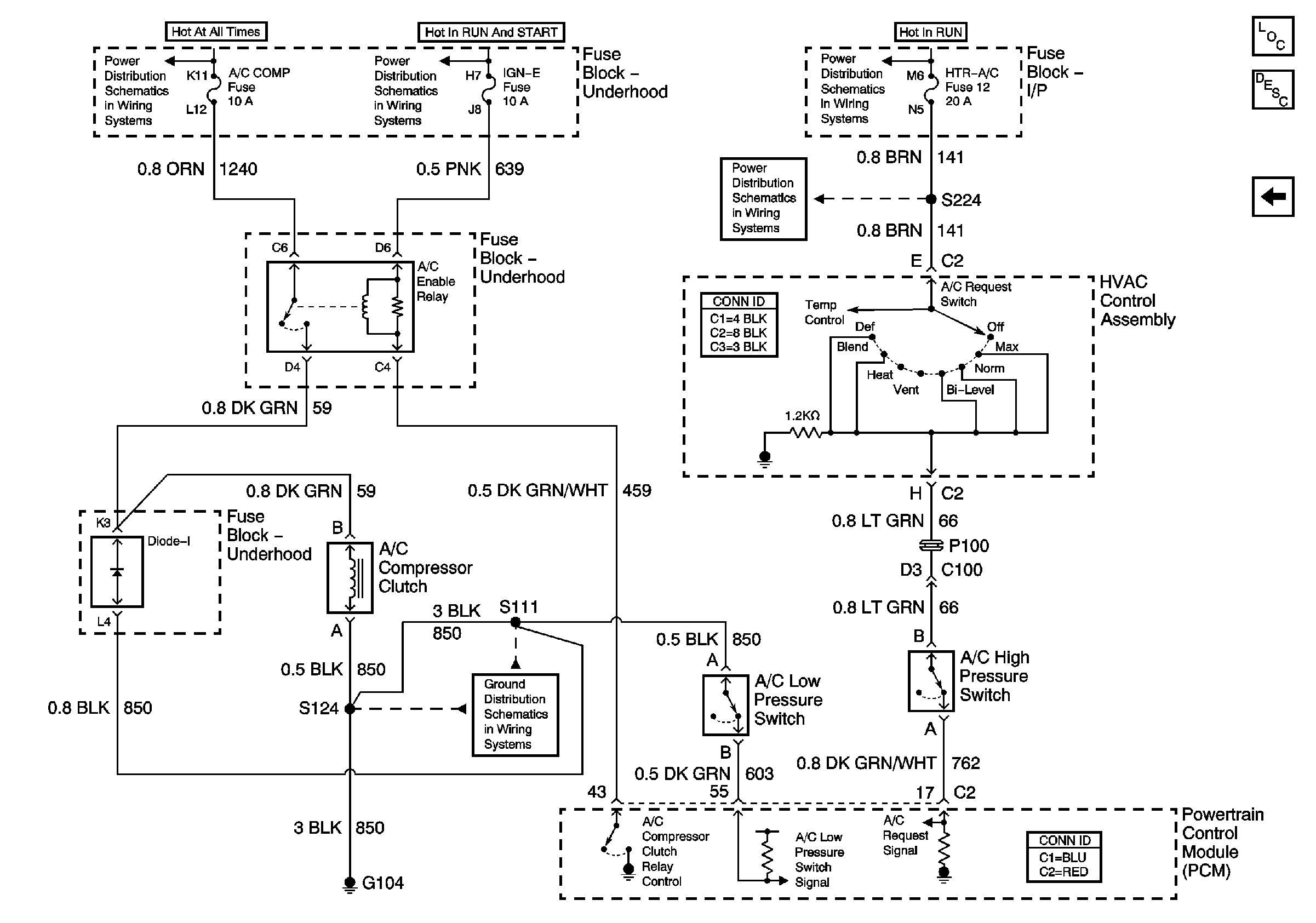
HVAC Compressor Controls
Blower Controls w/ A/C Rear
Blower Controls w/ A/C Rear
Figure 6:

HVAC Compressor Controls


Object Number: 654380  Size: FS
Master Electrical Component List
Air Delivery Description and Operation
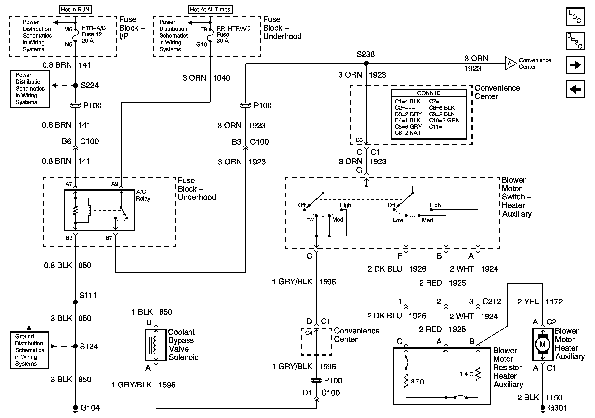
Air Delivery System
HVAC Blower Controls w/ A/C Rear
Battery and Underhood Fuse Block
ING-A Fuse and Ignition Switch
ING-B Fuse and Ignition Switch
HTR-A/C Fuse 12, BRAKE Fuse 18, and CRUISE Fuse 6
G104
Figure 7:

Air Delivery System


Object Number: 709724  Size: FS
Master Electrical Component List
Air Delivery Description and Operation
HVAC Compressor Controls