GM Service Manual Online
For 1990-2009 cars only
Makes
🢒
Chevrolet
🢒
2001
🢒
Astro - 2WD
🢒
Body and Accessories
🢒
Lighting Systems
🢒 Headlights/Daytime Running Lights (DRL) Schematics
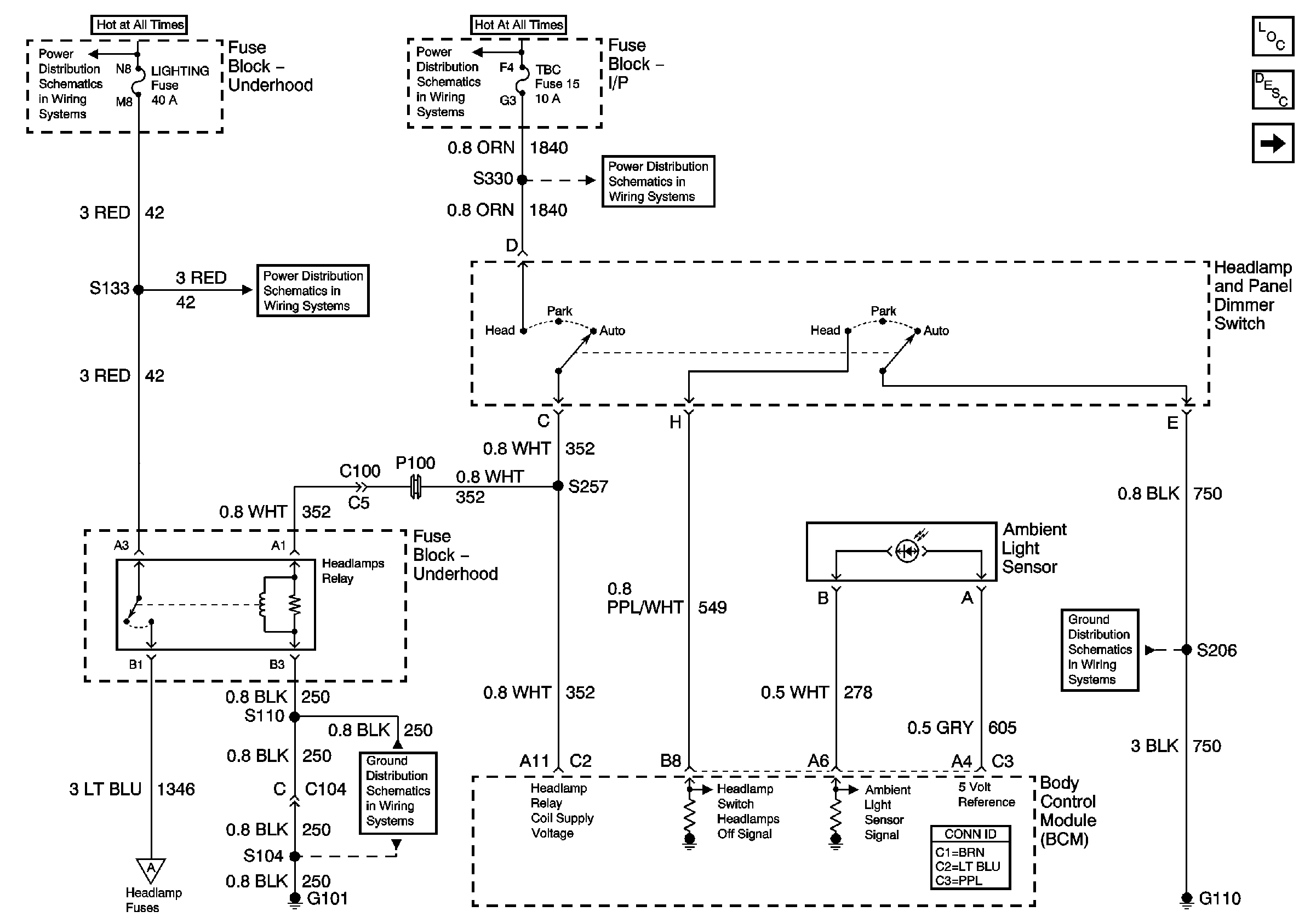
Figure
1:
Headlamp and Panel Dimmer Switch, Ambient Light Sensor
Master Electrical Component List
Exterior Lighting Systems Description and Operation
Sealed Beam Headlamps, Composite Headlamps
Battery and Underhood Fuse Block
G101, G106 and G302
G110 (1 of 2)
BATT and LIGHTING Fuse
Sealed Beam Headlamps, Composite Headlamps
BATT and LIGHTING Fuse
CTSY Fuse 3, PK LPS Fuse 9, TBC Fuse 15, and PWR MIR Fuse 21
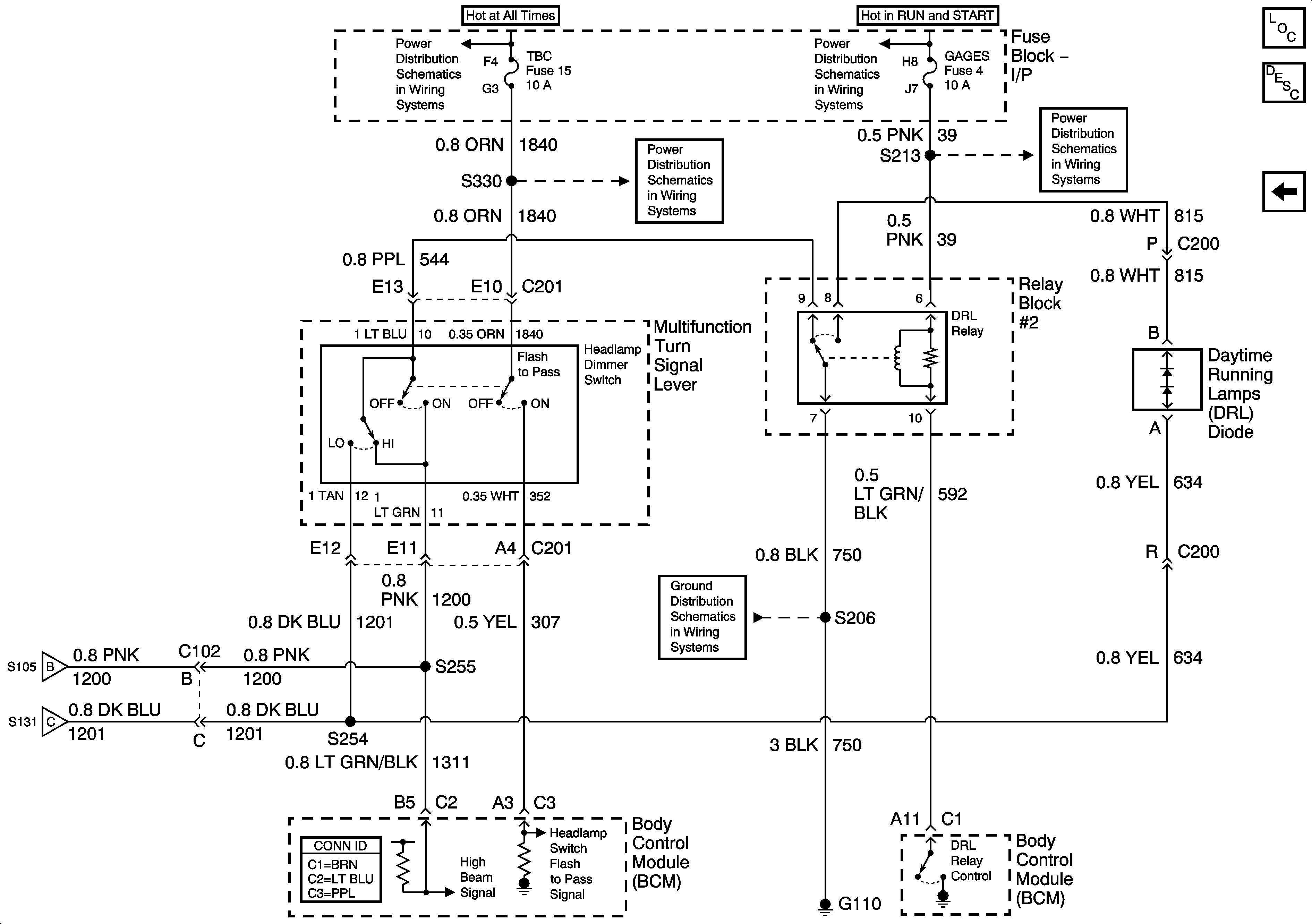
Figure
2:
Sealed Beam Headlamps, Composite Headlamps
Master Electrical Component List
Exterior Lighting Systems Description and Operation
DRL Relay and Diode D300
Headlamp and Panel Dimmer Switch, Ambient Light Sensor
Headlamp and Panel Dimmer Switch, Ambient Light Sensor
DRL Relay and Diode D300
DRL Relay and Diode D300
Figure
3:
DRL Relay and Diode D300
Master Electrical Component List
Exterior Lighting Systems Description and Operation
Sealed Beam Headlamps, Composite Headlamps
Sealed Beam Headlamps, Composite Headlamps
BATT and LIGHTING Fuse
CTSY Fuse 3, PK LPS Fuse 9, TBC Fuse 15, and PWR MIR Fuse 21
ING-A Fuse and Ignition Switch
G110 (1 of 2)
Sealed Beam Headlamps, Composite Headlamps
GAUGES Fuse 4, AIR BAG Fuse 10, and TURN-B/U Fuse 16