GM Service Manual Online
For 1990-2009 cars only
Makes
🢒
Chevrolet
🢒
2001
🢒
Astro - 2WD
🢒
Body and Accessories
🢒
Lighting Systems
🢒 Headlights Schematics
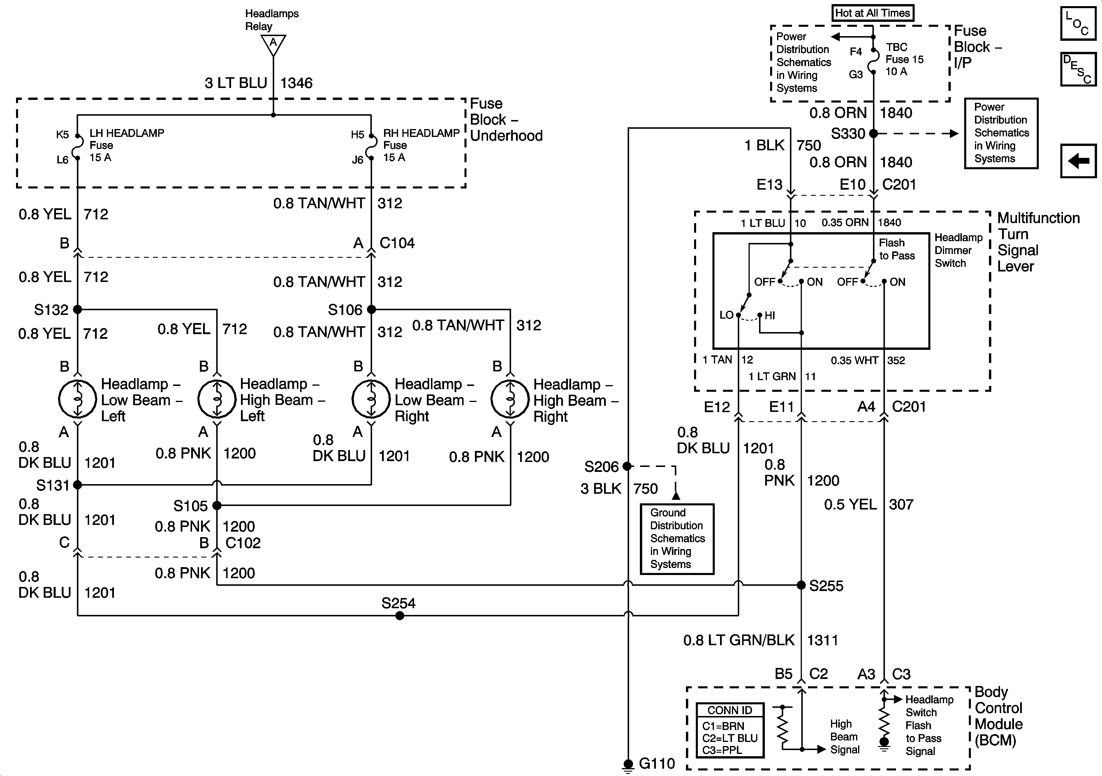
Headlights Schematics VE1 Export
Figure
1:
Headlamp and Panel Dimmer Switch, Ambient Light Sensor (VE1)
Master Electrical Component List
Exterior Lighting Systems Description and Operation
Composite Headlamps (VE1)
Composite Headlamps (VE1)
G101, G106 and G302
G110 (1 of 2)
Battery and Underhood Fuse Block
BATT and LIGHTING Fuse
BATT and LIGHTING Fuse
CTSY Fuse 3, PK LPS Fuse 9, TBC Fuse 15, and PWR MIR Fuse 21
Figure
2:
Composite Headlamps (VE1)
Master Electrical Component List
Exterior Lighting Systems Description and Operation
Headlamp and Panel Dimmer Switch, Ambient Light Sensor (VE1)
G110 (1 of 2)
CTSY Fuse 3, PK LPS Fuse 9, TBC Fuse 15, and PWR MIR Fuse 21
Headlamp and Panel Dimmer Switch, Ambient Light Sensor (VE1)
BATT and LIGHTING Fuse