GM Service Manual Online
For 1990-2009 cars only
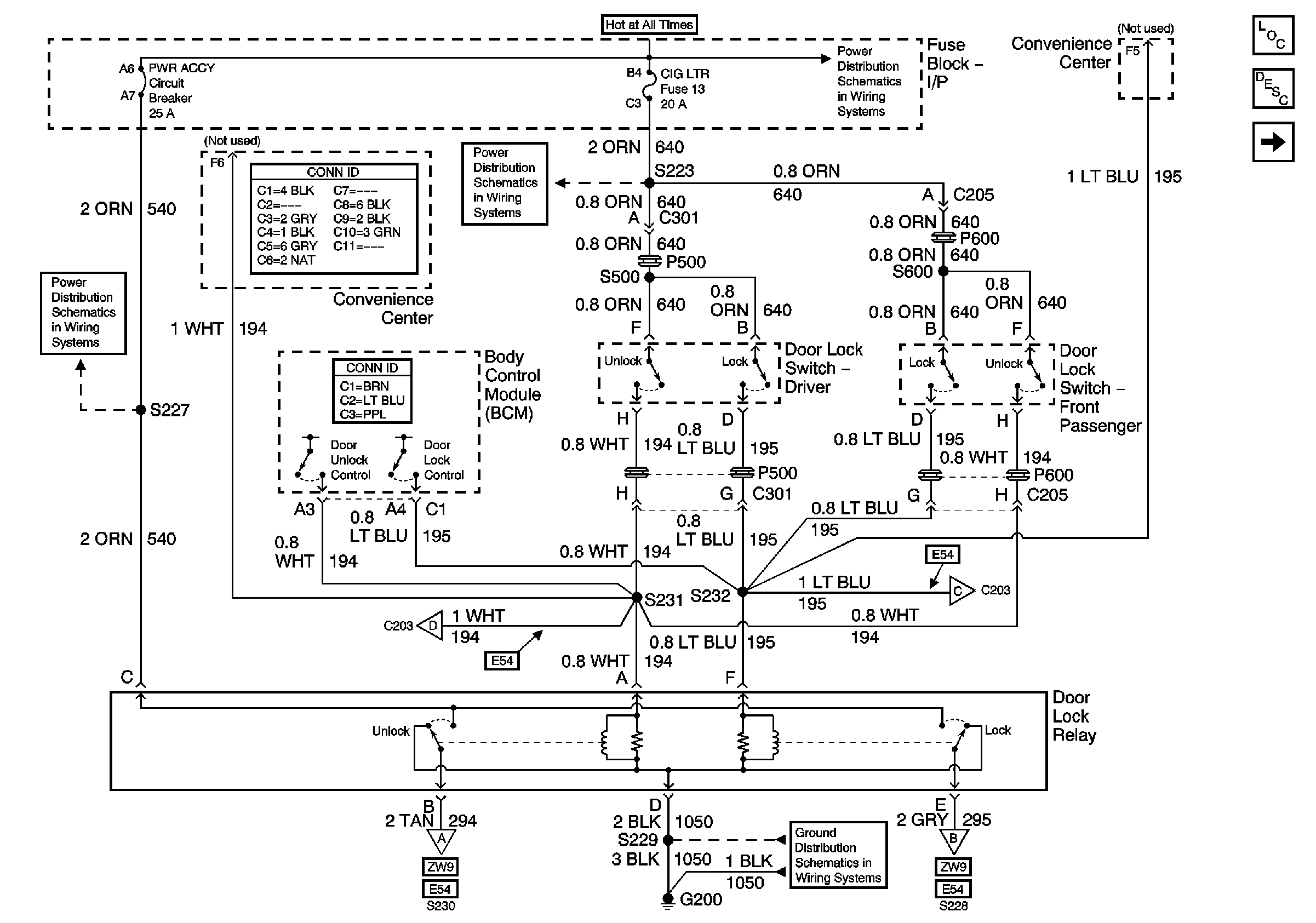
Figure 1:

Door Lock Switches and Door Lock Relay


Object Number: 634749  Size: FS
Master Electrical Component List
Power Door Locks Description and Operation
Door Lock Actuators (ZW9)
G200
Door Lock Actuators (E54)
Door Lock Actuators (E54)
Door Lock Actuators (E54)
Door Lock Actuators (E54)
BATT and LIGHTING Fuse
CIG LTR Fuse 13, RADIO BATT Fuse 19 and CRANK Fuse 8
PWR ACCY Circuit Breaker
Door Lock Actuators (ZW9)
Door Lock Actuators (ZW9)
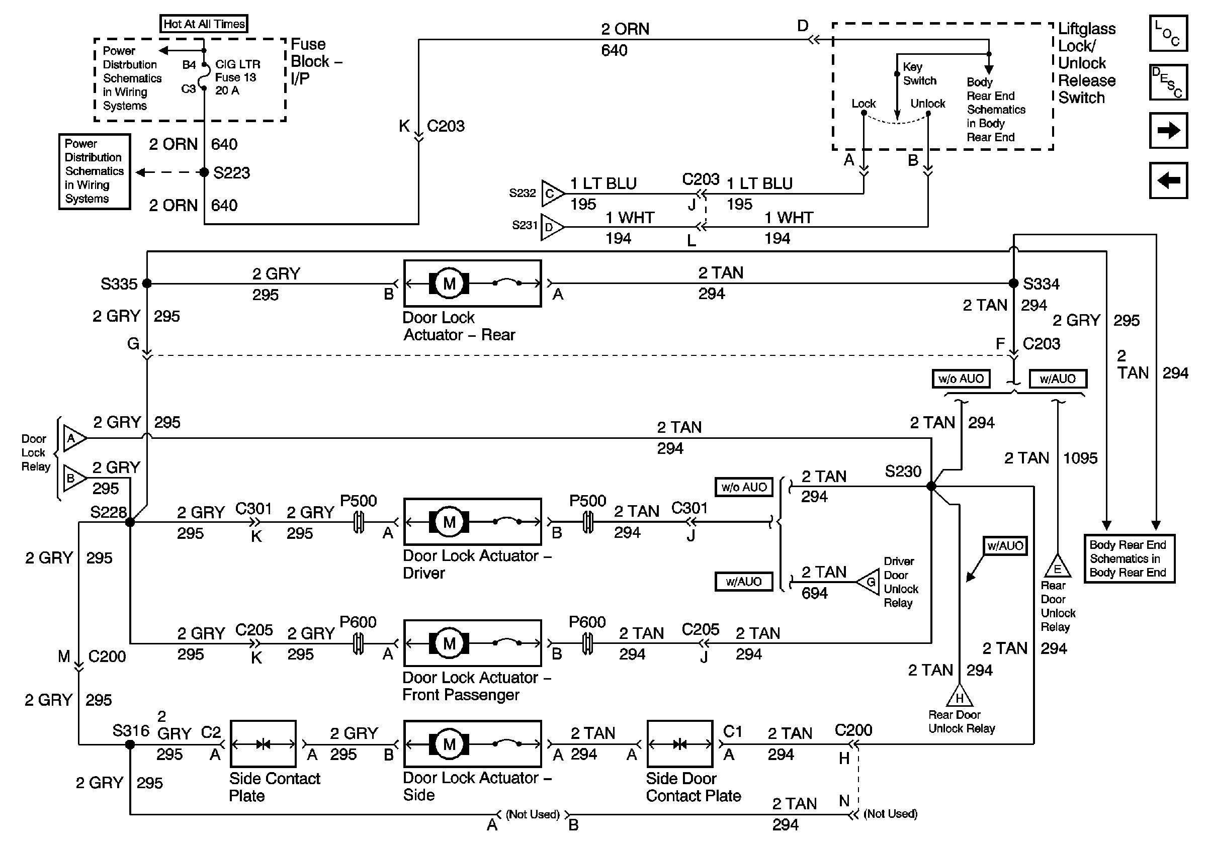
Figure 2:

Door Lock Actautors (ZW9)


Object Number: 634753  Size: FS
Power Door Locks Description and Operation
Master Electrical Component List
Door Lock Actuators (E54)
Door Lock Switches and Door Lock Relay
Door Lock Switches and Door Lock Relay
Door Lock Switches and Door Lock Relay
Keyless Entry Control
Keyless Entry Control
Keyless Entry Control
Figure 3:

Door Lock Actautors (E54)


Object Number: 634755  Size: FS
Master Electrical Component List
Power Door Locks Description and Operation
Keyless Entry Control
Door Lock Actuators (ZW9)
BATT and LIGHTING Fuse
CIG LTR Fuse 13, RADIO BATT Fuse 19 and CRANK Fuse 8
Door Lock Switches and Door Lock Relay
Door Lock Switches and Door Lock Relay
Door Lock Switches and Door Lock Relay
Door Lock Switches and Door Lock Relay
Rear Door Unlock Relay
Door Lock Switches and Door Lock Relay
Rear Door Unlock Relay
Keyless Entry Control
Keyless Entry Control
Keyless Entry Control
Figure 4:

Keyless Entry Control


Object Number: 634756  Size: FS
Master Electrical Component List
Power Door Locks Description and Operation
Door Lock Actuators (E54)
PWR ACCY Circuit Breaker
G200
Door Lock Actuators (E54)
Door Lock Actuators (ZW9)
Door Lock Actuators (E54)
Door Lock Actuators (ZW9)
Door Lock Actuators (E54)
Door Lock Actuators (ZW9)