GM Service Manual Online
For 1990-2009 cars only
Makes
🢒
Chevrolet
🢒
2001
🢒
Astro - 2WD
🢒
Body and Accessories
🢒
Doors
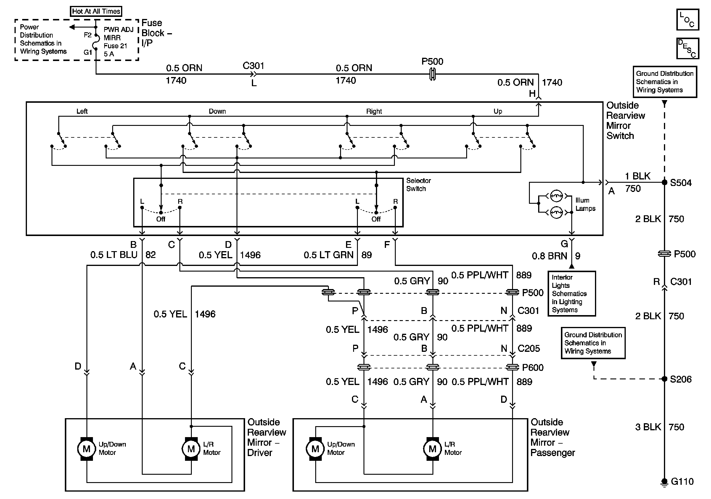
🢒 Outside Rearview Mirror Schematics
Master Electrical Component List
Outside Mirror Description and Operation
G110 (1 of 2)
Power Window Switches, Door Lock Switches
G110 (2 of 2)
BATT and LIGHTING Fuse