GM Service Manual Online
For 1990-2009 cars only
Figure 1:

Battery and Underhood Fuse Block


Object Number: 655518  Size: FS
Master Electrical Component List
BATT and LIGHTING Fuse
Figure 2:

BATT and LIGHTING Fuse


Object Number: 655519  Size: FS
Master Electrical Component List
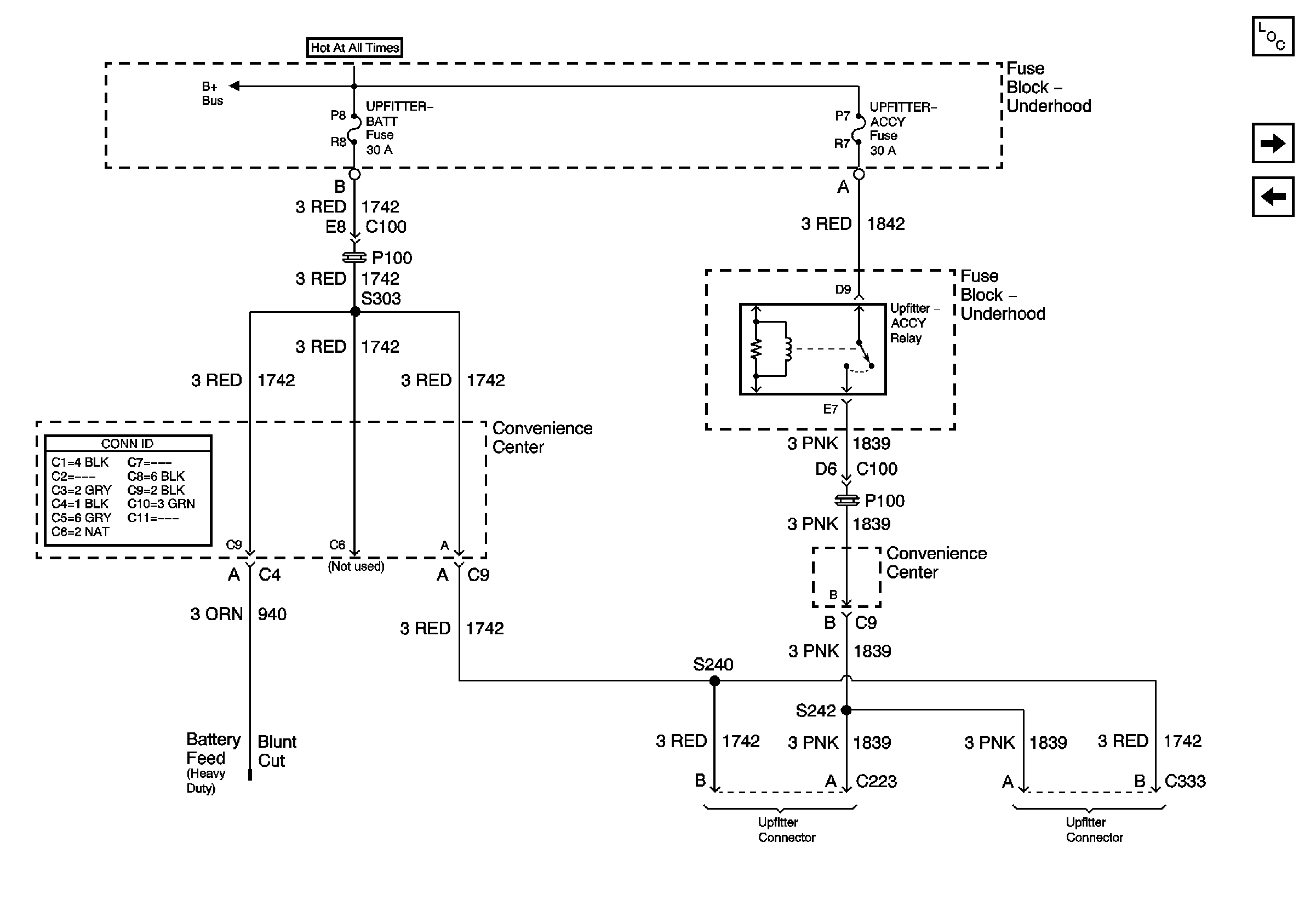
UPFITTER-BATT and UPFITTER-ACCY Fuse
Battery and Underhood Fuse Block
Battery and Underhood Fuse Block
Figure 3:

UPFITTER-BATT and UPFITTER-ACCY Fuse


Object Number: 655520  Size: FS
Battery and Underhood Fuse Block
Master Electrical Component List
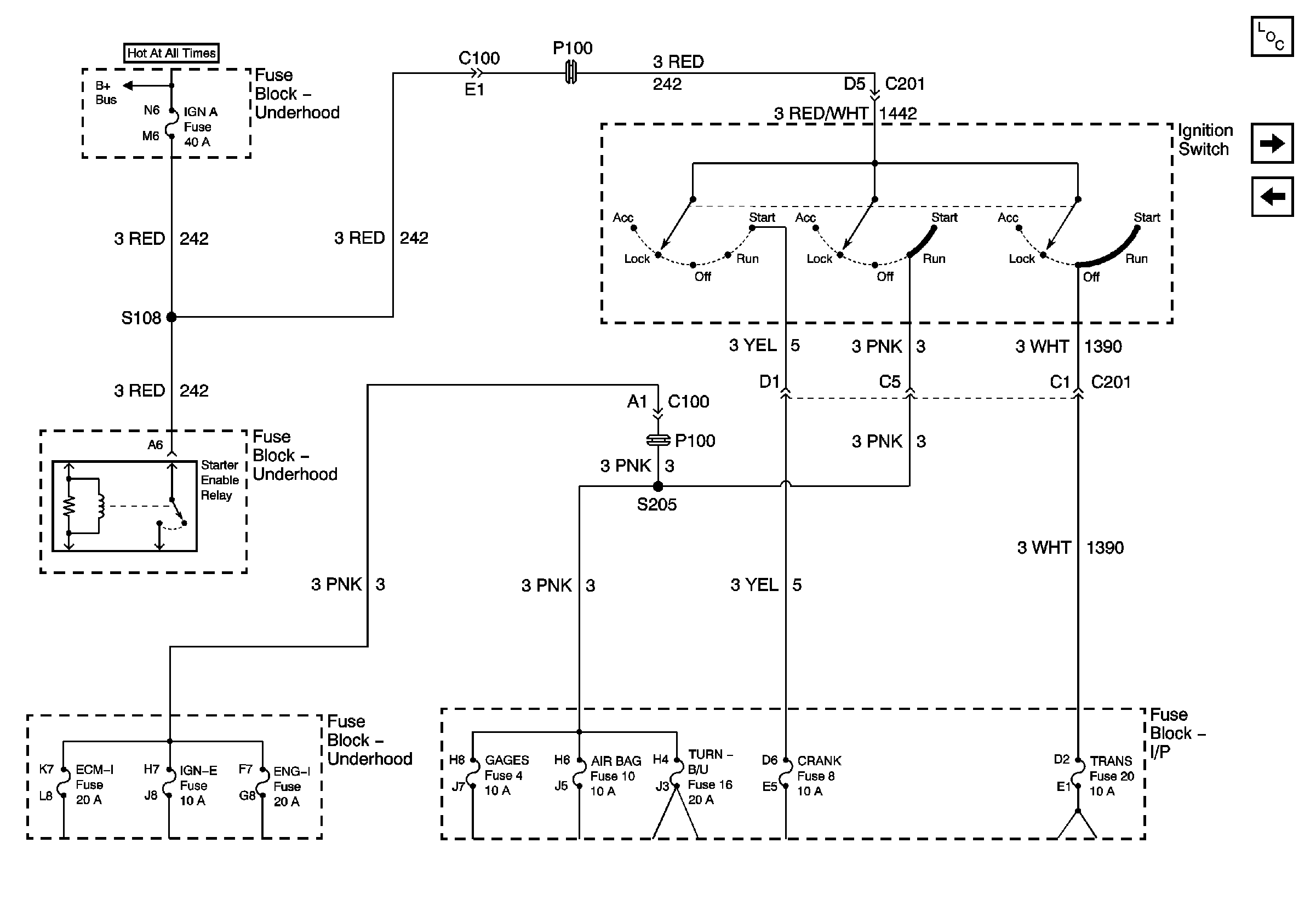
ING-A Fuse and Ignition Switch
BATT and LIGHTING Fuse
Figure 4:

ING-A Fuse and Ignition Switch


Object Number: 655521  Size: FS
Battery and Underhood Fuse Block
Master Electrical Component List
ING-B Fuse and Ignition Switch
UPFITTER-BATT and UPFITTER-ACCY Fuse
Figure 5:

ING-B Fuse and Ignition Switch


Object Number: 655523  Size: FS
Battery and Underhood Fuse Block
Master Electrical Component List
Headlamp Fuses
ING-A Fuse and Ignition Switch
Figure 6:

Headlamp Fuses


Object Number: 655527  Size: FS
Master Electrical Component List
HTD MIRR/ RR DEFOG, A/C COMP, HORN, ECM-B, ABS, RAP Fuse
ING-B Fuse and Ignition Switch
Figure 7:

HTD MIRR/ RR DEFOG, A/C COMP, HORN, ECM-B, ABS, RAP Fuse


Object Number: 655533  Size: FS
Battery and Underhood Fuse Block
Master Electrical Component List
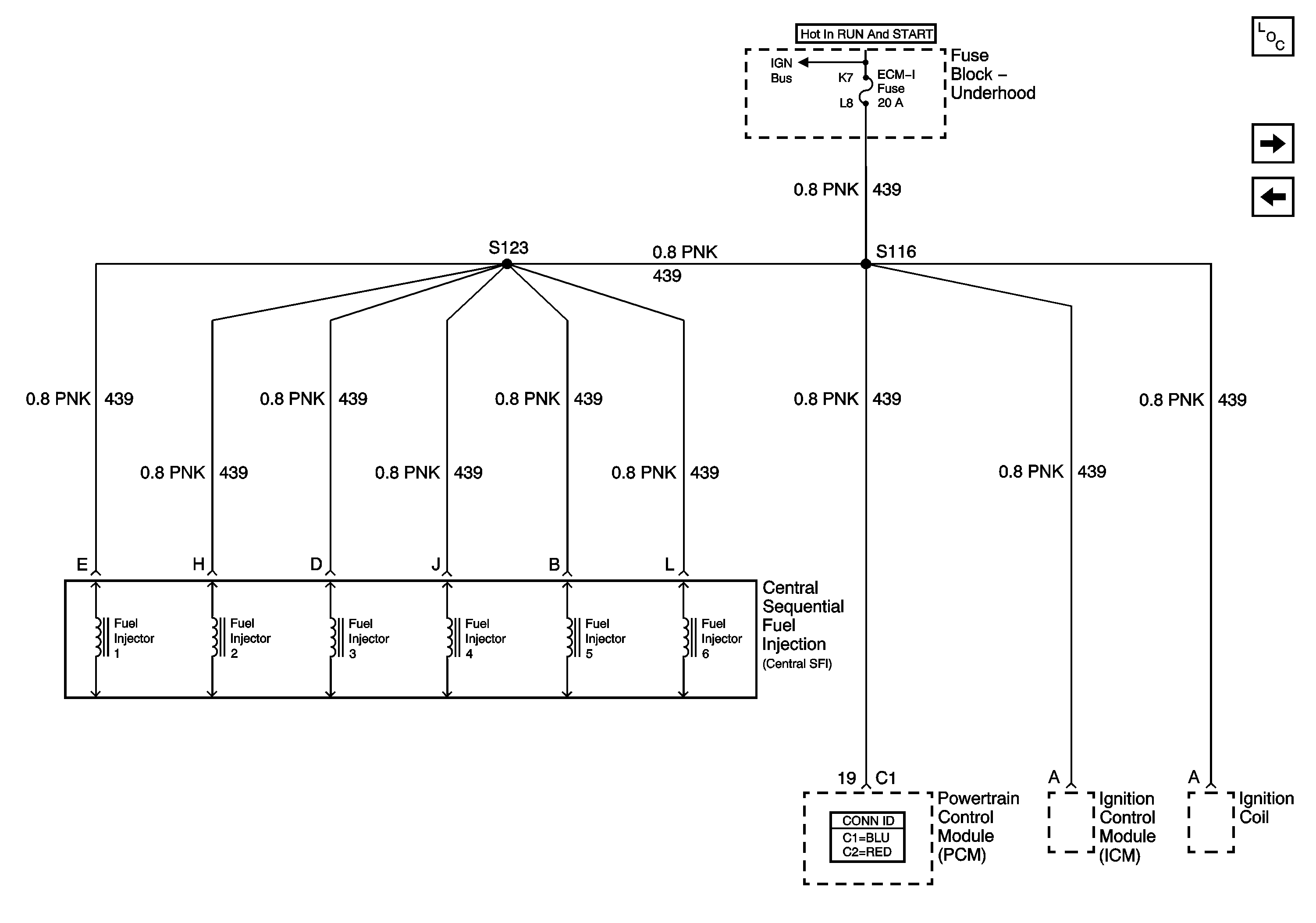
ECM-1 Fuse
Headlamp Fuses
Figure 8:

ECM-1 Fuse


Object Number: 655541  Size: FS
ING-A Fuse and Ignition Switch
Master Electrical Component List
ING-1 and ENG-1 Fuse
HTD MIRR/ RR DEFOG, A/C COMP, HORN, ECM-B, ABS, RAP Fuse
Figure 9:

ING-1 and ENG-1 Fuse


Object Number: 655543  Size: FS
ING-A Fuse and Ignition Switch
Master Electrical Component List
PWR ACCY Circuit Breaker
ECM-1 Fuse
Figure 10:

PWR ACCY Circuit Breaker


Object Number: 655546  Size: FS
Master Electrical Component List
STOP/HAZ Fuse 1 and Aux PWR Fuse 7
ING-1 and ENG-1 Fuse
Figure 11:

STOP/HAZ Fuse 1 and Aux PWR Fuse 7


Object Number: 655551  Size: FS
BATT and LIGHTING Fuse
Master Electrical Component List
CIG LTR Fuse 13, RADIO BATT Fuse 19 and CRANK Fuse 8
PWR ACCY Circuit Breaker
Figure 12:

CIG LTR Fuse 13, RADIO BATT Fuse 19 and CRANK Fuse 8


Object Number: 655554  Size: FS
BATT and LIGHTING Fuse
Master Electrical Component List
CTSY Fuse 3, PK LPS Fuse 9, TBC Fuse 15, and PWR MIR Fuse 21
STOP/HAZ Fuse 1 and Aux PWR Fuse 7
Figure 13:

CTSY Fuse 3, PK LPS Fuse 9, TBC Fuse 15, and PWR MIR Fuse 21


Object Number: 655564  Size: FS
Master Electrical Component List
ILLUM Fuse 14
CIG LTR Fuse 13, RADIO BATT Fuse 19 and CRANK Fuse 8
Figure 14:

ILLUM Fuse 14


Object Number: 655575  Size: FS
Master Electrical Component List
HTR-A/C Fuse 12, BRAKE Fuse 18, and CRUISE Fuse 6
CTSY Fuse 3, PK LPS Fuse 9, TBC Fuse 15, and PWR MIR Fuse 21
Figure 15:

HTR-A/C Fuse 12, BRAKE Fuse 18, and CRUISE Fuse 6


Object Number: 655576  Size: FS
Master Electrical Component List
GAUGES Fuse 4, AIR BAG Fuse 10, and TURN-B/U Fuse 16
ILLUM Fuse 14
Figure 16:

GAUGES Fuse 4, AIR BAG Fuse 10, and TURN-B/U Fuse 16


Object Number: 655627  Size: FS
Master Electrical Component List
TRANS Fuse 20 and WINDOWS Circuit Breaker
HTR-A/C Fuse 12, BRAKE Fuse 18, and CRUISE Fuse 6
Power and Grounding Schematic Icons
Figure 17:

TRANS Fuse 20 and WINDOWS Circuit Breaker


Object Number: 655630  Size: FS
Master Electrical Component List
WIPER Fuse 17, RADIO ACCY Fuse 2 and RR WIPER Fuse 23
GAUGES Fuse 4, AIR BAG Fuse 10, and TURN-B/U Fuse 16
Figure 18:

WIPER Fuse 17, RADIO ACCY Fuse 2 and RR WIPER Fuse 23


Object Number: 655634  Size: FS
Master Electrical Component List
TRANS Fuse 20 and WINDOWS Circuit Breaker