GM Service Manual Online
For 1990-2009 cars only
Makes
🢒
Chevrolet
🢒
2001
🢒
Astro - 2WD
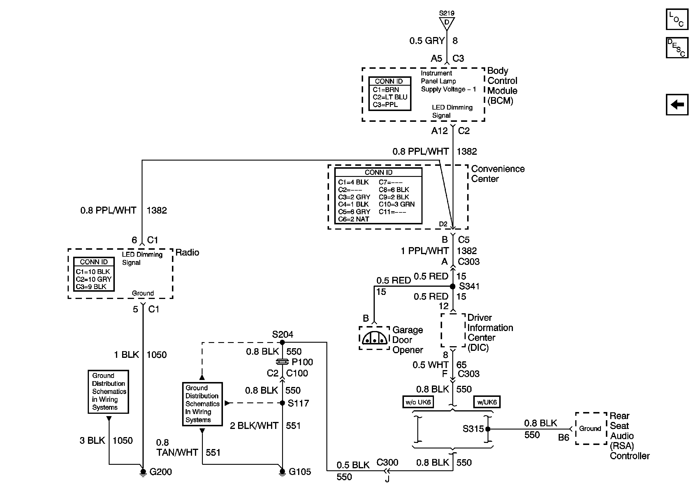
🢒 Radio
Radio
Radio
Master Electrical Component List
Interior Lighting Systems Description and Operation
Overhead Console, Rear Heater and A/C Switches
ILLUM Fuse
G200
G105 and G107