GM Service Manual Online
For 1990-2009 cars only
Figure 1:

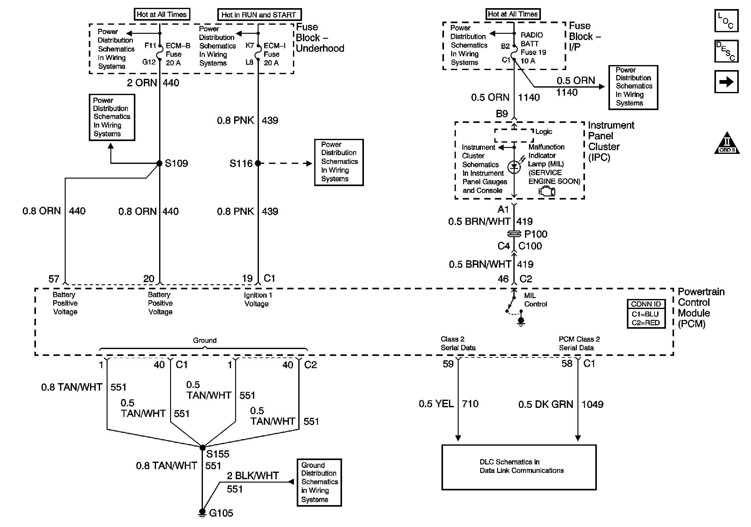
Module Power, Ground, Serial Data, and MIL


Object Number: 786412  Size: FS
Master Electrical Component List
Powertrain Control Module Description
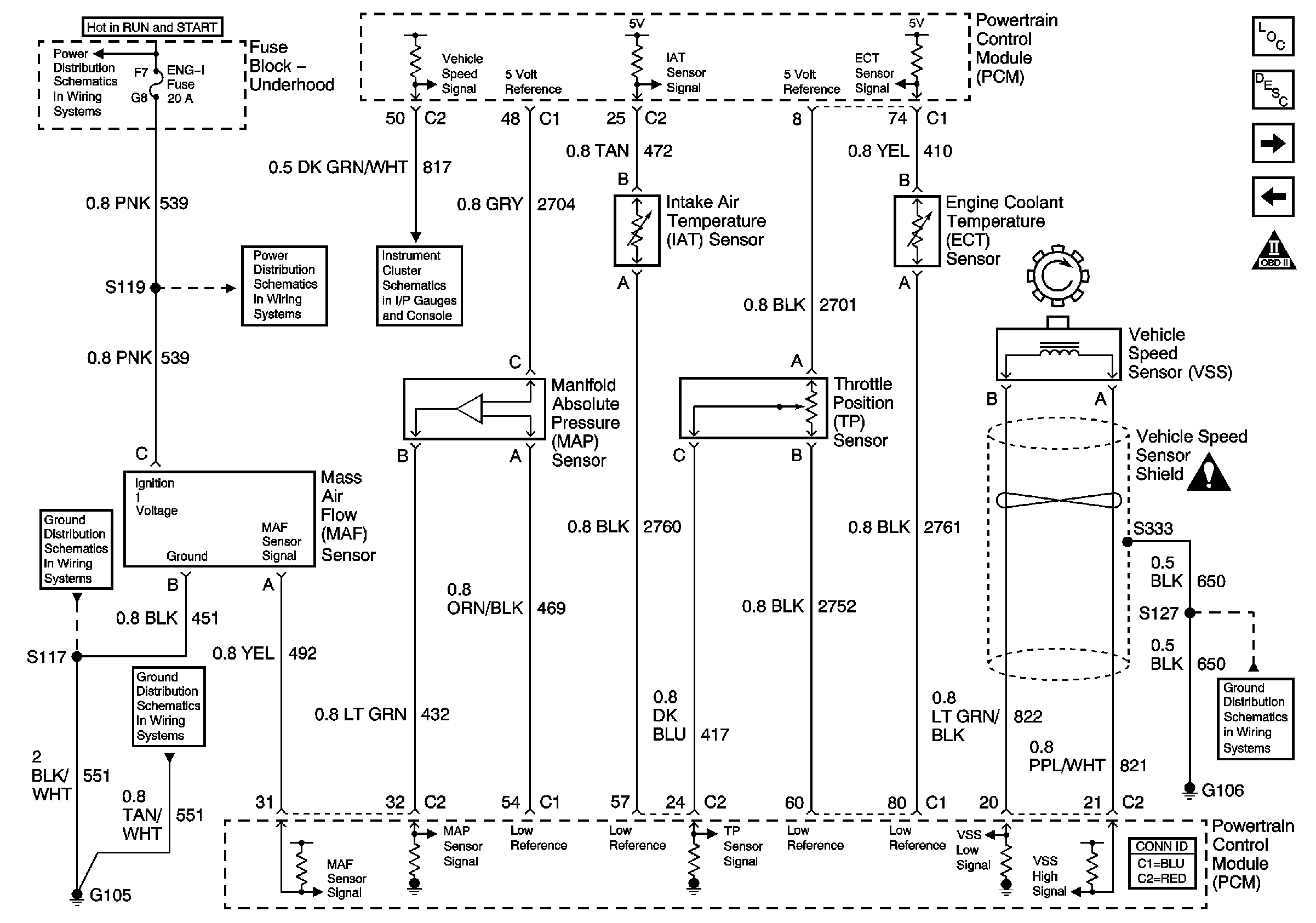
Engine Data Sensor
OBD II Symbol Description Notice
Battery and Fuse Block - Underhood
IGN RUN and START Bus Bar
Battery and Lighting Fuse
Cig Lighter Fuse, Radio Battery Fuse and Crank Fuse
HTD Mirror/RR Defog, A/C Comp, Horn, ECM-B ABS, RAP Fuse
ECM - I Fuse
Indicators
G105, and G107
Data Link Connector (DLC)
Figure 2:

Engine Data Sensor


Object Number: 786414  Size: FS
Master Electrical Component List
Air Intake System Description
Oxygen Sensors
Module Power, Ground, Serial Data, and MIL
OBD II Symbol Description Notice
IGN RUN and START Bus Bar
IGN - E and Eng - I Fuse
Gages
G105, and G107
G105, and G107
G100, G106, and G302
Engine Controls Schematic Icons
Figure 3:

Oxygen Sensors


Object Number: 655227  Size: FS
Master Electrical Component List
Powertrain Control Module Description
Ignition Controls
Engine Data Sensor
OBD II Symbol Description Notice
IGN - E and Eng - I Fuse
IGN RUN and START Bus Bar
G104
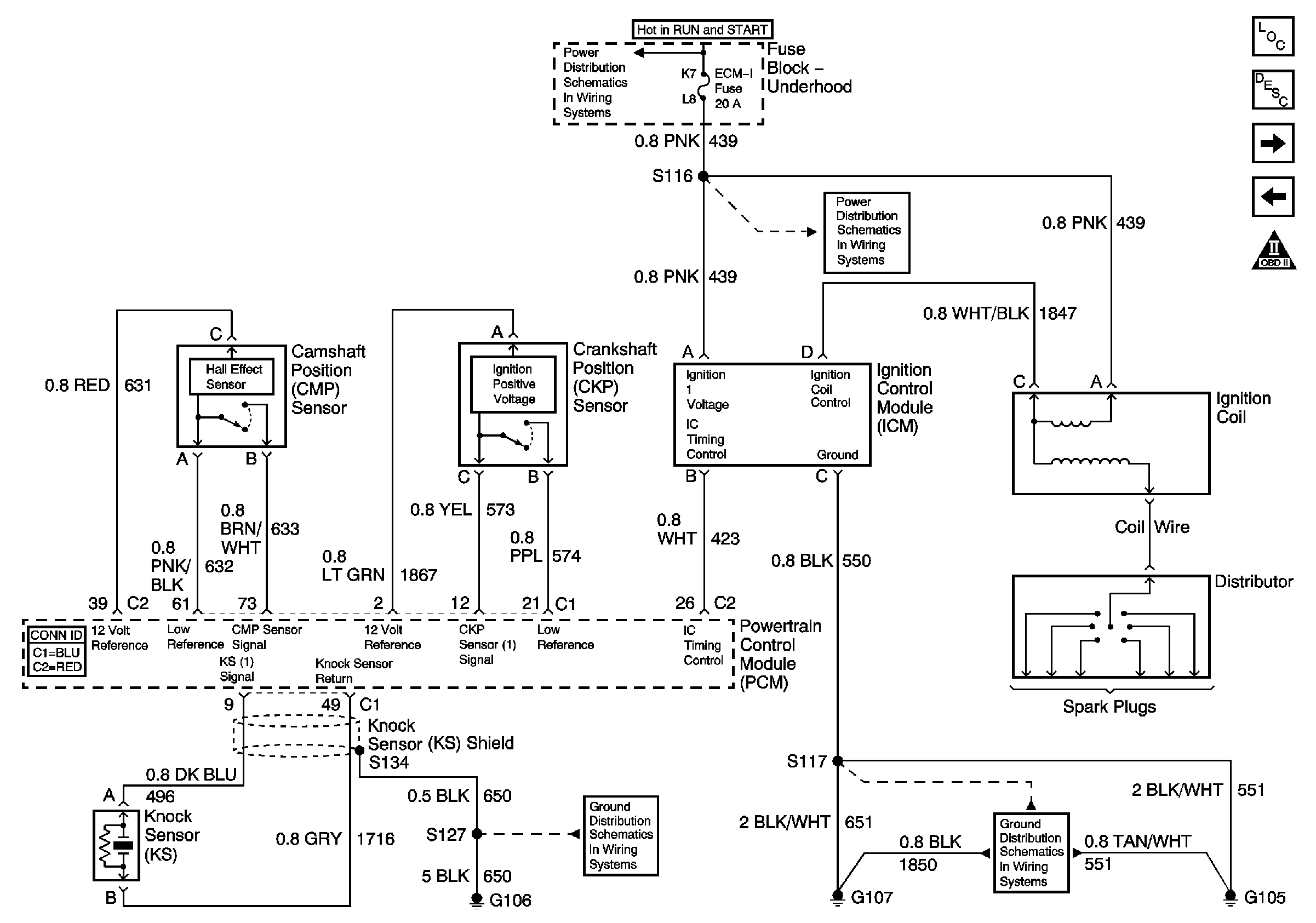
Figure 4:

Ignition Controls


Object Number: 786417  Size: FS
Master Electrical Component List
Knock Sensor (KS) System Description
Fuel Controls
Oxygen Sensors
OBD II Symbol Description Notice
IGN RUN and START Bus Bar
ECM - I Fuse
G100, G106, and G302
G105, and G107
Figure 5:

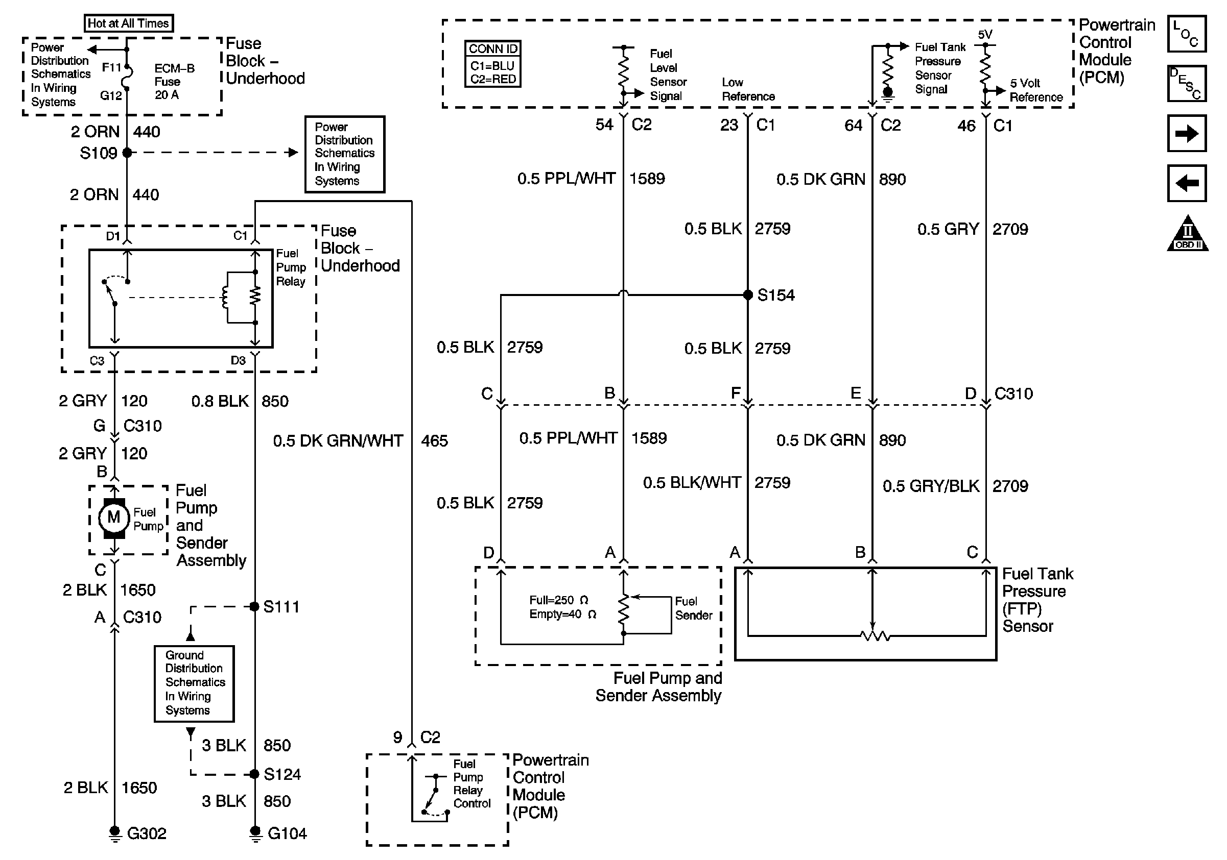
Fuel Controls


Object Number: 786419  Size: FS
Master Electrical Component List
Fuel System Description
Fuel Injection Controls
Ignition Controls
OBD II Symbol Description Notice
Battery and Fuse Block - Underhood
HTD Mirror/RR Defog, A/C Comp, Horn, ECM-B ABS, RAP Fuse
G104
Figure 6:

Fuel Injection Controls


Object Number: 655204  Size: FS
Master Electrical Component List
Fuel System Description
Fuel And Device Controls
Fuel Controls
OBD II Symbol Description Notice
IGN RUN and START Bus Bar
ECM - I Fuse
Figure 7:

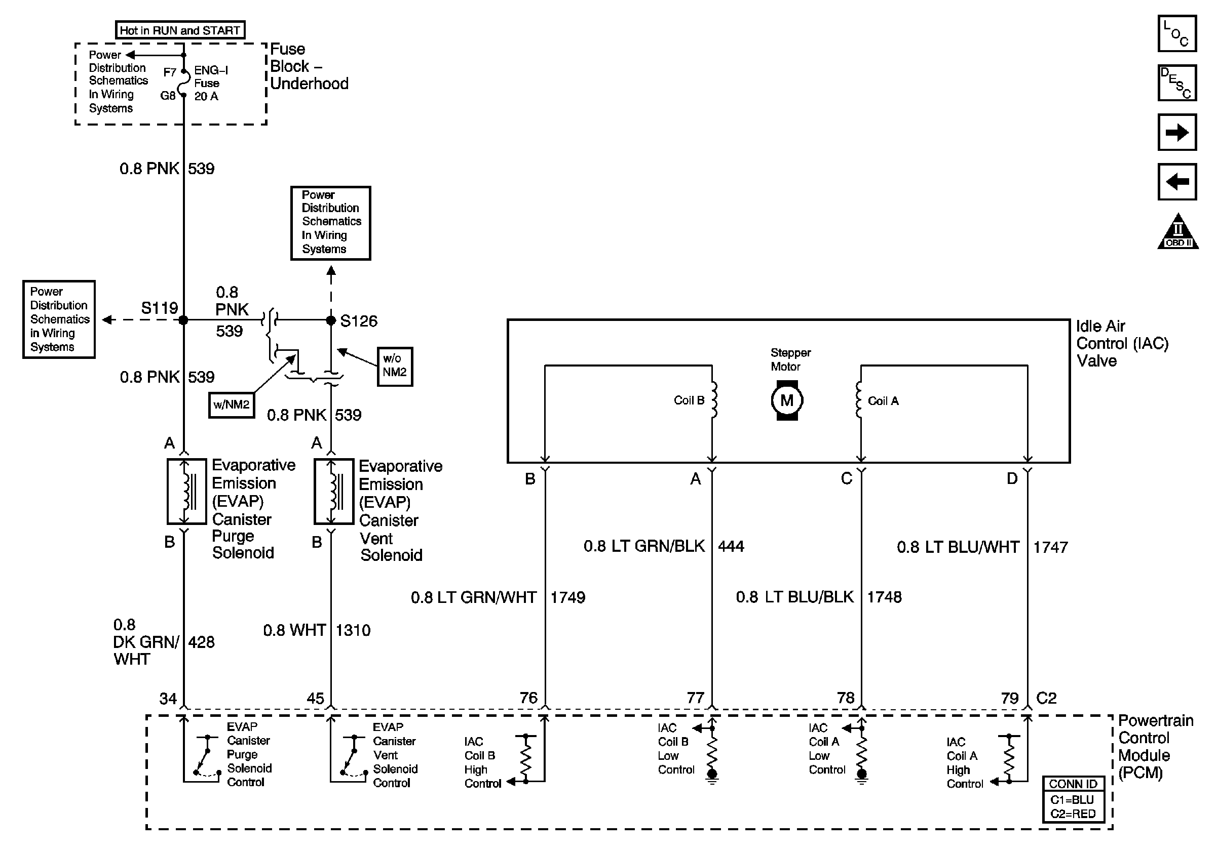
Fuel And Device Controls


Object Number: 786421  Size: FS
Master Electrical Component List
Evaporative Emission Control System Description
Controlled/Monitored Subsystem References
Fuel Injection Controls
OBD II Symbol Description Notice
IGN RUN and START Bus Bar
IGN - E and Eng - I Fuse
IGN - E and Eng - I Fuse
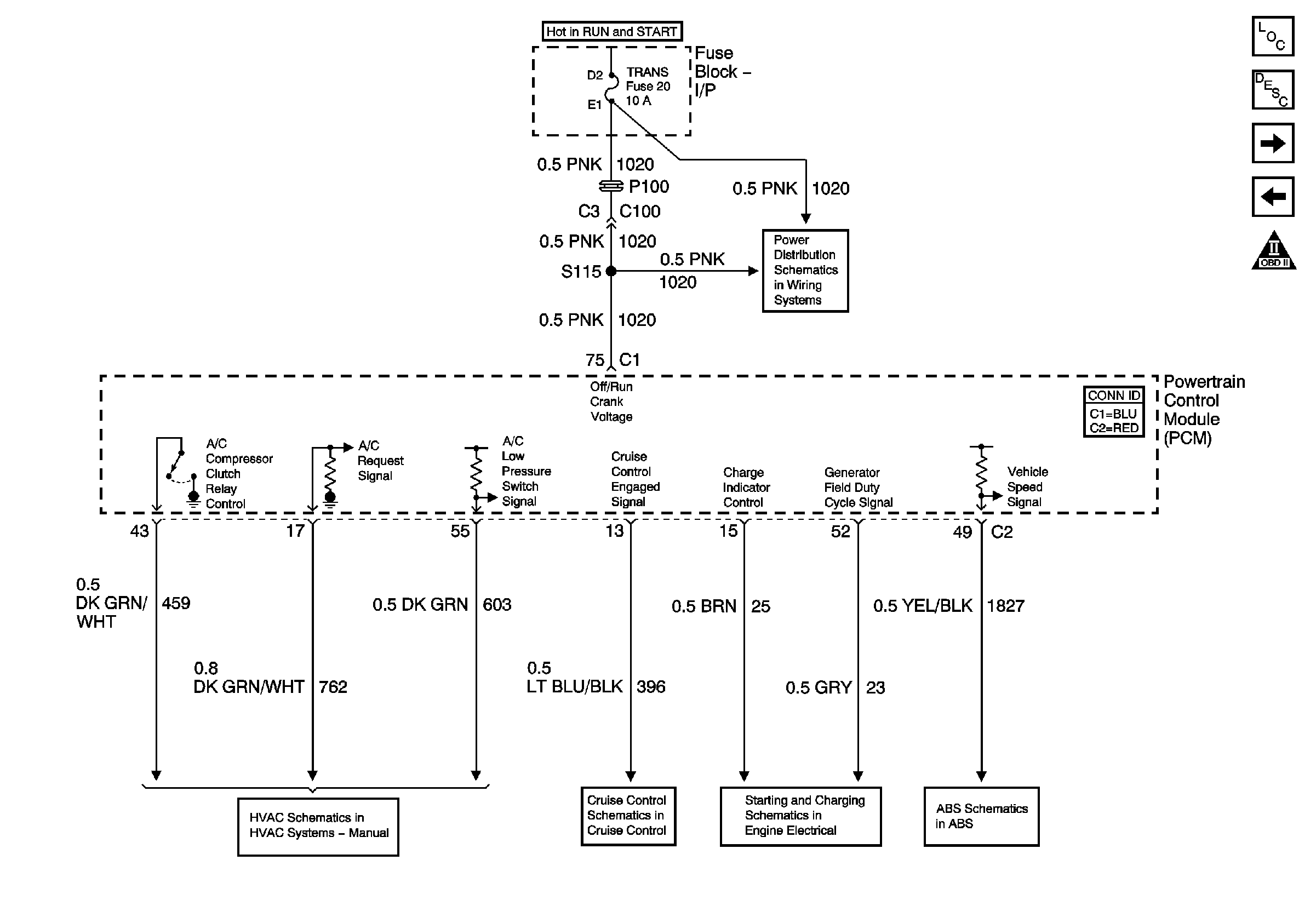
Figure 8:

Controlled/Monitored Subsystem References


Object Number: 786423  Size: FS
Master Electrical Component List
Powertrain Control Module Description
Transmission Controls - A/T
Fuel And Device Controls
OBD II Symbol Description Notice
Trans Fuse, Windows Circuit Breaker
Compressor Controls
Cruise Control
Charging
EBCM Ground Supply and Controls
Figure 9:

Transmission Controls - A/T


Object Number: 786424  Size: FS
Master Electrical Component List
Powertrain Control Module Description
Controlled/Monitored Subsystem References
OBD II Symbol Description Notice
Switch Inputs and PNP Switch
Stop Lamp Switch and Valve Controls
Stop Lamp Switch and Valve Controls
Switch Inputs and PNP Switch
Stop Lamp Switch and Valve Controls