GM Service Manual Online
For 1990-2009 cars only
Makes
🢒
Chevrolet
🢒
2002
🢒
Astro - 2WD
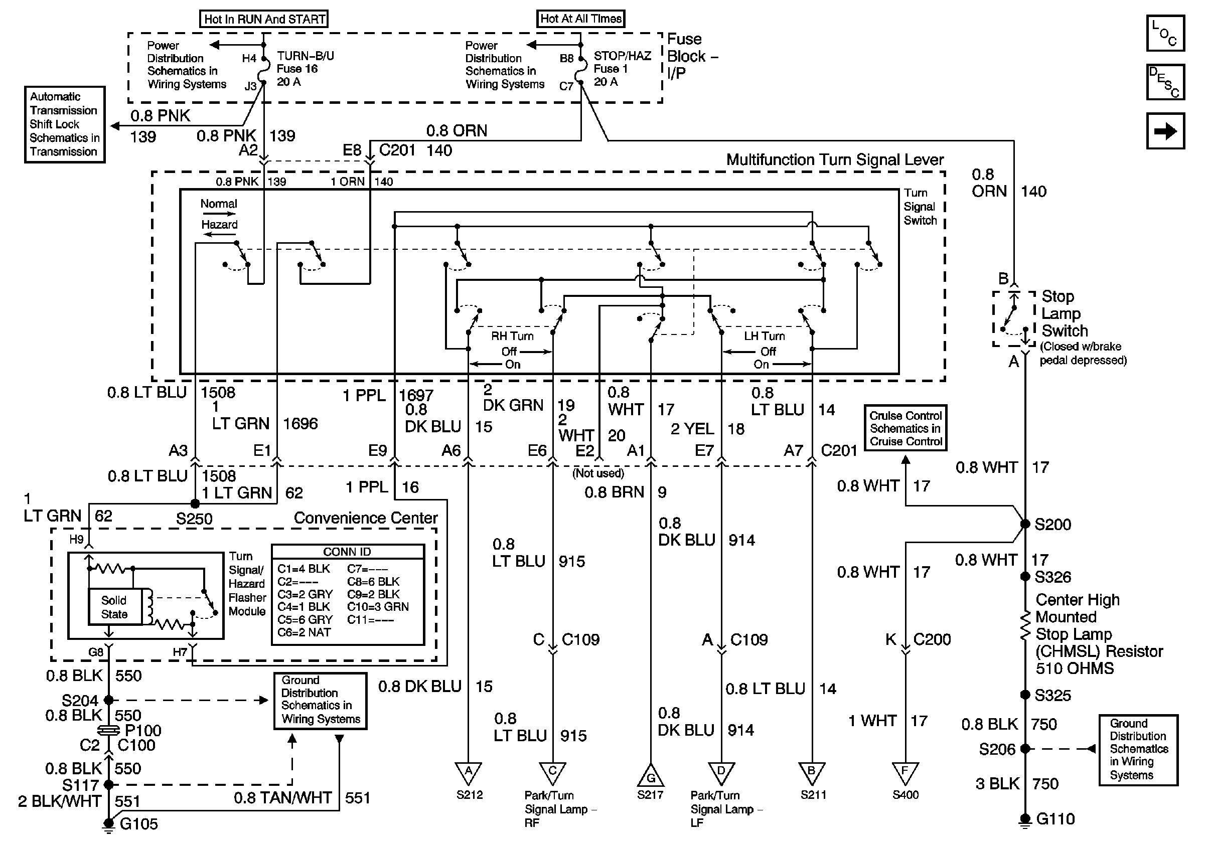
🢒 Turn Signal Switch, and Turn Signal/Hazard Flasher Module (VE1)
Turn Signal Switch, and Turn Signal/Hazard Flasher Module (VE1)
Turn Signal Switch, and Turn Signal/Hazard Flasher Module
Master Electrical Component List
Exterior Lighting Systems Description and Operation
Turn Indicators, Front Park/Turn Signal Lamps, Repeater Lamps (VE1)
Gages, Air Bag, Turn, Back-up Fuses
IGN RUN and START Bus Bar
Battery and Lighting Fuse
Cruise Control
G105, and G107
Turn Indicators, Front Park/Turn Signal Lamps, Repeater Lamps (VE1)
Turn Indicators, Front Park/Turn Signal Lamps, Repeater Lamps (VE1)
Turn Indicators, Front Park/Turn Signal Lamps, Repeater Lamps (VE1)
Turn Indicators, Front Park/Turn Signal Lamps, Repeater Lamps (VE1)
Turn Indicators, Front Park/Turn Signal Lamps, Repeater Lamps (VE1)
Tail/Stop and Turn Signal Lamps, License Lamp, CHMSL, and Backup Lamps(VE1)
G110 (1 of 2)