GM Service Manual Online
For 1990-2009 cars only

Tools Required

J 39400-A Halogen Leak Detector

Removal Procedure

  1. Remove the air cleaner. Refer to Air Cleaner Assembly Replacement in Engine Controls-4.3L.
  2. Recover the refrigerant. Refer to Refrigerant Recovery and Recharging .
  3. Remove the grille. Refer to Grille Replacement in Exterior Trim.
  4. Remove the engine cover. Refer to Engine Cover Replacement in Interior Trim.
  5. Raise the vehicle. Refer to Lifting and Jacking the Vehicle in General Information.

  6. Object Number: 280427  Size: SH
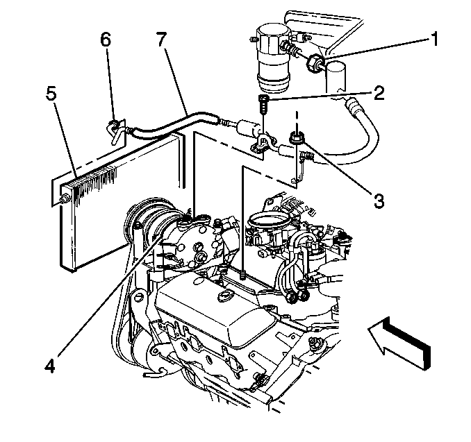
  7. Disconnect the auxiliary evaporator lines nut from the compressor hose assembly.
  8. Lower vehicle.

  9. Object Number: 280388  Size: SH
  10. Remove the nut that attaches the compressor hose assembly bracket to the engine.

  11. Object Number: 280389  Size: SH
  12. Remove the hose clamp bracket nut (3) from the engine stud.

  13. Object Number: 280393  Size: SH
  14. Remove the compressor hose assembly bolt from the compressor.
  15. Remove the sealing washers from the compressor.

  16. Object Number: 280389  Size: SH
  17. Remove the compressor hose assembly nut (6) from the condenser.
  18. Remove the compressor hose assembly nut (1) from the accumulator.
  19. Remove the compressor hose assembly from the vehicle.
  20. Cap or plug all open connections.

Installation Procedure

  1. Uncap or unplug all open connections.
  2. Install the compressor hose assembly to the vehicle.

  3. Object Number: 280389  Size: SH

    Notice: Use the correct fastener in the correct location. Replacement fasteners must be the correct part number for that application. Fasteners requiring replacement or fasteners requiring the use of thread locking compound or sealant are identified in the service procedure. Do not use paints, lubricants, or corrosion inhibitors on fasteners or fastener joint surfaces unless specified. These coatings affect fastener torque and joint clamping force and may damage the fastener. Use the correct tightening sequence and specifications when installing fasteners in order to avoid damage to parts and systems.

  4. Install the compressor hose assembly nut (1) to the accumulator.
  5. Tighten
    Tighten the nut to 48 N·m (35 lb ft).

  6. Install the compressor hose assembly nut (6) to the condenser.
  7. Tighten
    Tighten the nut to 28 N·m (21 lb ft).

  8. Install new seal washers to the compressor. Refer to Sealing Washer Replacement .

  9. Object Number: 280393  Size: SH
  10. Install the compressor hose assembly bolt to the compressor.
  11. Tighten
    Tighten the bolt to 34 N·m (25 lb ft).


    Object Number: 280389  Size: SH
  12. Install the hose clamp bracket nut (3) to the engine stud.
  13. Tighten
    Tighten the nut to 5 N·m (44 lb in).


    Object Number: 280388  Size: SH
  14. Install the nut that attaches the compressor hose assembly bracket to the engine.
  15. Tighten
    Tighten the nut to 5 N·m (44 lb in).

  16. Raise the vehicle.

  17. Object Number: 280427  Size: SH
  18. Connect the auxiliary evaporator hose nut to the compressor hose assembly.
  19. Tighten
    Tighten the nut to 28 N·m (21 lb ft).

  20. Lower the vehicle.
  21. Install the engine cover. Refer to Engine Cover Replacement in Interior Trim.
  22. Install the grille. Refer to Grille Replacement in Exterior Trim.
  23. Evacuate and recharge the system. Refer to Refrigerant Recovery and Recharging .
  24. Leak test the fittings of the component using the J 39400-A .
  25. Install the air cleaner. Refer to Air Cleaner Assembly Replacement in Engine Controls-4.3L.