GM Service Manual Online
For 1990-2009 cars only
Makes
🢒
Chevrolet
🢒
2005
🢒
Astro - 2WD
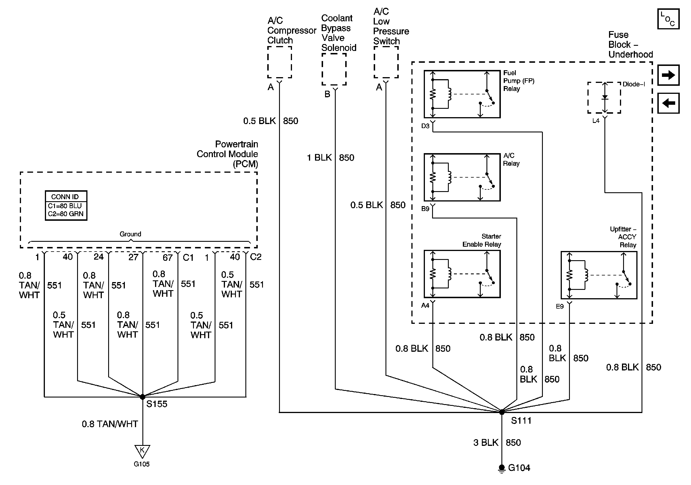
🢒 G104
G104
G104
Master Electrical Component List
G105 and G107
G100, G106, and G302
G105 and G107