GM Service Manual Online
For 1990-2009 cars only
Makes
🢒
Chevrolet
🢒
2005
🢒
Astro - 2WD
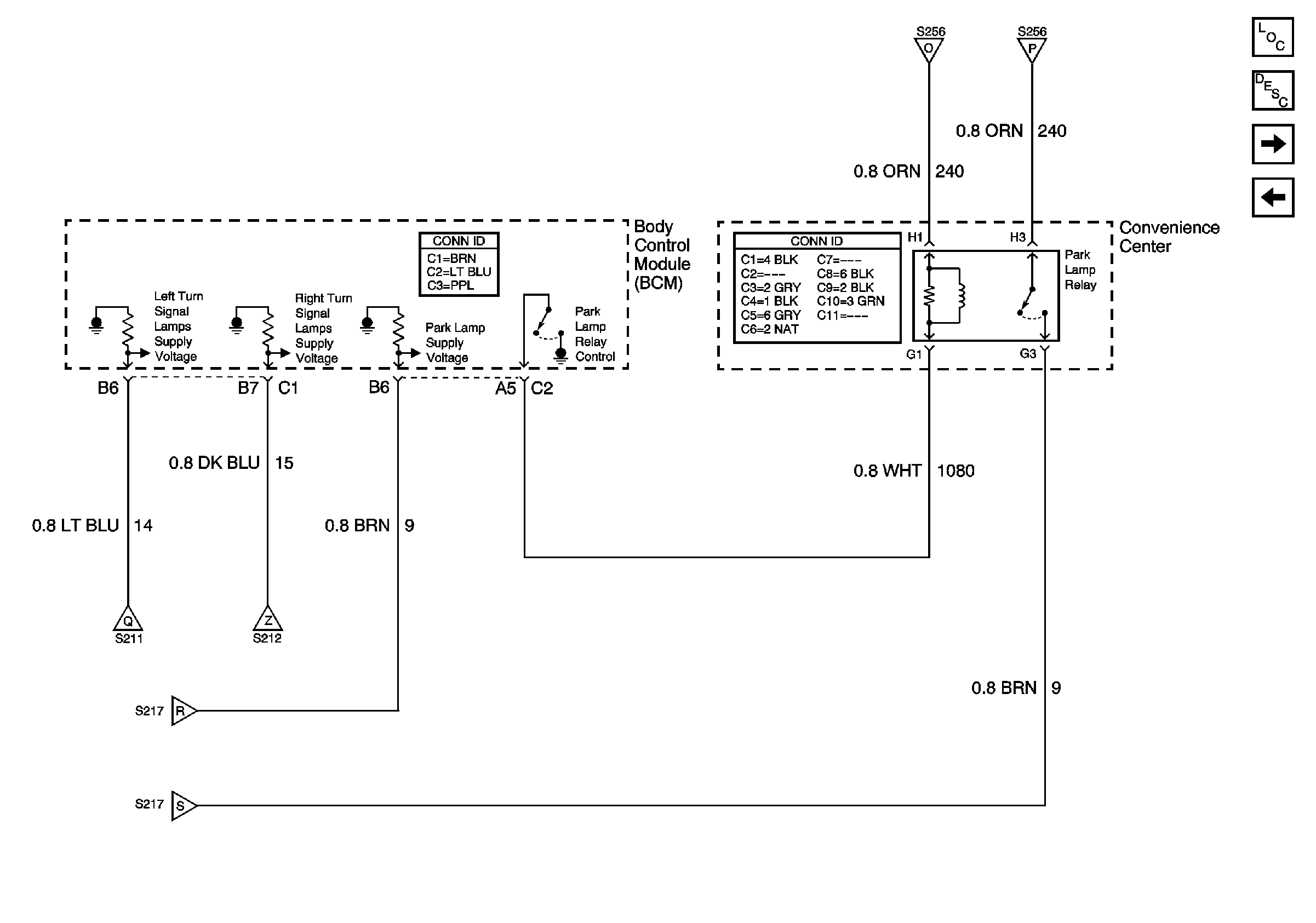
🢒 Park Lamp Relay
Park Lamp Relay
Park Lamp Relay
Master Electrical Component List
Exterior Lighting Systems Description and Operation
Backup Lamps
Trailer Wiring Harness Connections
Turn Indicators, Front Park/Turn Signal Lamps, Repeater Lamps
Turn Indicators, Front Park/Turn Signal Lamps, Repeater Lamps
Turn Indicators, Front Park/Turn Signal Lamps, Repeater Lamps
Turn Indicators, Front Park/Turn Signal Lamps, Repeater Lamps
Turn Indicators, Front Park/Turn Signal Lamps, Repeater Lamps
Turn Indicators, Front Park/Turn Signal Lamps, Repeater Lamps