GM Service Manual Online
For 1990-2009 cars only

SMU - SECTION 8A - ELECTRICAL DIAGNOSIS - REVISED SCHEMATICS

SUBJECT: SERVICE MANUAL UPDATE - SECTION 8A - ELECTRICAL DIAGNOSIS - REVISED SCHEMATICS, TEXT PAGES AND COMPONENT LOCATION VIEWS

MODELS: 1995 CHEVROLET AND GMC M/L MODELS

THIS BULLETIN REVISES:

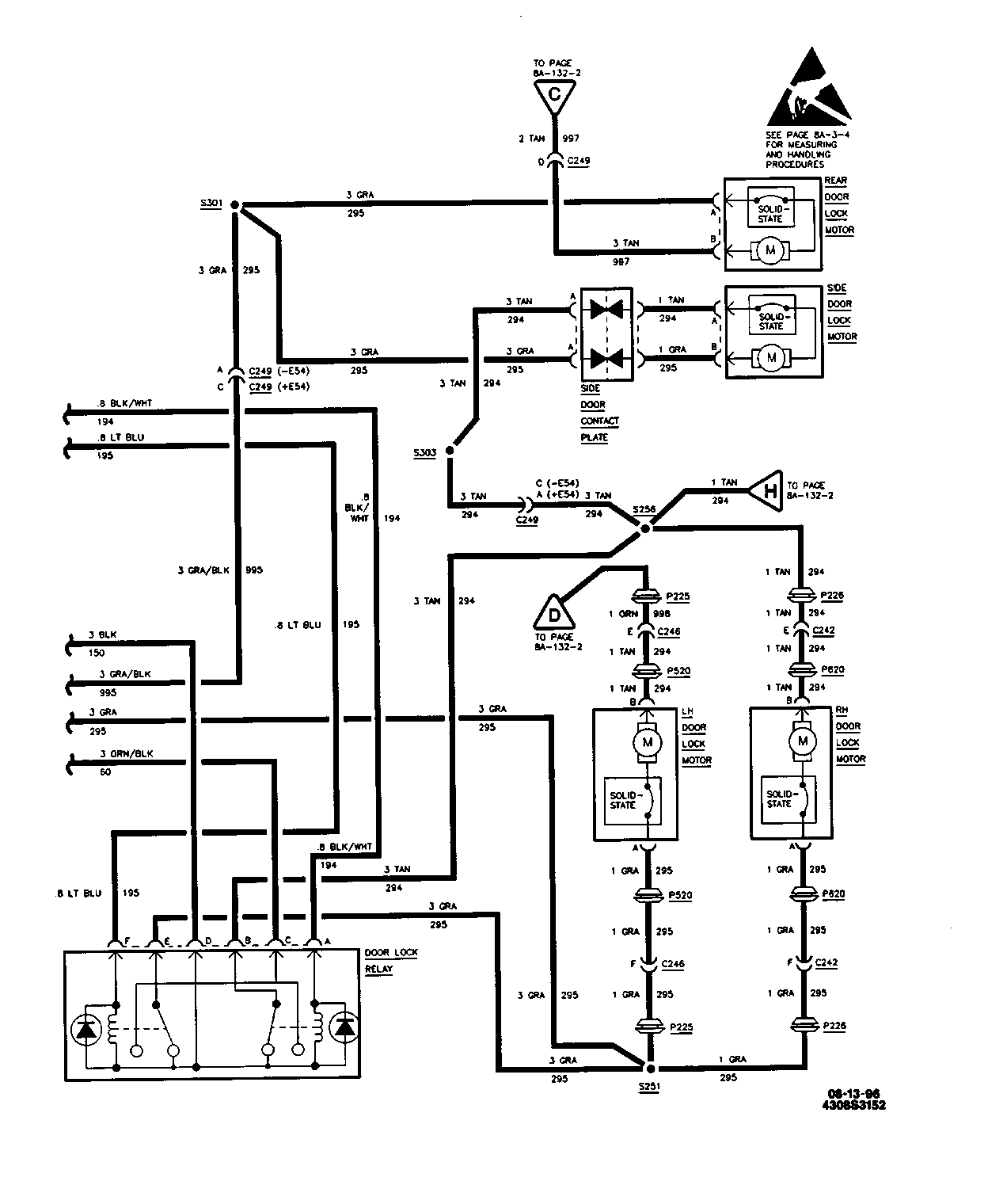
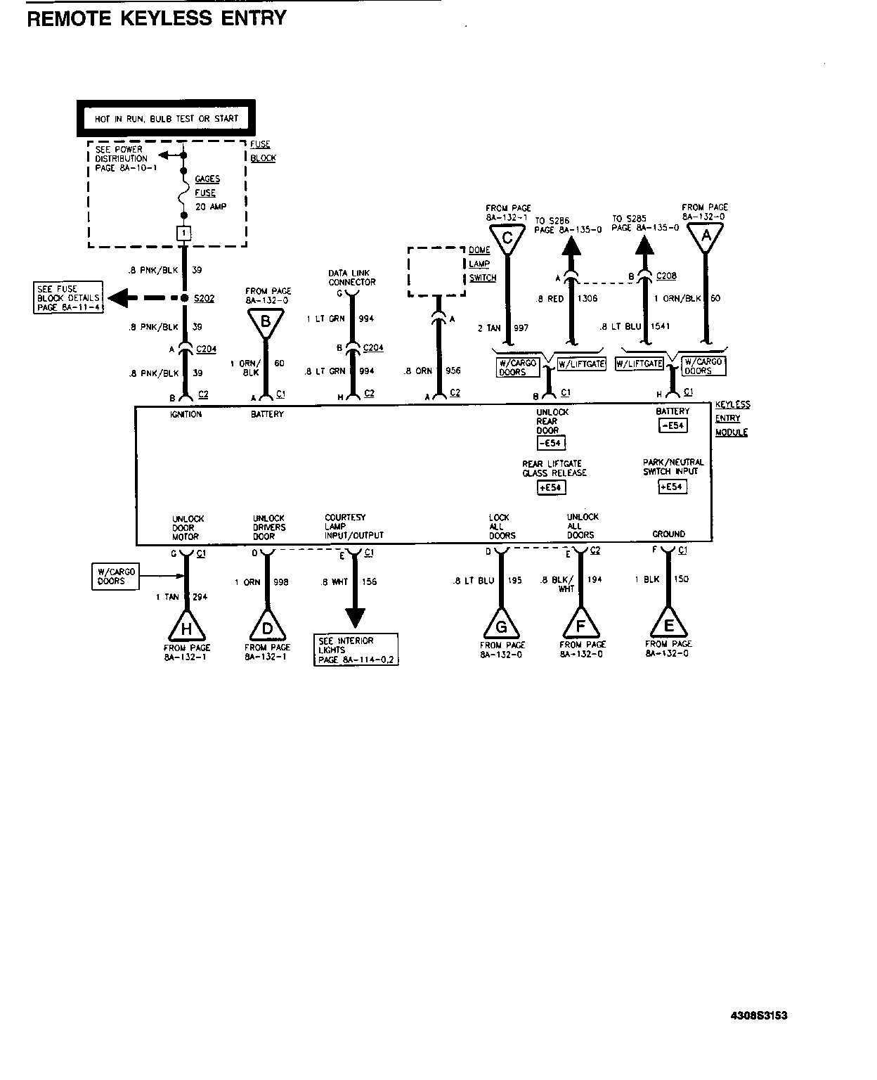
- SCHEMATICS ON PAGES 8A-132-0, 1, 2. - THE COMPONENT LOCATION TABLE ON PAGE 8A-132-3. - THE CIRCUIT OPERATION DESCRIPTION OF THE REMOTE KEYLESS ENTRY SYSTEM ON PAGES 8A-132-6, 7. - THE COMPONENT LOCATION TABLE OF THE REAR LIFTGATE WINDOW RELEASE ON PAGE 8A-135-1. - THE FIGURES SHOWN IN THE COMPONENT LOCATION VIEW ON PAGES 8A-201-20 AND 26.

FIGURES: 0 ATTACHMENTS: 9


Object Number: 96579  Size: FS


Object Number: 96580  Size: FS


Object Number: 96581  Size: FS


Object Number: 96582  Size: FS


Object Number: 96583  Size: FS


Object Number: 96584  Size: FS


Object Number: 96585  Size: FS


Object Number: 96586  Size: FS


Object Number: 96587  Size: FS

GENERAL MOTORS BULLETINS ARE INTENDED FOR USE BY PROFESSIONAL TECHNICIANS, NOT A "DO-IT-YOURSELFER". THEY ARE WRITTEN TO INFORM THOSE TECHNICIANS OF CONDITIONS THAT MAY OCCUR ON SOME VEHICLES, OR TO PROVIDE INFORMATION THAT COULD ASSIST IN THE PROPER SERVICE OF A VEHICLE. PROPERLY TRAINED TECHNICIANS HAVE THE EQUIPMENT, TOOLS, SAFETY INSTRUCTIONS AND KNOW-HOW TO DO A JOB PROPERLY AND SAFELY. IF A CONDITION IS DESCRIBED, DO NOT ASSUME THAT THE BULLETIN APPLIES TO YOUR VEHICLE, OR THAT YOUR VEHICLE WILL HAVE THAT CONDITION. SEE A GENERAL MOTORS DEALER SERVICING YOUR BRAND OF GENERAL MOTORS VEHICLE FOR INFORMATION ON WHETHER YOUR VEHICLE MAY BENEFIT FROM THE INFORMATION.

COPYRIGHT 1996 GENERAL MOTORS CORPORATION. ALL RIGHTS RESERVED.