GM Service Manual Online
For 1990-2009 cars only
Makes
🢒
Chevrolet
🢒
1997
🢒
Astro - 4WD
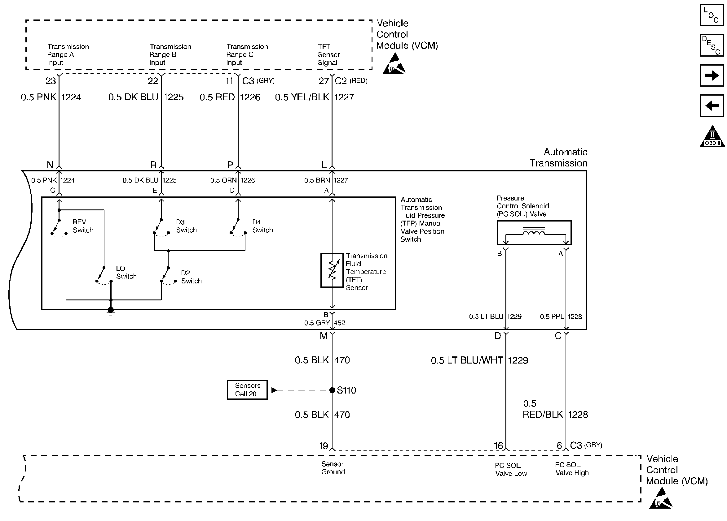
🢒 Transmission Mechanization
Transmission Mechanization
Transmission Mechanization
Handling ESD Sensitive Parts Notice
Handling ESD Sensitive Parts Notice
Engine Controls Components
Information Sensors 4.3L, 5.0L
A/C Controls
Transmission Mechanization
OBD II Symbol Description Notice