GM Service Manual Online
For 1990-2009 cars only
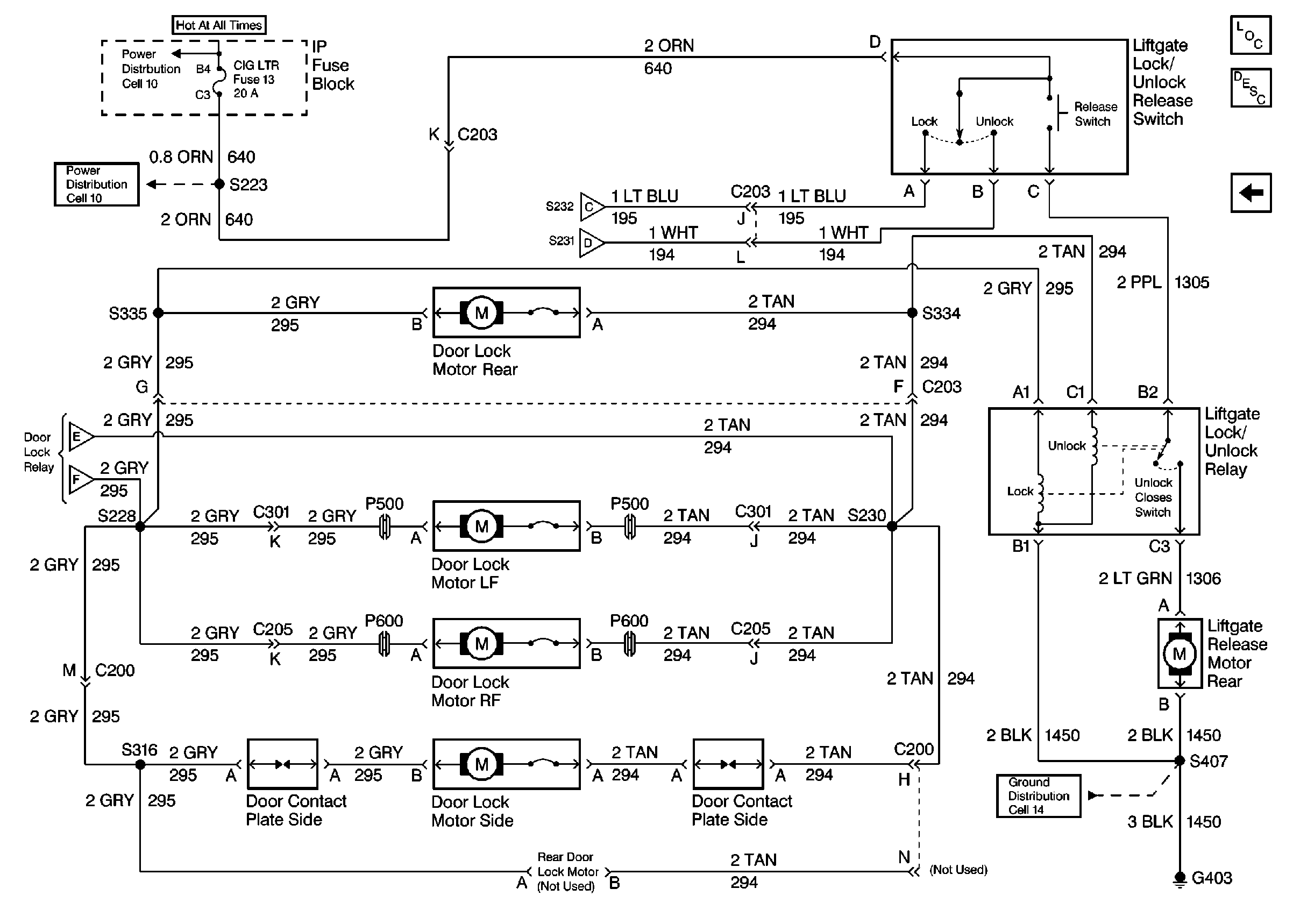
Figure 1:

Cell 130 (IP Fuse Block, Door Lock Relay, Door Lock Control Module)


Object Number: 300262  Size: FS
Power Door Systems Components
Power Door Locks Circuit Description
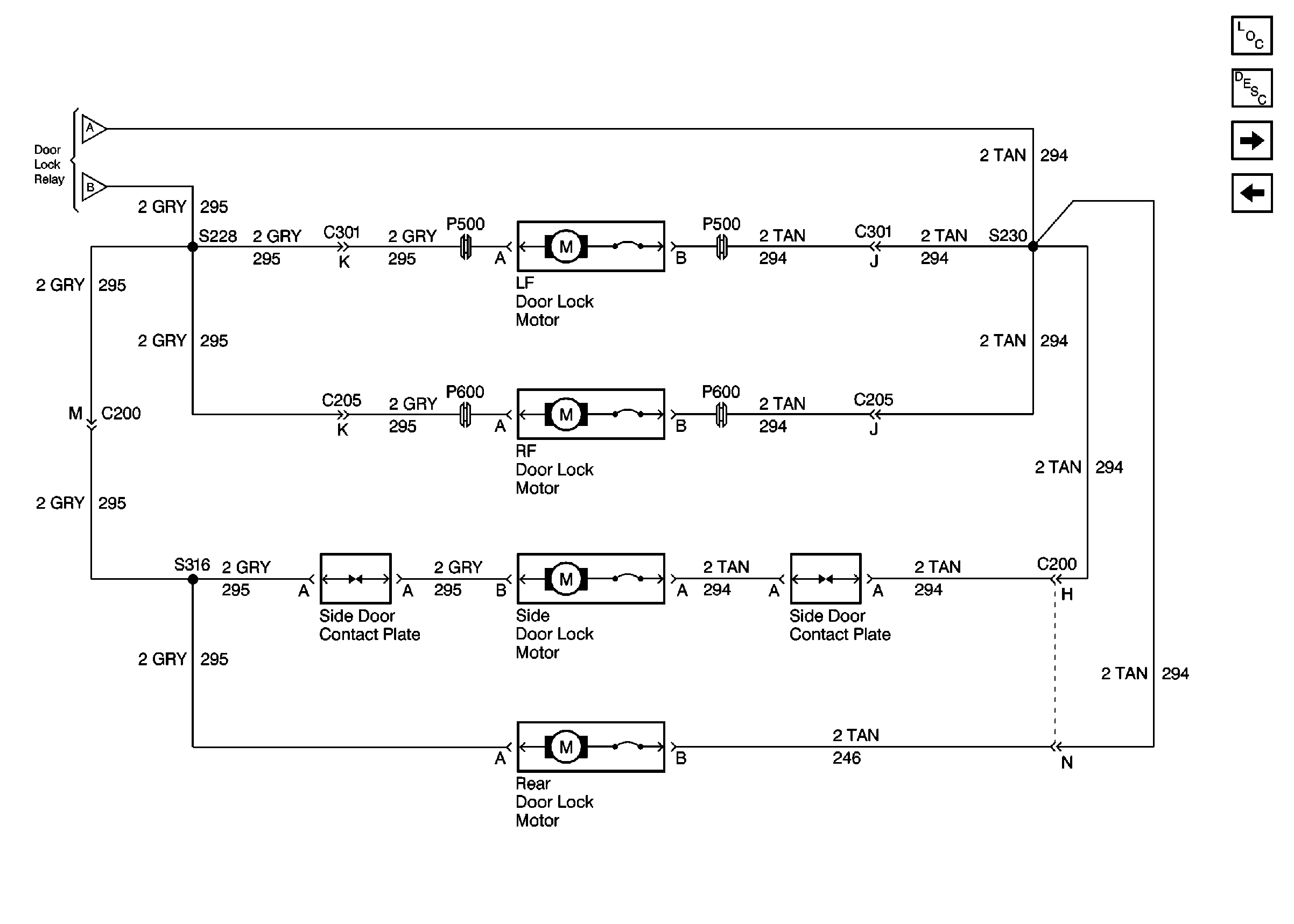
Cell 130 (LF Door Lock Motor, RF Door Lock Motor, Rear Door Lock Motor)
Handling ESD Sensitive Parts Notice
B+ Bus
B+ Bus
Cell 14 (G200)
Cell 14 (G200)
CIG LTR, RADIO BATT, CRANK Fuses
Cell 114 (Interior Lamp Control Module, Remote Control Door Lock Receiver, Rear Door Jamb)
Cell 130(IP Fuse Block, Liftgate Lock/Unlock Release Switch, Side Door Contact Plate, Rear Liftgate Release Motor)
Cell 130(IP Fuse Block, Liftgate Lock/Unlock Release Switch, Side Door Contact Plate, Rear Liftgate Release Motor)
Cell 130 (LF Door Lock Motor, RF Door Lock Motor, Rear Door Lock Motor)
Cell 130 (LF Door Lock Motor, RF Door Lock Motor, Rear Door Lock Motor)
Cell 130(IP Fuse Block, Liftgate Lock/Unlock Release Switch, Side Door Contact Plate, Rear Liftgate Release Motor)
Cell 130(IP Fuse Block, Liftgate Lock/Unlock Release Switch, Side Door Contact Plate, Rear Liftgate Release Motor)
Figure 2:

Cell 130 (LF Door Lock Motor, RF Door Lock Motor, Rear Door Lock Motor)


Object Number: 300266  Size: FS
Power Door Systems Components
Power Door Locks Circuit Description
Cell 130(IP Fuse Block, Liftgate Lock/Unlock Release Switch, Side Door Contact Plate, Rear Liftgate Release Motor)
Cell 130 (IP Fuse Block, Door Lock Relay, Door Lock Control Module)
Cell 130 (IP Fuse Block, Door Lock Relay, Door Lock Control Module)
Cell 130 (IP Fuse Block, Door Lock Relay, Door Lock Control Module)
Figure 3:

Cell 130(IP Fuse Block, Liftgate Lock/Unlock Release Switch, Side Door Contact Plate, Rear Liftgate Release Motor)


Object Number: 364002  Size: FS
Power Door Systems Components
Power Door Locks Circuit Description
Cell 130 (LF Door Lock Motor, RF Door Lock Motor, Rear Door Lock Motor)
Cell 14 (G403, G300)
CIG LTR, RADIO BATT, CRANK Fuses
B+ Bus
Cell 130 (IP Fuse Block, Door Lock Relay, Door Lock Control Module)
Cell 130 (IP Fuse Block, Door Lock Relay, Door Lock Control Module)
Cell 130 (IP Fuse Block, Door Lock Relay, Door Lock Control Module)
Cell 130 (IP Fuse Block, Door Lock Relay, Door Lock Control Module)