GM Service Manual Online
For 1990-2009 cars only
Makes
🢒
Chevrolet
🢒
1999
🢒
Astro - 4WD
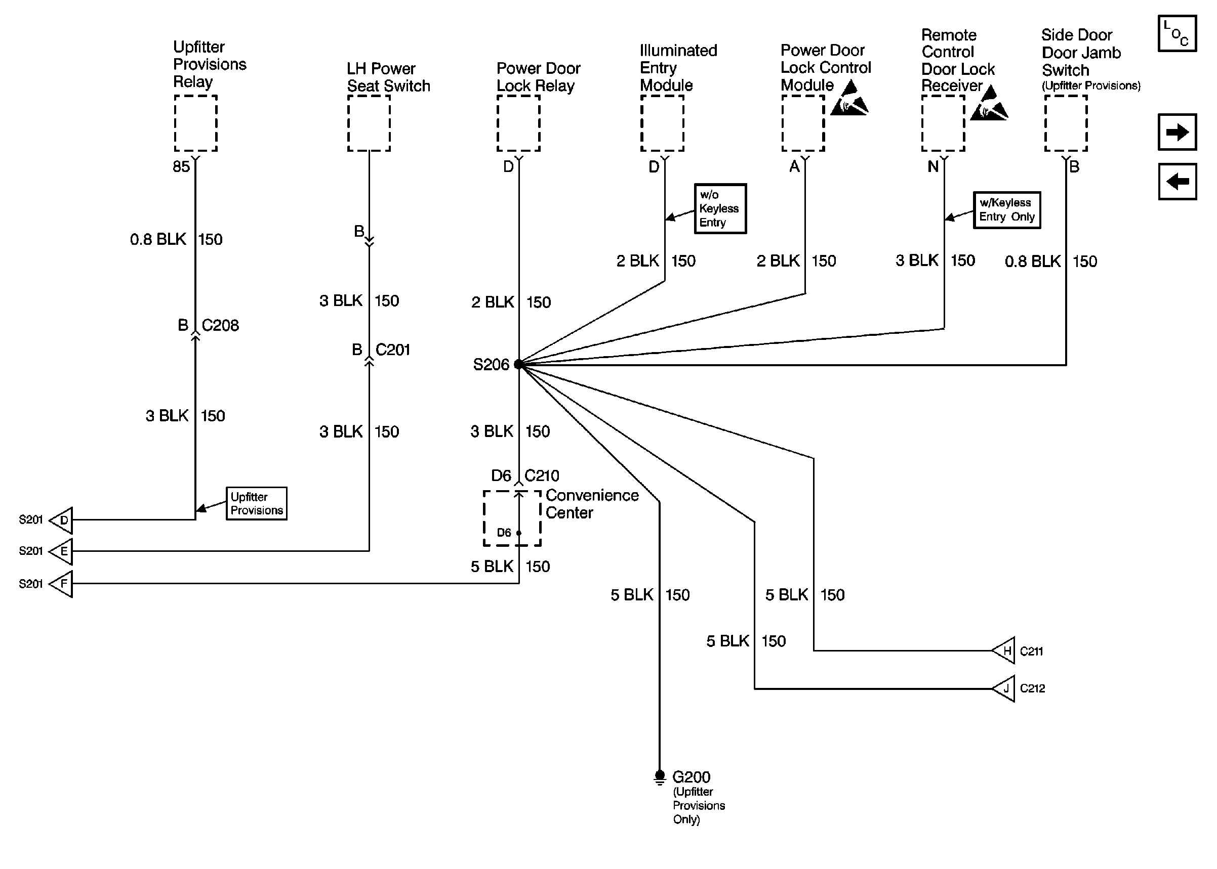
🢒 Cell 14: G200; C201, C208, C210 (G201)
Cell 14: G200; C201, C208, C210 (G201)
Cell 14: G200; C201, C208, C210 (G201)
Power and Grounding Components
Cell 14: S500, P500, C211 (G200)
Cell 14: G201
Cell 14: G201
Cell 14: G201
Cell 14: G201
Cell 14: S500, P500, C211 (G200)
Cell 14: S601, P600, C212 (G200)
Handling ESD Sensitive Parts Notice
Handling ESD Sensitive Parts Notice