GM Service Manual Online
For 1990-2009 cars only
Makes
🢒
Chevrolet
🢒
1999
🢒
Astro - 4WD
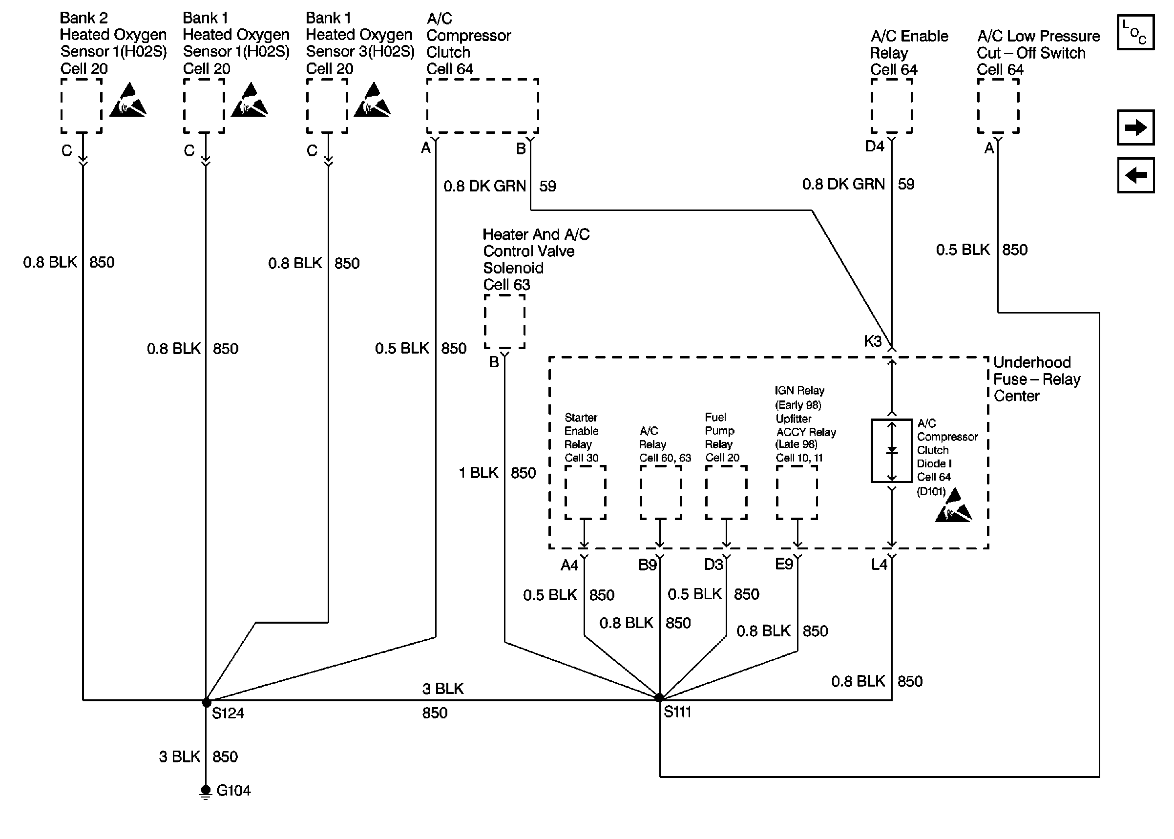
🢒 Cell 14 Ground Distribution (3 of 10)
Cell 14 Ground Distribution (3 of 10)
Cell 14 (G104)
Power and Grounding Component Views
Cell 14 Ground Distribution (4 of 10)
Cell 14 Ground Distribution (2 of 10)
Handling ESD Sensitive Parts Notice
Handling ESD Sensitive Parts Notice
Handling ESD Sensitive Parts Notice
Handling ESD Sensitive Parts Notice