GM Service Manual Online
For 1990-2009 cars only
Makes
🢒
Chevrolet
🢒
1999
🢒
Astro - 4WD
🢒 Cell 34 Cruise Control
Cell 34 Cruise Control
Cell 34 Cruise Control
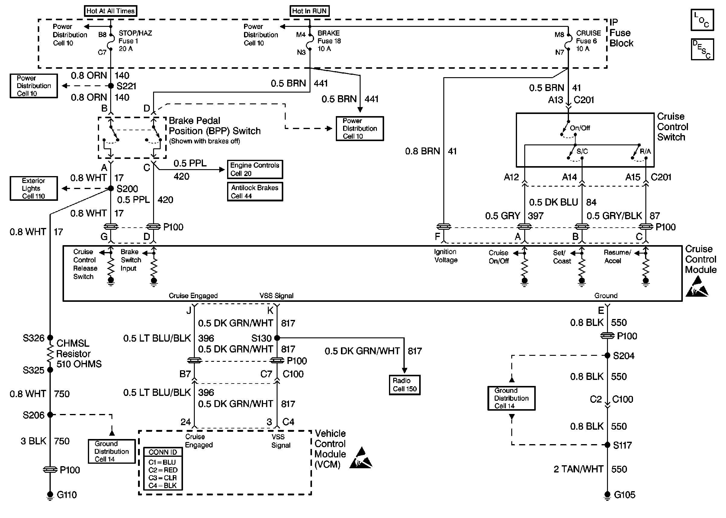
Cruise Control Components
Cruise Control System Circuit Description
B+ Bus
B+ Bus
Turn/Hazard Switch Controls
Handling ESD Sensitive Parts Notice
Handling ESD Sensitive Parts Notice
Cell 14 (G110)
Cell 14 (G107, G105)
Cell 150 Radio/Audio Systems Premium Radio with Speed Compensated Volume(1 of 2)
EBCM Power Supply and Communication
Transmission Shift Controls
B+ Bus, Ignition Switch, Run Bus
B+ Bus, Ignition Switch, Run Bus