GM Service Manual Online
For 1990-2009 cars only
Makes
🢒
Chevrolet
🢒
1999
🢒
Astro - 4WD
🢒 Cell 81 (Instrument Cluster, Vehicle Control Module, Fuel Pump and Sender, Overhead Console)
Cell 81 (Instrument Cluster, Vehicle Control Module, Fuel Pump and Sender, Overhead Console)
Cell 81 (Instrument Cluster, Vehicle Control Module, Fuel Pump and Sender, Overhead Console)
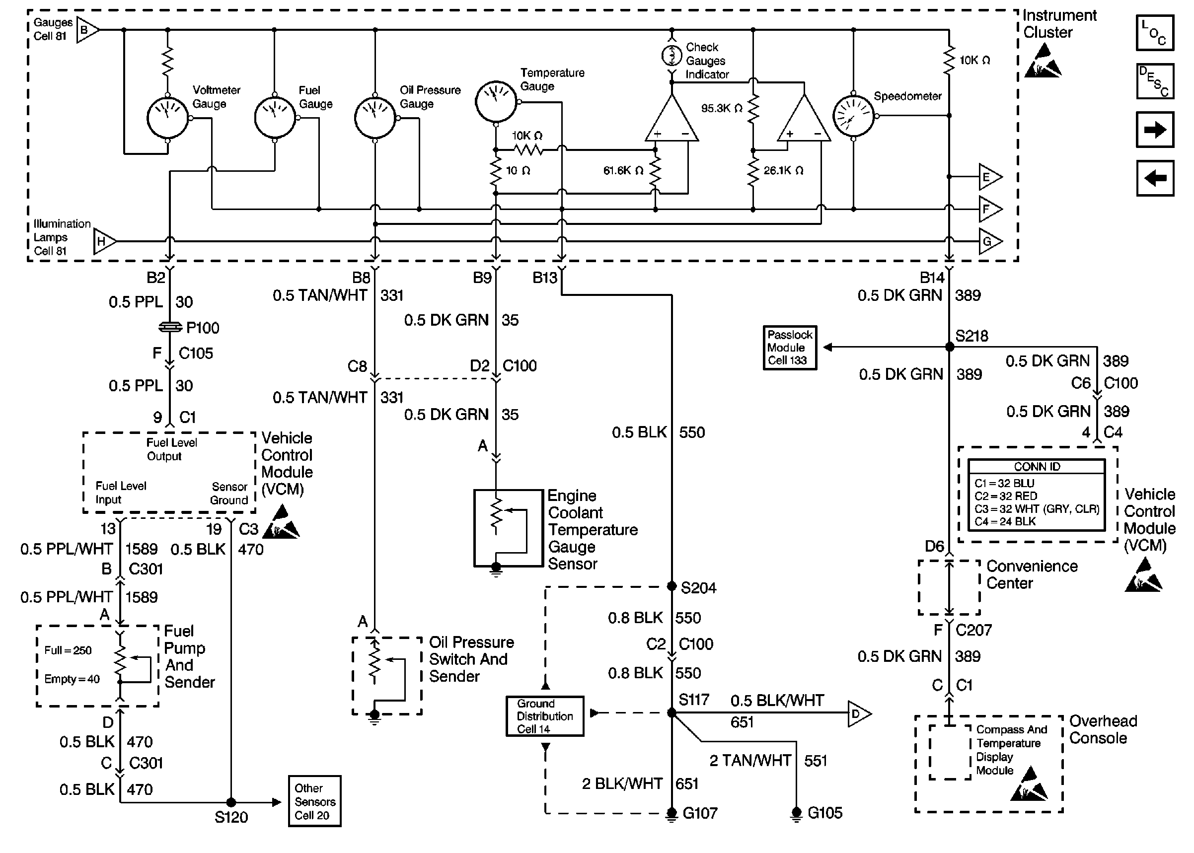
Instrument Cluster Components
Instrument Cluster Circuit Description
Cell 81 (IP Fuse Block, Park/Neutral Position and Backup Lamp Switch, Headlamp and Panel Dimmer Switch)
Cell 81 (Instrument Cluster, Inflatable Restraint Sensing Diatnostic Module, Passlock Module)
Handling ESD Sensitive Parts Notice
Handling ESD Sensitive Parts Notice
Cell 14 (G107, G105)
Handling ESD Sensitive Parts Notice
Cell 81 (Instrument Cluster, Inflatable Restraint Sensing Diatnostic Module, Passlock Module)
Cell 81 (IP Fuse Block, Instrument Cluster)
Cell 81 (IP Fuse Block, Park/Neutral Position and Backup Lamp Switch, Headlamp and Panel Dimmer Switch)
Cell 81 (IP Fuse Block, Park/Neutral Position and Backup Lamp Switch, Headlamp and Panel Dimmer Switch)
Cell 81 (IP Fuse Block, Park/Neutral Position and Backup Lamp Switch, Headlamp and Panel Dimmer Switch)
Handling ESD Sensitive Parts Notice
Cell 133 Theft Deterrent
Fuel Mixture Input Controls
Cell 81 (IP Fuse Block, Park/Neutral Position and Backup Lamp Switch, Headlamp and Panel Dimmer Switch)