GM Service Manual Online
For 1990-2009 cars only

Removal Procedure

  1. Raise the vehicle. Refer to Lifting and Jacking the Vehicle in General Information.

  2. Object Number: 422437  Size: SH
  3. Remove the three nuts securing the transfer case shield to the transfer case.

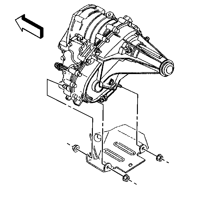
  4. Object Number: 422438  Size: SH
  5. Remove the three nuts securing the transfer case shield to the transfer case.

Installation Procedure


    Object Number: 422438  Size: SH

    Notice: Use the correct fastener in the correct location. Replacement fasteners must be the correct part number for that application. Fasteners requiring replacement or fasteners requiring the use of thread locking compound or sealant are identified in the service procedure. Do not use paints, lubricants, or corrosion inhibitors on fasteners or fastener joint surfaces unless specified. These coatings affect fastener torque and joint clamping force and may damage the fastener. Use the correct tightening sequence and specifications when installing fasteners in order to avoid damage to parts and systems.

  1. Install the three nuts securing the transfer case shield to the transfer case.
  2. Tighten
    Tighten the bolts to 15 N·m (11 lb ft).


    Object Number: 422437  Size: SH
  3. Install the three nuts securing the transfer case shield to the transfer case.
  4. Tighten
    Tighten the bolts to 15 N·m (11 lb ft).

  5. Lower the vehicle.