GM Service Manual Online
For 1990-2009 cars only
Makes
🢒
Chevrolet
🢒
2000
🢒
Astro - 4WD
🢒
Restraints
🢒
Seat Belts
🢒 Seat Belt Schematics
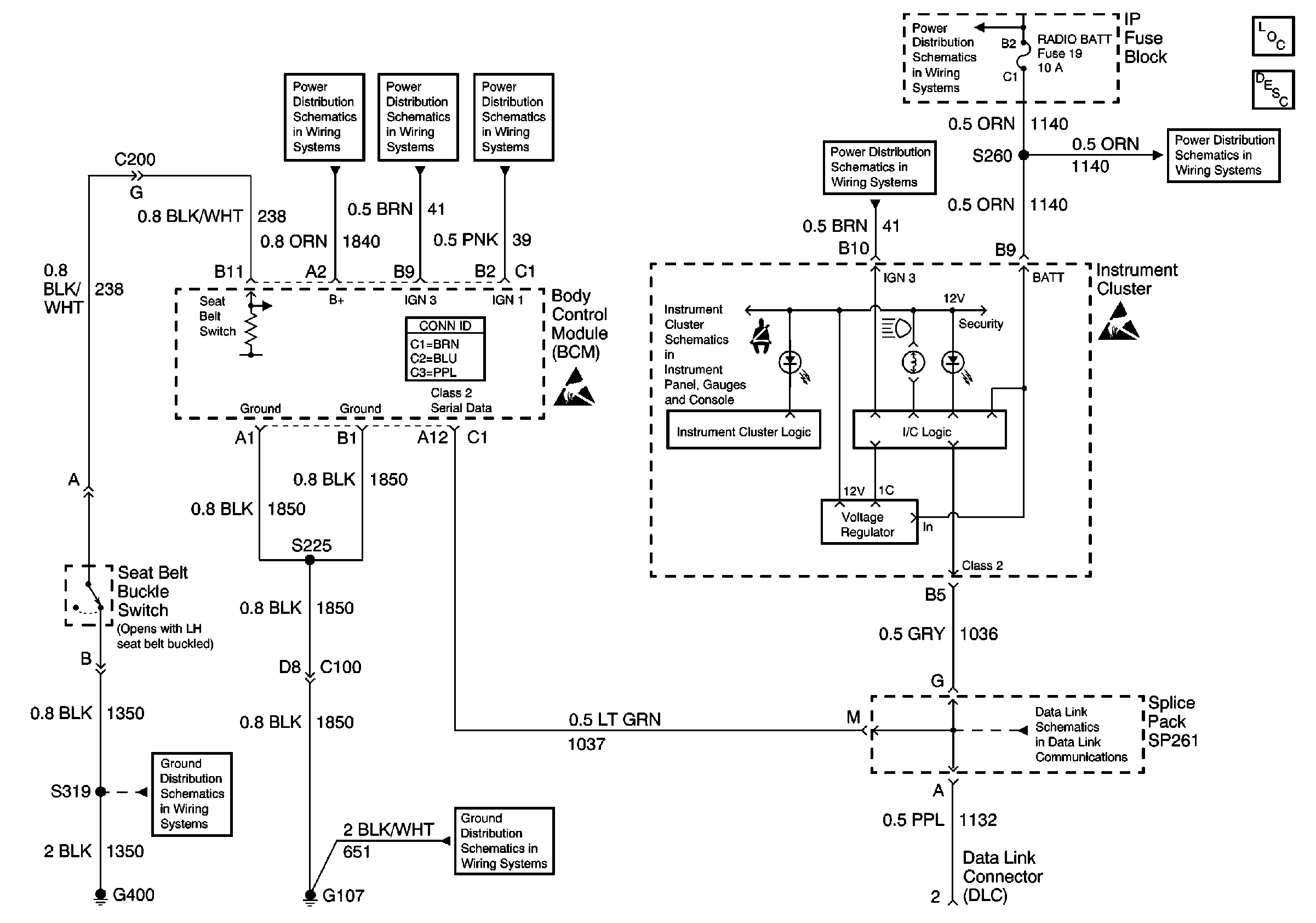
Seat Belt Components
Seat Belt System Circuit Description
CIG LTR Fuse 13, RADIO BATT Fuse 19 and CRANK Fuse 8
CIG LTR Fuse 13, RADIO BATT Fuse 19 and CRANK Fuse 8
HTR-A/C Fuse 12, BRAKE Fuse 18 and CRUISE Fuse 6
Data Link Schematics (1 of 2)
Handling ESD Sensitive Parts Notice
G105 and G107
G301, G303, G400 and G404
Handling ESD Sensitive Parts Notice
RADIO BATT Fuse, Data Link, and CRUISE Fuse
GAUGES Fuse 4, AIR BAG Fuse 10 and TURN-B/U Fuse 16
HTR-A/C Fuse 12, BRAKE Fuse 18 and CRUISE Fuse 6
CTSY Fuse 3, PK LPS Fuse 9, TBC Fuse 15, and PWR MIR Fuse 21