GM Service Manual Online
For 1990-2009 cars only
Makes
🢒
Chevrolet
🢒
2000
🢒
Astro - 4WD
🢒
Body and Accessories
🢒
Lighting Systems
🢒 Headlights/Daytime Running Lights (DRL) Schematics
Figure
1:
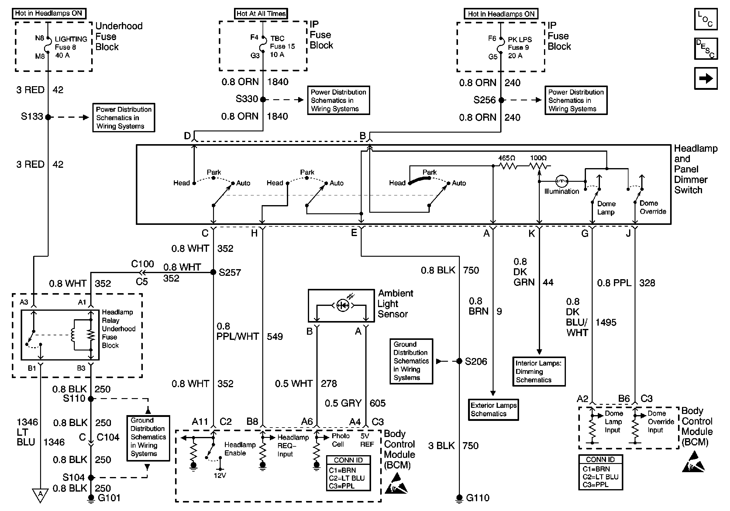
Headlamp and Panel Dimmer Switch, Ambient Light Sensor, Headlamp Relay
Lighting Systems Components
Exterior Lights Circuit Description Domestic
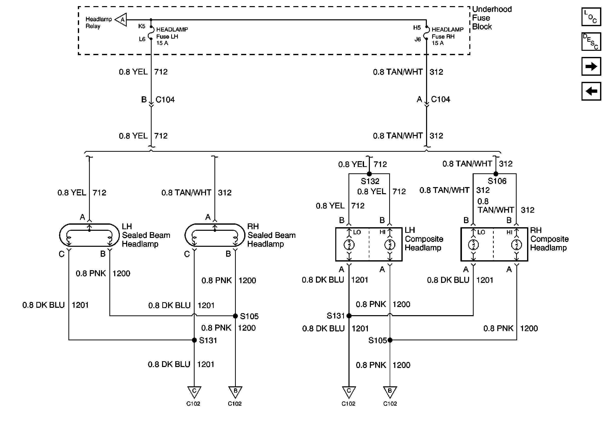
Sealed Beam and Composite Headlamps
BATT and LIGHTING Fuse
BATT and LIGHTING Fuse
CTSY Fuse 3, PK LPS Fuse 9, TBC Fuse 15, and PWR MIR Fuse 21
G101, G106 and G302
Sealed Beam and Composite Headlamps
G110 (1 of 2)
Turn Indicators, Park/Turn Signal Lamps, Front Side Marker Lamps
Headlamp and Panel Dimmer Switch
Lighting Systems Schematic Icons
Lighting Systems Schematic Icons
Figure
2:
Sealed Beam and Composite Headlamps
Lighting Systems Components
Exterior Lights Circuit Description Domestic
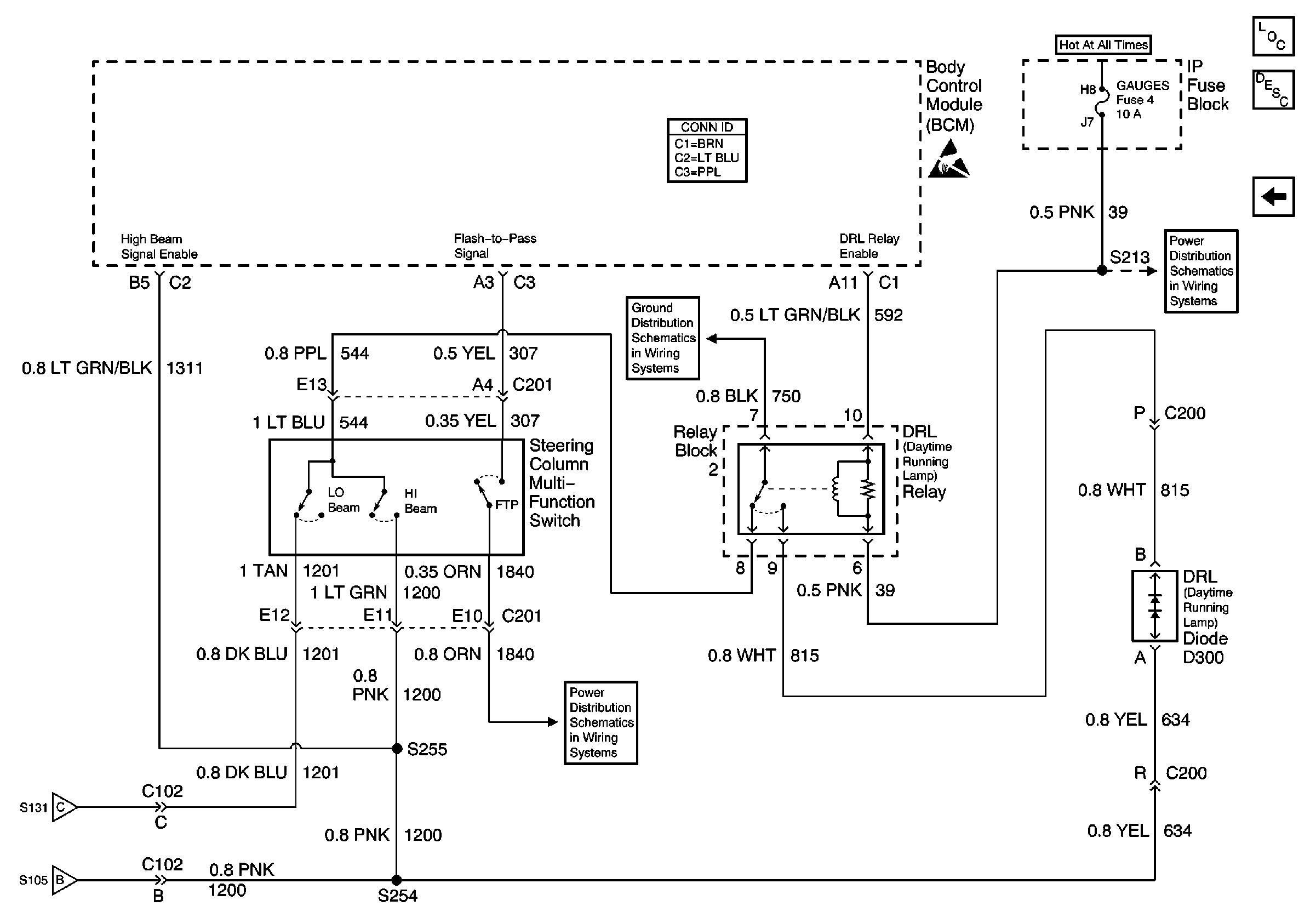
DRL Relay, DRL Diode D300
Headlamp and Panel Dimmer Switch, Ambient Light Sensor, Headlamp Relay
Headlamp and Panel Dimmer Switch, Ambient Light Sensor, Headlamp Relay
RH HDLMP and LH HDLMP Fuse
DRL Relay, DRL Diode D300
DRL Relay, DRL Diode D300
DRL Relay, DRL Diode D300
DRL Relay, DRL Diode D300
Figure
3:
DRL Relay, DRL Diode D300
Lighting Systems Components
Exterior Lights Circuit Description Domestic
Sealed Beam and Composite Headlamps
G110 (1 of 2)
IGN-A Fuse and Ignition Switch
CTSY Fuse 3, PK LPS Fuse 9, TBC Fuse 15, and PWR MIR Fuse 21
Sealed Beam and Composite Headlamps
Sealed Beam and Composite Headlamps
Lighting Systems Schematic Icons