GM Service Manual Online
For 1990-2009 cars only
Makes
🢒
Chevrolet
🢒
2000
🢒
Astro - 4WD
🢒
Body and Accessories
🢒
Body Control System
🢒 Instrument Cluster: Analog Schematics
Figure
1:
RADIO BATT Fuse, Data Link, and CRUISE Fuse
Instrument Cluster Components
Instrument Cluster Description
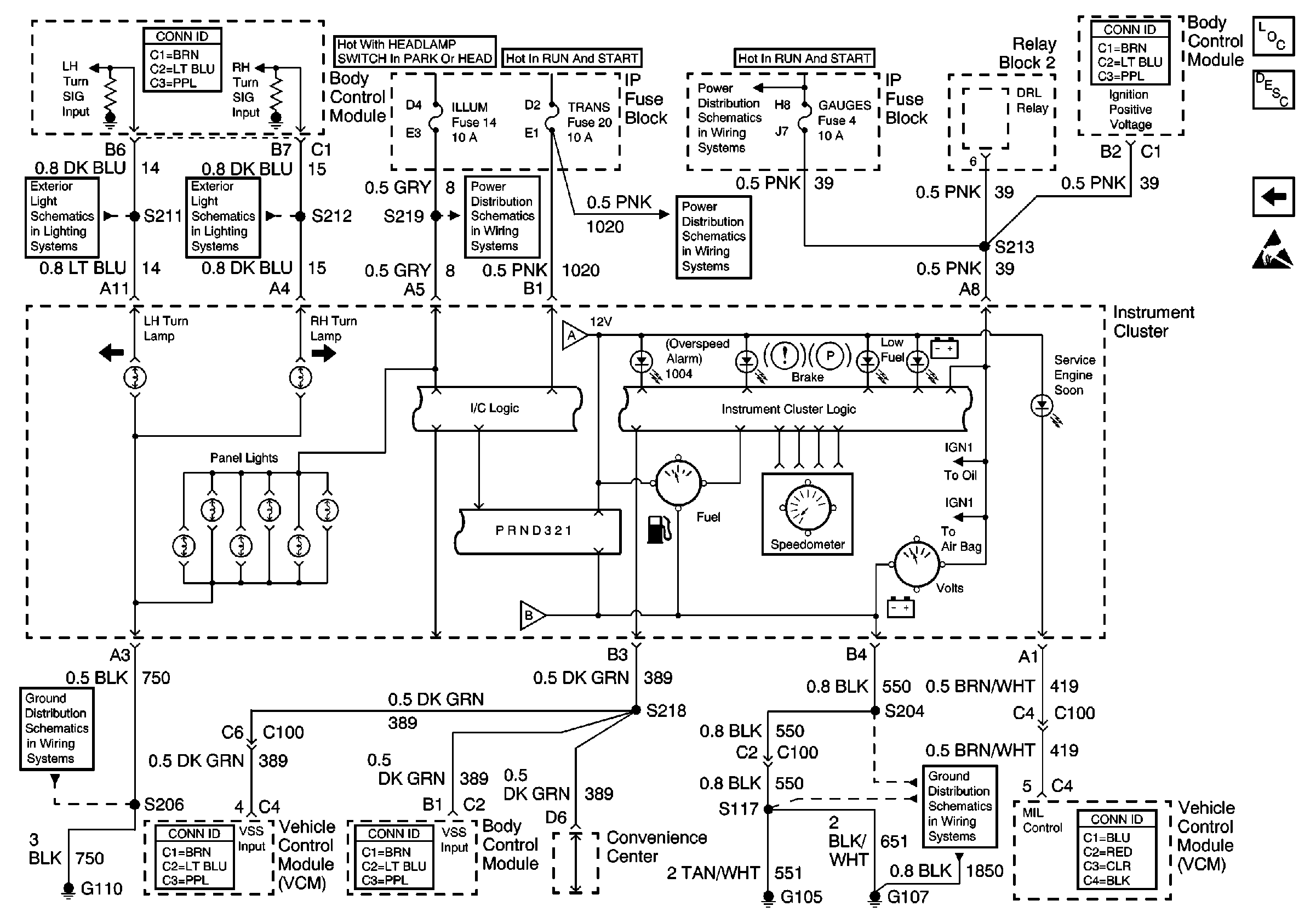
ILLUM, TRANS, and GAUGES Fuse, and Grounds
IGN-B Fuse and Ignition Switch
BATT and LIGHTING Fuse
Handling ESD Sensitive Parts Notice
Handling ESD Sensitive Parts Notice
Handling ESD Sensitive Parts Notice
Handling ESD Sensitive Parts Notice
ILLUM, TRANS, and GAUGES Fuse, and Grounds
ILLUM, TRANS, and GAUGES Fuse, and Grounds
Data Link Schematics (1 of 2)
Figure
2:
ILLUM, TRANS, and GAUGES Fuse, and Grounds
Instrument Cluster Components
Instrument Cluster Description
RADIO BATT Fuse, Data Link, and CRUISE Fuse
Handling ESD Sensitive Parts Notice
IGN-A Fuse and Ignition Switch
Turn Indicators, Park/Turn Signal Lamps, Front Side Marker Lamps
Turn Indicators, Park/Turn Signal Lamps, Front Side Marker Lamps
ILLUM Fuse 14
TRANS Fuse 20 and WINDOWS Circuit Breaker
RADIO BATT Fuse, Data Link, and CRUISE Fuse
RADIO BATT Fuse, Data Link, and CRUISE Fuse
G110 (1 of 2)
G105 and G107