GM Service Manual Online
For 1990-2009 cars only
Makes
🢒
Chevrolet
🢒
2000
🢒
Astro - 4WD
🢒
Body and Accessories
🢒
Horns
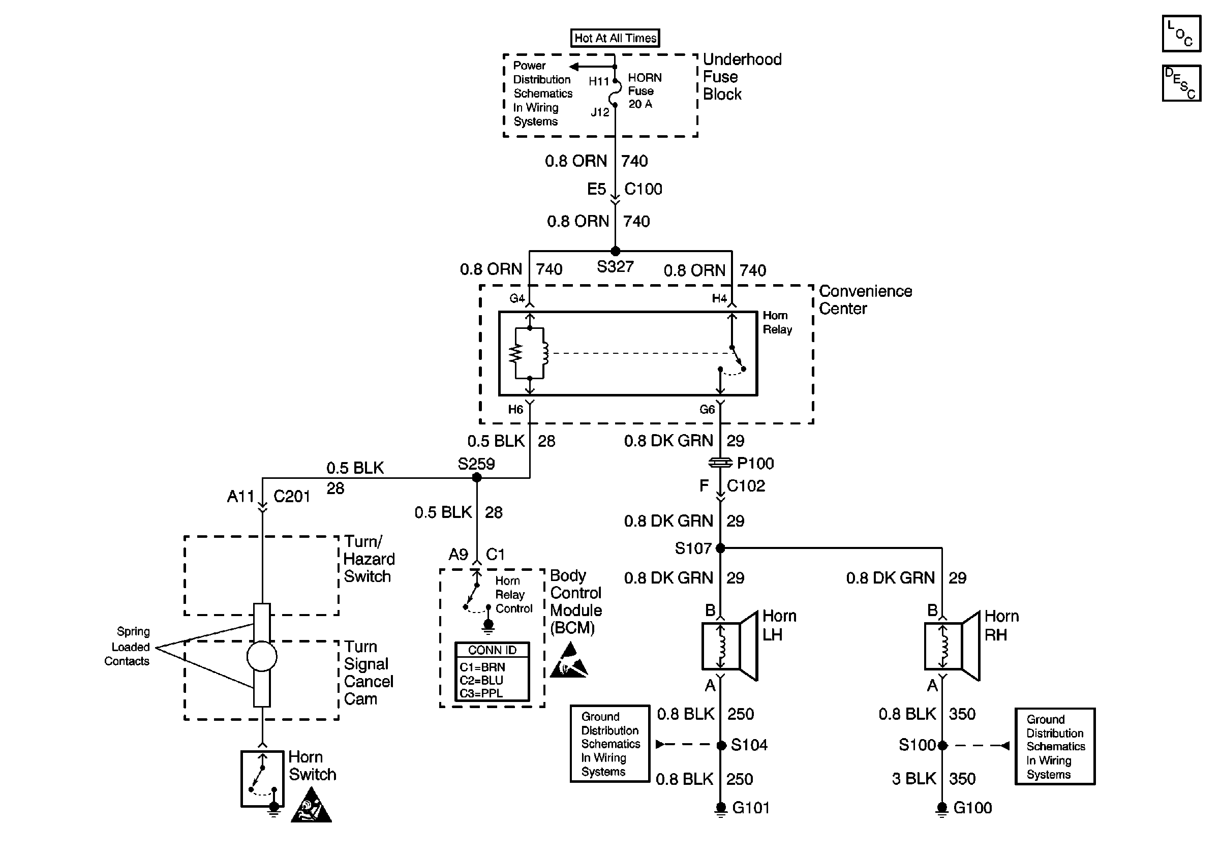
🢒 Horn Schematics
Horns Components
Horns Circuit Description
HTD MIR/RR DEFOG, A/C COMP, HORN, ECM-B Fuse
G100, G102 and G103
G101, G106 and G302
SIR Handling Caution
Handling ESD Sensitive Parts Notice